Мы используем cookie для наилучшего представления нашего сайта. Подробнее об этом в Политике конфиденциальности.
Ок

Каспийск

Ваш город:
Каспийск (Республика Дагестан)?
Нет
Да
Каталог
Каталог Написать в WhatsApp
Мотоэкипировка

Магнето квадроцикла STELS ATV 300 B

Магнето квадроцикла STELS ATV 300 B в Каспийске: актуальный каталог, цены, фото, описание. Купите магнето квадроцикла stels atv 300 b в кредит – оформите заявку онлайн за 1 минуту!

Оригинальные запчасти

Артикул НАИМЕНОВАНИЕ Кол-во деталей в узле Примечание Наличие Цена Аналоги Фото
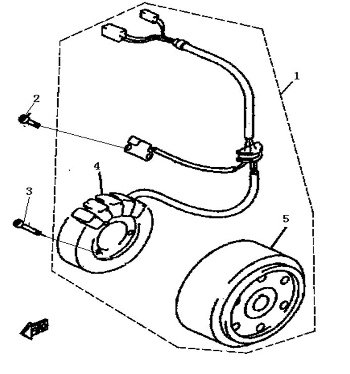
1 LU019984 Магнето в сборе 2.1.01.2001

В наличии

1

В наличии

11 320

19 430

Купить
2 LU019986 Винт с цилиндр.головк.и шестигр.шлицем M5х0.8х 28мм, сталь 2.1.01.2080

Под заказ

3

Под заказ

уточнить

240

Купить
3 LU019987 Катушка магнето в сборе (статор) (смотри аналог - LU019984) 2.1.01.2061

Под заказ

1

Под заказ

уточнить

6 070

Купить
4 LU019988 Ротор магнето в сборе 2.1.01.2021

Под заказ

1

Под заказ

уточнить

Купить

Нулевая цена не означает отсутствие товара. Оформите заказ, и менеджер сообщит вам цену и наличие товара, предварительно запросив их у поставщика

Главная Магазины
Корзина0
Профиль