Мы используем cookie для наилучшего представления нашего сайта. Подробнее об этом в Политике конфиденциальности.
Ок

Каспийск

Ваш город:
Каспийск (Республика Дагестан)?
Нет
Да
Каталог
Каталог Написать в WhatsApp
Мотоэкипировка

Картер двигателя КВАДРОЦИКЛА STELS ATV 450 H

Картер двигателя КВАДРОЦИКЛА STELS ATV 450 H в Каспийске: актуальный каталог, цены, фото, описание. Купите картер двигателя квадроцикла stels atv 450 h в кредит – оформите заявку онлайн за 1 минуту!

Оригинальные запчасти

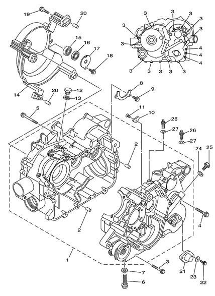
Артикул НАИМЕНОВАНИЕ Кол-во деталей в узле Примечание Наличие Цена Аналоги Фото
1 LN001574 Картер двигателя, лев.и прав.половина, алюмин.сплав 11000-F13-0002

Под заказ

1

Под заказ

уточнить

35 500

Купить
2 LU024205 Болт с фланцем M6x1.0x 50мм, сталь E70-8-13,GB/T 5787 M6x50-5

Под заказ

12

Под заказ

уточнить

30

Купить
3 LU013210 Болт с фланцем М12х1.25х 40мм, сталь 5789-12-40

Под заказ

1

Под заказ

уточнить

100

Купить
4 90613-F12-0000 Шайба 12х20х2мм, сталь 90613-F12-0000

Под заказ

1

Под заказ

уточнить

Купить
5 11101-F12-0000 Пластина фиксирующая подшипник картера, сталь 11101-F12-0000

Под заказ

1

Под заказ

уточнить

Купить
6 LU013750 Болт с фланцем M6x1.0x 12мм, сталь 9102-06-012, PFKL1214292

В наличии

2

В наличии

20

40

Купить
7 11201-F12-0000 Пластина фиксирующая подшипник картера, сталь 11201-F12-0000

Под заказ

1

Под заказ

уточнить

Купить
8 LU013751 Болт с фланцем M6x1.0x 16мм , сталь 9102-06-016

В наличии

1

В наличии

20

40

Купить
9 LU013212 Болт M14х1.5х 10мм, сталь 5783-14-10

Под заказ

1

Под заказ

уточнить

Купить
10 90611-F12-0000 Шайба 13.5х19.5х1.3мм, сталь 90611-F12-0000

Под заказ

1

Под заказ

уточнить

Купить
11 LU020572 Корпус подшипника вариатора,алюм.сплав 11330-F12-0000

Под заказ

1

Под заказ

уточнить

9 640

Купить
12 LU023995 Подшипник шариковый радиальный 6201 12х32х10мм 9601-6201

Под заказ

1

Под заказ

уточнить

630

Купить
13 LU022932 Сальник 12х32х6мм 91101-F12-0000

Под заказ

1

Под заказ

уточнить

900

Купить
14 LU022912 Пластина фиксирующая сальника вариатора, сталь 11331-F12-0000

Под заказ

1

Под заказ

уточнить

400

Купить
15 LU013253 Сальник картера двигателя , резина 91102-F12-0000

Под заказ

1

Под заказ

уточнить

730

Купить
16 90614-F12-0000 Шайба 6.5х20х1мм, сталь 90614-F12-0000

Под заказ

2

Под заказ

уточнить

Купить
17 GB/T 97.1-2002 Шайба 12мм, сталь GB/T 97.1-2002

Под заказ

1

Под заказ

уточнить

Купить
18 LU013213 Болт с фланцем М12х1.25х 15мм, сталь 9102-12-015

Под заказ

1

Под заказ

уточнить

210

Купить
19 LU022913 Выключатель концевой задней передачи 37180-F12-0000

Под заказ

2

Под заказ

уточнить

1 020

Купить
20 90603-F11-0000 Шайба 10х16х1мм, сталь 90603-F11-0000

Под заказ

2

Под заказ

уточнить

Купить

Нулевая цена не означает отсутствие товара. Оформите заказ, и менеджер сообщит вам цену и наличие товара, предварительно запросив их у поставщика

Главная Магазины
Корзина0
Профиль