Мы используем cookie для наилучшего представления нашего сайта. Подробнее об этом в Политике конфиденциальности.
Ок

Каспийск

Ваш город:
Каспийск (Республика Дагестан)?
Нет
Да
Каталог
Каталог Написать в WhatsApp
Мотоэкипировка

Карбюратор КВАДРОЦИКЛА STELS ATV 100 RS

Карбюратор КВАДРОЦИКЛА STELS ATV 100 RS в Каспийске: актуальный каталог, цены, фото, описание. Купите карбюратор квадроцикла stels atv 100 rs в кредит – оформите заявку онлайн за 1 минуту!

Оригинальные запчасти

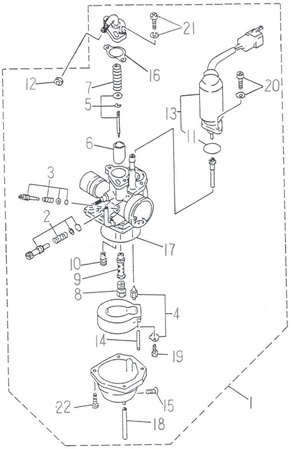
Артикул НАИМЕНОВАНИЕ Кол-во деталей в узле Примечание Наличие Цена Аналоги Фото
1 LU074881 Карбюратор 479G 110700-104-0000

Под заказ

1

Под заказ

уточнить

10 160

Купить
2 13203-NAF-00 Болт регулировки количества смеси 13203-NAF-00

Под заказ

1

Под заказ

уточнить

Купить
3 13204-NAF-00 Болт регулировки качества смеси 13204-NAF-00

Под заказ

1

Под заказ

уточнить

Купить
4 13207-NAF-00 Клапан игольчатый карбюратора 13207-NAF-00

Под заказ

1

Под заказ

уточнить

Купить
5 13211-NAF-00 Игла дозирующая карбюратора, сталь 13211-NAF-00

Под заказ

1

Под заказ

уточнить

Купить
6 13240-NAN-00 Жиклер главный карбюратора #82.5, латунь 13240-NAN-00

Под заказ

1

Под заказ

уточнить

Купить
7 13241-NAF-00 Главный эмульсионный колодец 13241-NAF-00

Под заказ

1

Под заказ

уточнить

Купить
8 13242-NCF-00 Жиклер карбюратора #20, латунь 13242-NCF-00

Под заказ

1

Под заказ

уточнить

Купить
9 13261-NAF-00 Гайка регулировочная тросика газа 13261-NAF-00

Под заказ

1

Под заказ

уточнить

Купить
10 LU074882 Обогатитель пусковой 110710-104-0000

Под заказ

1

Под заказ

уточнить

1 490

Купить
11 96312-04012-C Винт с шайбой 96312-04012-C

Под заказ

2

Под заказ

уточнить

Купить

Нулевая цена не означает отсутствие товара. Оформите заказ, и менеджер сообщит вам цену и наличие товара, предварительно запросив их у поставщика

Главная Магазины
Корзина0
Профиль