Мы используем cookie для наилучшего представления нашего сайта. Подробнее об этом в Политике конфиденциальности.
Ок

Каспийск

Ваш город:
Каспийск (Республика Дагестан)?
Нет
Да
Каталог
Каталог Написать в WhatsApp
Мотоэкипировка

Электрика 2-х тактного ПЛМ MARLIN 20F

Электрика 2-х тактного ПЛМ MARLIN 20F в Каспийске: актуальный каталог, цены, фото, описание. Купите электрика 2-х тактного плм marlin 20f в кредит – оформите заявку онлайн за 1 минуту!

Оригинальные запчасти

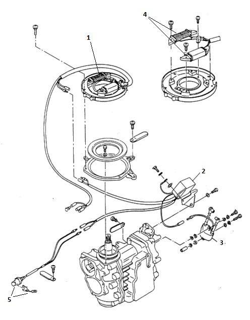
Артикул НАИМЕНОВАНИЕ Кол-во деталей в узле Примечание Наличие Цена Аналоги Фото
1 20F-01.03.04.00 Катушка зажигания

В наличии

1

В наличии

4 000

8 080

Купить
2 20F-01.03.02.00 Блок CDI 20F-01.03.02.00

Под заказ

1

Под заказ

уточнить

7 090

Купить
3 20F-01.03.01.00 Катушка зажигания/20F-01.03.01.00/01032102A

Под заказ

1

Под заказ

уточнить

9 110

показать аналоги Купить
4 20FE-01.03.11.00 Катушка зажигания + катушка генератор 20FE-01.03.11.00

В наличии

1

В наличии

6 040

6 830

Купить
5 15F-04.07.03 15F-04.07.03 Выключатель аварийной остановки

В наличии

1

В наличии

2 100

3 760

показать аналоги Купить

Нулевая цена не означает отсутствие товара. Оформите заказ, и менеджер сообщит вам цену и наличие товара, предварительно запросив их у поставщика

Главная Магазины
Корзина0
Профиль