Мы используем cookie для наилучшего представления нашего сайта. Подробнее об этом в Политике конфиденциальности.
Ок

Каспийск

Ваш город:
Каспийск (Республика Дагестан)?
Нет
Да
Каталог
Каталог Написать в WhatsApp
Мотоэкипировка

Электрика 2-х тактного ПЛМ MARLIN 3F

Электрика 2-х тактного ПЛМ MARLIN 3F в Каспийске: актуальный каталог, цены, фото, описание. Купите электрика 2-х тактного плм marlin 3f в кредит – оформите заявку онлайн за 1 минуту!

Оригинальные запчасти

Артикул НАИМЕНОВАНИЕ Кол-во деталей в узле Примечание Наличие Цена Аналоги Фото
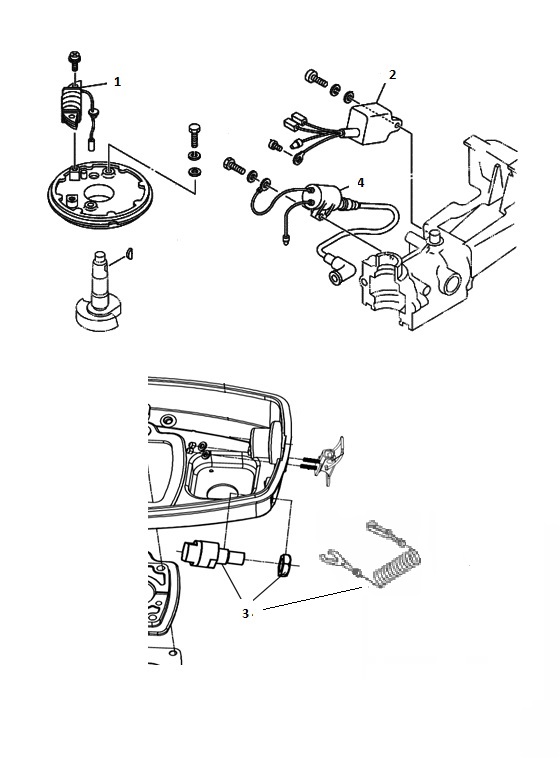
1 3.5F-01.03.05 Катушка зажигания ПЛМ 3.5F-01.03.05

В наличии

1

В наличии

2 590

5 150

Купить
2 3.5F-01.03.02 Блок управления зажиганием ПЛМ 3.5F-01.03.02

Под заказ

1

Под заказ

уточнить

3 080

Купить
3 15F-04.07.03 15F-04.07.03 Выключатель аварийной остановки

В наличии

1

В наличии

2 100

3 760

показать аналоги Купить
4 3.5F-01.03.03 Ignition coil 01030903

Под заказ

1

Под заказ

уточнить

1 320

Купить

Нулевая цена не означает отсутствие товара. Оформите заказ, и менеджер сообщит вам цену и наличие товара, предварительно запросив их у поставщика

Главная Магазины
Корзина0
Профиль