Мы используем cookie для наилучшего представления нашего сайта. Подробнее об этом в Политике конфиденциальности.
Ок

Каспийск

Ваш город:
Каспийск (Республика Дагестан)?
Нет
Да
Каталог
Каталог Написать в WhatsApp
Мотоэкипировка

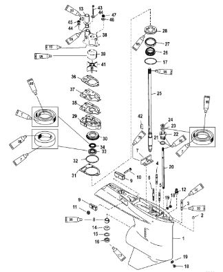
Корпус редуктора, приводной вал 2-Х ТАКТНОГО ПЛМ MERCURY 150 PRO XS L OPTIMAX Серийный номер от 1B690542 и выше

Корпус редуктора, приводной вал 2-Х ТАКТНОГО ПЛМ MERCURY 150 PRO XS L OPTIMAX Серийный номер от 1B690542 и выше в Каспийске: актуальный каталог, цены, фото, описание. Купите корпус редуктора, приводной вал 2-х тактного плм mercury 150 pro xs l optimax серийный номер от 1b690542 и выше в кредит – оформите заявку онлайн за 1 минуту!

Оригинальные запчасти

Артикул НАИМЕНОВАНИЕ Кол-во деталей в узле Примечание Наличие Цена Аналоги Фото
1 9148T84 Редуктор (GEAR HOUSING ASSEMBLY(4.75 Inch/120.65)

Под заказ

1

Под заказ

уточнить

Купить
2 9148T85 Редуктор в сборе (GEAR HSG-XL-BLK)

Под заказ

1

Под заказ

уточнить

Купить
3 9148T93 Корпус редуктора (GEAR HOUSING BLK )

Под заказ

1

Под заказ

уточнить

Купить
4 43044 Штифт (PIN, Dowel - Without Hole (.375 x .625))

Под заказ

2

Под заказ

уточнить

Купить
5 786382 STUD, (.437-14/.437-20 x 3.120)

Под заказ

1

Под заказ

уточнить

Купить
6 8M0034464 STUD

Под заказ

1

Под заказ

уточнить

Купить
7 579203 Шпилька (STUD, (.437-14/.437-20 x 2.060))

Под заказ

2

Под заказ

уточнить

Купить
8 8M0034463 STUD

Под заказ

1

Под заказ

уточнить

Купить
9 306671 STUD

Под заказ

2

Под заказ

уточнить

Купить
10 8M0039169 FILLER BLOCK

Под заказ

1

Под заказ

уточнить

Купить
11 42647A1 Подшипник приводного вала нижний (BEARING ASSY)

Под заказ

1

Под заказ

уточнить

Купить
12 826134Q Цинковая защитная пластина (ANODE @3)

Под заказ

2

Под заказ

уточнить

Купить
13 4000333 Болт (SCREW)

Под заказ

1

Под заказ

уточнить

Купить
14 401386 Гайка (NUT-M6 HEX, NYL I)

Под заказ

1

Под заказ

уточнить

Купить
15 881866 Фитинг (FITTING)

Под заказ

1

Под заказ

уточнить

Купить
16 29804T Втулка (SLEEVE @5)

Под заказ

1

Под заказ

уточнить

Купить
17 92721 Шайба (WASHER@2)

Под заказ

1

Под заказ

уточнить

Купить
18 35921 Гайка

Под заказ

1

Под заказ

уточнить

Купить
19 42637A1 Набор регулировочных колец шайб (SHIM SET)

Под заказ

1

Под заказ

уточнить

Купить
20 79953Q04 Болт дренажный 0.375-16х0.25 (SCREW KIT @2)

Под заказ

2

Под заказ

уточнить

Купить
21 830749 Сальник (SEAL)

Под заказ

2

Под заказ

уточнить

Купить
22 789022 SHIFT SHAFT (USE W/O E-RING)

Под заказ

1

Под заказ

уточнить

Купить
23 25439 Уплотнительное кольцо (O RING @5)

Под заказ

1

Под заказ

уточнить

Купить
24 77631A2 Втулка (BUSHING ASSEMBLY, SHIF SHAFT)

Под заказ

1

Под заказ

уточнить

Купить
25 8164641 Сальник (SEAL)

Под заказ

1

Под заказ

уточнить

Купить
26 77674 Шайба (WASHER)

Под заказ

1

Под заказ

уточнить

Купить
27 897624T Приводной вал (DRIVESHAFT, Long)

Под заказ

1

Под заказ

уточнить

Купить
28 897625T Приводной вал (DRIVESHAFT, X-Long)

Под заказ

1

Под заказ

уточнить

Купить
29 8M0146566 Подшипник (BEARING CUP CONE)

Под заказ

1

Под заказ

уточнить

Купить
30 8245191 RETAINER

Под заказ

1

Под заказ

уточнить

Купить
31 8M0077147 Основание помпы (BASE ASSY-W/P)

Под заказ

1

Под заказ

уточнить

Купить
32 426311 Прокладка (GASKET @2)

Под заказ

1

Под заказ

уточнить

Купить
33 896523 Уплотнительное кольцо (O-RING, (2.175 x .103))

Под заказ

1

Под заказ

уточнить

Купить
34 89238 Сальник (SEAL)

Под заказ

1

Под заказ

уточнить

Купить
35 16977 Сальник (SEAL)

Под заказ

1

Под заказ

уточнить

Купить
36 8M0090319 Прокладка (GASKET @5)

Под заказ

1

Под заказ

уточнить

Купить
37 858524 Прокладка (GASKET @5)

Под заказ

1

Под заказ

уточнить

Купить
38 324351 Зеркало помпы (PLATE-FACE)

Под заказ

1

Под заказ

уточнить

Купить
39 96148T1 Корпус помпы (WATER PUMP BODY ASSEMBLY)

Под заказ

1

Под заказ

уточнить

Купить
40 48752T Стакан помпы (INSERT)

Под заказ

1

Под заказ

уточнить

Купить
41 38970 Сальник (SEAL @5)

Под заказ

1

Под заказ

уточнить

Купить
42 89984T3 Крыльчатка (IMPELLER)

Под заказ

1

Под заказ

уточнить

Купить
43 8M0032834 Шпонка крыльчатки (KEY @5)

Под заказ

1

Под заказ

уточнить

Купить
44 96411 SCREW, WATER PUMP

Под заказ

1

Под заказ

уточнить

Купить
45 29245 Шайба (WASHER @10)

Под заказ

2

Под заказ

уточнить

Купить
46 8267119 Гайка (NUT)

Под заказ

2

Под заказ

уточнить

Купить
47 36001 Шайба (WASHER, LOWER MOUNT COVER SCREW)

Под заказ

1

Под заказ

уточнить

Купить
48 13436 NUT, WATER PUMP STUD

Под заказ

1

Под заказ

уточнить

Купить
49 96148A8 Ремкомплект помпы (PUMP KIT-WATER)

Под заказ

1

Под заказ

уточнить

Купить
50 89238A2 Комплект прокладок (SEAL KIT)

Под заказ

1

Под заказ

уточнить

Купить
51 803033T1 Подшипники (BEARING AND SEAL KIT W/O FWD Bearing)

Под заказ

1

Под заказ

уточнить

Купить
52 803615T2 Шестерни (REPAIR KIT-GEARS)

Под заказ

1

Под заказ

уточнить

Купить
53 8M0046714 Набор прокладок (GASKET SET)

Под заказ

1

Под заказ

уточнить

Купить

Нулевая цена не означает отсутствие товара. Оформите заказ, и менеджер сообщит вам цену и наличие товара, предварительно запросив их у поставщика

Главная Магазины
Корзина0
Профиль