Мы используем cookie для наилучшего представления нашего сайта. Подробнее об этом в Политике конфиденциальности.
Ок

Каспийск

Ваш город:
Каспийск (Республика Дагестан)?
Нет
Да
Каталог
Каталог Написать в WhatsApp
Мотоэкипировка

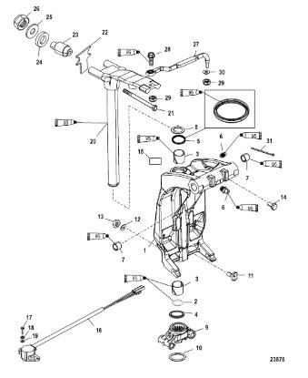
Поворотный кронштейн и рулевой рычаг 2-Х ТАКТНОГО ПЛМ MERCURY 150 PRO XS L OPTIMAX Серийный номер от 1B690542 и выше

Поворотный кронштейн и рулевой рычаг 2-Х ТАКТНОГО ПЛМ MERCURY 150 PRO XS L OPTIMAX Серийный номер от 1B690542 и выше в Каспийске: актуальный каталог, цены, фото, описание. Купите поворотный кронштейн и рулевой рычаг 2-х тактного плм mercury 150 pro xs l optimax серийный номер от 1b690542 и выше в кредит – оформите заявку онлайн за 1 минуту!

Оригинальные запчасти

Артикул НАИМЕНОВАНИЕ Кол-во деталей в узле Примечание Наличие Цена Аналоги Фото
1 8M0102865 BRACKET-SWIVEL-BL

Под заказ

1

Под заказ

уточнить

Купить
2 33504 Кольцо (O RING @10)

Под заказ

1

Под заказ

уточнить

Купить
3 818764 Втулка (BUSHING)

Под заказ

2

Под заказ

уточнить

Купить
4 816039 Проставка (SPACER)

Под заказ

1

Под заказ

уточнить

Купить
5 87735 Сальник (OIL SEAL, SWIVEL BRACKET LOWER)

Под заказ

1

Под заказ

уточнить

Купить
6 74036 Смазочный фиттинг (GREASE FITTING - EARLY STYLE)

Под заказ

2

Под заказ

уточнить

Купить
7 821207 BUSHING

Под заказ

2

Под заказ

уточнить

Купить
8 816432 Упорная шайба (THRUST WASHER)

Под заказ

1

Под заказ

уточнить

Купить
9 878182T01 BOTTOM YOKE

Под заказ

1

Под заказ

уточнить

Купить
10 67684 Упорное кольцо (RETAINING RING, BOTTOM YOKE)

Под заказ

1

Под заказ

уточнить

Купить
11 8M0045383 STRIKER PLATE

Под заказ

2

Под заказ

уточнить

Купить
12 58643 LOCKWASHER

Под заказ

2

Под заказ

уточнить

Купить
13 46335 Гайка (PROP NUT)

Под заказ

2

Под заказ

уточнить

Купить
14 64014 SCREW, SWIVEL BRACKET

Под заказ

2

Под заказ

уточнить

Купить
15 896688001 Датчик положения трима (SENSOR, Trim Position)

Под заказ

1

Под заказ

уточнить

Купить
16 8M0074846 Датчик угла наклона (TRIM SENDER)

Под заказ

1

Под заказ

уточнить

Купить
17 852368 Болт (SCREW)

Под заказ

2

Под заказ

уточнить

Купить
18 26996 Шайба гровера (LOCKWASHER @15)

Под заказ

2

Под заказ

уточнить

Купить
19 89302 Шайба (WASHER, DECK BASE SCREW (NEW DESIGN))

Под заказ

2

Под заказ

уточнить

Купить
20 8M0132731 SWIVEL PIN ASSY

Под заказ

1

Под заказ

уточнить

Купить
21 8M0000491 Болт (BOLT)

Под заказ

2

Под заказ

уточнить

Купить
22 8M0000516 BUMPER, Top Yoke

Под заказ

1

Под заказ

уточнить

Купить
23 77326 MOUNT, RUBBER - UPPER

Под заказ

2

Под заказ

уточнить

Купить
24 66921 Шайба (WASHER)

Под заказ

2

Под заказ

уточнить

Купить
25 78688 Шайба (WASHER)

Под заказ

2

Под заказ

уточнить

Купить
26 34933 Гайка

Под заказ

2

Под заказ

уточнить

Купить
27 92876A12 Тяга (LINK ROD KIT)

Под заказ

1

Под заказ

уточнить

Купить
28 849838 Болт (SCREW)

Под заказ

1

Под заказ

уточнить

Купить
29 826709113 Гайка (NUT-.375-24 NYL I)

Под заказ

2

Под заказ

уточнить

Купить
30 37828 Шайба (WASHER)

Под заказ

2

Под заказ

уточнить

Купить

Нулевая цена не означает отсутствие товара. Оформите заказ, и менеджер сообщит вам цену и наличие товара, предварительно запросив их у поставщика

Главная Магазины
Корзина0
Профиль