Мы используем cookie для наилучшего представления нашего сайта. Подробнее об этом в Политике конфиденциальности.
Ок

Каспийск

Ваш город:
Каспийск (Республика Дагестан)?
Нет
Да
Каталог
Каталог Написать в WhatsApp
Мотоэкипировка

Рычаг дроссельной заслонки и вал переключения 2-Х ТАКТНОГО ПЛМ MERCURY 150 PRO XS L OPTIMAX Серийный номер от 1B690542 и выше

Рычаг дроссельной заслонки и вал переключения 2-Х ТАКТНОГО ПЛМ MERCURY 150 PRO XS L OPTIMAX Серийный номер от 1B690542 и выше в Каспийске: актуальный каталог, цены, фото, описание. Купите рычаг дроссельной заслонки и вал переключения 2-х тактного плм mercury 150 pro xs l optimax серийный номер от 1b690542 и выше в кредит – оформите заявку онлайн за 1 минуту!

Оригинальные запчасти

Артикул НАИМЕНОВАНИЕ Кол-во деталей в узле Примечание Наличие Цена Аналоги Фото
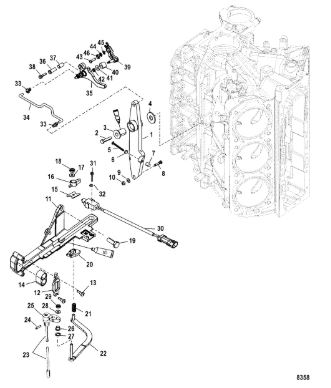
1 8M0040990 LEVER

Под заказ

1

Под заказ

уточнить

Купить
2 818165 SCREW, (.375-16 x 1.75)

Под заказ

1

Под заказ

уточнить

Купить
3 55164 BUSHING, LEVER AND ARM SCREW

Под заказ

1

Под заказ

уточнить

Купить
4 858959 SPACER

Под заказ

1

Под заказ

уточнить

Купить
5 64022 SCREW, (.250-20 x 2.125), SPARK ADVANCE LEVER - STOP

Под заказ

1

Под заказ

уточнить

Купить
6 64015 NUT, STARTER SOLENOID TERMINAL (1/4-20)

Под заказ

1

Под заказ

уточнить

Купить
7 26852 Колпачок (CAP, SPARK ADVANCE LEVER STOP SCREW)

Под заказ

1

Под заказ

уточнить

Купить
8 42927 Поворотный палец (PIN, THROTTLE LEVER)

Под заказ

1

Под заказ

уточнить

Купить
9 35459 Шайба (WASHER)

Под заказ

1

Под заказ

уточнить

Купить
10 401386 Гайка (NUT-M6 HEX, NYL I)

Под заказ

1

Под заказ

уточнить

Купить
11 814283T6 Кронштейн (BRACKET-ANCHOR)

Под заказ

1

Под заказ

уточнить

Купить
12 98889 Фиксатор (LATCH)

Под заказ

1

Под заказ

уточнить

Купить
13 42975 Шпонка (SCREW-DRIVE)

Под заказ

2

Под заказ

уточнить

Купить
14 39519 Вставка (CUP)

Под заказ

1

Под заказ

уточнить

Купить
15 52100 WEAR PLATE, NYLON - LINK

Под заказ

1

Под заказ

уточнить

Купить
16 8M0036768 LATCH

Под заказ

1

Под заказ

уточнить

Купить
17 35462 WASHER

Под заказ

1

Под заказ

уточнить

Купить
18 826709109 NUT, (.250-28) Stainless Steel

Под заказ

1

Под заказ

уточнить

Купить
19 28782 SCREW, PIN TO COWL (7/8")

Под заказ

3

Под заказ

уточнить

Купить
20 814284 GUIDE BLOCK

Под заказ

1

Под заказ

уточнить

Купить
21 20099 SPRING, COMPRESSION - LATCH SCREW

Под заказ

1

Под заказ

уточнить

Купить
22 67073A1 LINK ROD ASSEMBLY

Под заказ

1

Под заказ

уточнить

Купить
23 79932A16 SHIFT SHAFT ASSEMBLY

Под заказ

1

Под заказ

уточнить

Купить
24 79932A17 SHIFT SHAFT ASSEMBLY

Под заказ

1

Под заказ

уточнить

Купить
25 26856 BUSHING, LINK ROD SWIVEL

Под заказ

1

Под заказ

уточнить

Купить
26 29720 WASHER, WAVE - SHIFT SHAFT TO LINK

Под заказ

1

Под заказ

уточнить

Купить
27 8M0052939 Кнопка нейтрали (SWITCH)

Под заказ

1

Под заказ

уточнить

Купить
28 77478 SCREW

Под заказ

2

Под заказ

уточнить

Купить
29 27882 WASHER

Под заказ

2

Под заказ

уточнить

Купить
30 932481 Втулка (BUSHING)

Под заказ

2

Под заказ

уточнить

Купить
31 8508152 ROD

Под заказ

1

Под заказ

уточнить

Купить
32 8562211 CAM

Под заказ

1

Под заказ

уточнить

Купить
33 856895 BUSHING

Под заказ

1

Под заказ

уточнить

Купить
34 856896 BEARING

Под заказ

1

Под заказ

уточнить

Купить
35 81893440 SCREW, (M8 x 40)

Под заказ

1

Под заказ

уточнить

Купить
36 850286A03 LEVER/ROLLER KIT, Throttle

Под заказ

1

Под заказ

уточнить

Купить
37 8M0072162 ROLLER

Под заказ

1

Под заказ

уточнить

Купить
38 56681 Шайба (WASHER, SWITCH BOX ATTACHING SCREW)

Под заказ

1

Под заказ

уточнить

Купить
39 826709104 NUT, (#8-32)

Под заказ

1

Под заказ

уточнить

Купить
40 889354 SCREW, Special

Под заказ

1

Под заказ

уточнить

Купить
41 881992 WASHER, Spool

Под заказ

1

Под заказ

уточнить

Купить
42 69432 Шайба (LOCKWASHER @5)

Под заказ

1

Под заказ

уточнить

Купить
43 881991 WASHER, Cupped

Под заказ

1

Под заказ

уточнить

Купить

Нулевая цена не означает отсутствие товара. Оформите заказ, и менеджер сообщит вам цену и наличие товара, предварительно запросив их у поставщика

Главная Магазины
Корзина0
Профиль