Мы используем cookie для наилучшего представления нашего сайта. Подробнее об этом в Политике конфиденциальности.
Ок

Каспийск

Ваш город:
Каспийск (Республика Дагестан)?
Нет
Да
Каталог
Каталог Написать в WhatsApp
Мотоэкипировка

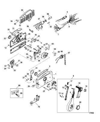
Дистанционное управление-боковое крепление без силовой отделки 2-х тактного ПЛМ MERCURY 25 М Серийный номер от 0N055505 и выше

Дистанционное управление-боковое крепление без силовой отделки 2-х тактного ПЛМ MERCURY 25 М Серийный номер от 0N055505 и выше в Каспийске: актуальный каталог, цены, фото, описание. Купите дистанционное управление-боковое крепление без силовой отделки 2-х тактного плм mercury 25 м серийный номер от 0n055505 и выше в кредит – оформите заявку онлайн за 1 минуту!

Оригинальные запчасти

Артикул НАИМЕНОВАНИЕ Кол-во деталей в узле Примечание Наличие Цена Аналоги Фото
1 881170A9 ДИСТАНЦИОННОЕ УПРАВЛЕНИЕ Электрический пуск – без усилителя дифферента Mercury/Mercruiser

Под заказ

1

Под заказ

уточнить

37 730

Купить
2 170622 DECAL, (F-N-R)

Под заказ

1

Под заказ

уточнить

Купить
3 850731A2 HARNESS ASSEMBLY

Под заказ

1

Под заказ

уточнить

Купить
4 881148T04 Рычаг (HANDLE KT-NONTRIM)

Под заказ

1

Под заказ

уточнить

Купить
5 4007154 Болт (SCREW, M8 x 30)

Под заказ

1

Под заказ

уточнить

Купить
6 16921 BRACKET, Lock Bar Support

Под заказ

1

Под заказ

уточнить

Купить
7 87775510 Болт (SCREW, (M4 x 10))

Под заказ

1

Под заказ

уточнить

Купить
8 881138 Курок машинки г/р (LOCK BAR)

Под заказ

1

Под заказ

уточнить

Купить
9 16924 Пружина (SPRING)

Под заказ

1

Под заказ

уточнить

Купить
10 8811411 Рукоятка (GRIP)

Под заказ

1

Под заказ

уточнить

Купить
11 881146 Заглушка (PLUG)

Под заказ

1

Под заказ

уточнить

Купить
12 881137A1 Заглушка рукоятки машинки г/р (CAP/DECAL ASSEMBLY)

Под заказ

1

Под заказ

уточнить

Купить
13 40118107 SCREW, (M5 x 18)

Под заказ

2

Под заказ

уточнить

Купить
14 16899T Фиксатор рукоятки (HOLDER)

Под заказ

1

Под заказ

уточнить

Купить
15 16917 COVER

Под заказ

1

Под заказ

уточнить

Купить
16 40116110T SCREW

Под заказ

3

Под заказ

уточнить

Купить
17 881145 KNOB, Throttle Friction

Под заказ

1

Под заказ

уточнить

Купить
18 16896 WASHER

Под заказ

1

Под заказ

уточнить

Купить
19 16895 ARM ASSEMBLY, Brake

Под заказ

1

Под заказ

уточнить

Купить
20 16874 Шайба (WASHER)

Под заказ

1

Под заказ

уточнить

Купить
21 13541 Заглушка (PLUG, Male)

Под заказ

0

Под заказ

уточнить

Купить
22 13540 Пластинка (CAP)

Под заказ

0

Под заказ

уточнить

Купить
23 401385 Гайка (NUT-M5 HEX, NYL I)

Под заказ

2

Под заказ

уточнить

Купить
24 16868 Подшипник (BEARING .750 Inside Diameter (.750 ID))

Под заказ

1

Под заказ

уточнить

Купить
25 16870 Шайба (WASHER)

Под заказ

1

Под заказ

уточнить

Купить
26 16873 ROLLER, Cam

Под заказ

1

Под заказ

уточнить

Купить
27 16886 CLIP

Под заказ

1

Под заказ

уточнить

Купить
28 16888 SPRING

Под заказ

1

Под заказ

уточнить

Купить
29 16884 ROLLER

Под заказ

1

Под заказ

уточнить

Купить
30 16883 DRUM ASSEMBLY

Под заказ

1

Под заказ

уточнить

Купить
31 16922 WAVE WASHER

Под заказ

1

Под заказ

уточнить

Купить
32 16887 BEARING, (.810 Inside Diameter) (.810 ID)

Под заказ

1

Под заказ

уточнить

Купить
33 16919A1 LEVER ASSEMBLY

Под заказ

1

Под заказ

уточнить

Купить
34 35280 WASHER, BASE SCREW (1 O.D.)

Под заказ

3

Под заказ

уточнить

Купить
35 401196 Гайка (NUT, (M6))

Под заказ

3

Под заказ

уточнить

Купить
36 17063T Шайба (SPACER)

Под заказ

1

Под заказ

уточнить

Купить
37 71942 BUSHING

Под заказ

1

Под заказ

уточнить

Купить
38 17009A5 Замок зажигания д.накладной машинки (SWITCH ASSY)

В наличии

1

В наличии

4 440

8 090

Купить
39 879755 Гайка (NUT, Special - Black Nylon)

Под заказ

1

Под заказ

уточнить

Купить
40 40056105 SCREW (M5 X 10)

Под заказ

1

Под заказ

уточнить

Купить
41 16879 ROLLER, Detent

Под заказ

1

Под заказ

уточнить

Купить
42 16880 CLIP, Detent

Под заказ

1

Под заказ

уточнить

Купить
43 16882 SPRING, Detent

Под заказ

5

Под заказ

уточнить

Купить
44 17277T Выключатель (SWITCH-NEU SAFETY)

Под заказ

1

Под заказ

уточнить

Купить
45 91941A8 SWITCH ASSEMBLY

Под заказ

1

Под заказ

уточнить

Купить
46 8M0092849 Стропка (LANYARD ASY @2)

Под заказ

1

Под заказ

уточнить

Купить
47 850753A1 Крепление тросов г/р (RIGGING KIT)

Под заказ

1

Под заказ

уточнить

Купить
48 892542A01 INDICATOR, Shift Load Tool

Под заказ

1

Под заказ

уточнить

Купить

Нулевая цена не означает отсутствие товара. Оформите заказ, и менеджер сообщит вам цену и наличие товара, предварительно запросив их у поставщика

Главная Магазины
Корзина0
Профиль