Мы используем cookie для наилучшего представления нашего сайта. Подробнее об этом в Политике конфиденциальности.
Ок

Каспийск

Ваш город:
Каспийск (Республика Дагестан)?
Нет
Да
Каталог
Каталог Написать в WhatsApp
Мотоэкипировка

Компоненты электрического стартера 2-х тактного ПЛМ MERCURY 30 M Серийный номер от 0N001875 до 0N055504

Компоненты электрического стартера 2-х тактного ПЛМ MERCURY 30 M Серийный номер от 0N001875 до 0N055504 в Каспийске: актуальный каталог, цены, фото, описание. Купите компоненты электрического стартера 2-х тактного плм mercury 30 m серийный номер от 0n001875 до 0n055504 в кредит – оформите заявку онлайн за 1 минуту!

Оригинальные запчасти

Артикул НАИМЕНОВАНИЕ Кол-во деталей в узле Примечание Наличие Цена Аналоги Фото
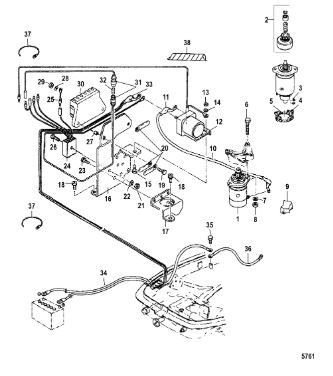
1 853805T04 Стартер (STARTER KIT)

Под заказ

1

Под заказ

уточнить

Купить
2 853805T01 Стартер 25SP-30 2-х тактные (+MOTOR-STARTER BO)

Под заказ

1

Под заказ

уточнить

Купить
3 853806 Бендикс компл. (DRIVE KIT)

Под заказ

1

Под заказ

уточнить

Купить
4 853807 Стычка (BRUSH (POSITIVE))

Под заказ

2

Под заказ

уточнить

Купить
5 8538071 Щетка стартера (BRUSH (NEGATIVE))

Под заказ

1

Под заказ

уточнить

Купить
6 853808 BRUSH HOLDER

Под заказ

1

Под заказ

уточнить

Купить
7 16126 Болт (BOLT, GEAR HOUSING (REAR))

Под заказ

2

Под заказ

уточнить

Купить
8 400213 Гайка

Под заказ

2

Под заказ

уточнить

Купить
9 853819 RUBBER

Под заказ

1

Под заказ

уточнить

Купить
10 8M0069818 GROUND CABLE

Под заказ

1

Под заказ

уточнить

Купить
11 853809T Соленоид (+SOLENOID-START)

Под заказ

1

Под заказ

уточнить

Купить
12 400212 Гайка (NUT)

Под заказ

1

Под заказ

уточнить

Купить
13 16832 Болт M6x16 (BOLT)

Под заказ

1

Под заказ

уточнить

Купить
14 853810 Кронштейн (ELECTRICAL PLATE)

Под заказ

1

Под заказ

уточнить

Купить
15 853817 BRACKET

Под заказ

1

Под заказ

уточнить

Купить
16 953964 BOLT

Под заказ

3

Под заказ

уточнить

Купить
17 16705 BOLT, HEAD

Под заказ

2

Под заказ

уточнить

Купить
18 813275 CLAMP, RECTIFIER (SAIL POWER)

Под заказ

3

Под заказ

уточнить

Купить
19 953963 BOLT

Под заказ

3

Под заказ

уточнить

Купить
20 8538116 Реле регулятор (RECTIFIER)

Под заказ

1

Под заказ

уточнить

Купить
21 803820 Провод заземления (GROUND WIRE)

Под заказ

1

Под заказ

уточнить

Купить
22 853812 Клеммный блок (TERMINAL BLOCK)

Под заказ

1

Под заказ

уточнить

Купить
23 853813A1 Электрокабель с предохранителем (CABLE ASSEMBLY)

Под заказ

1

Под заказ

уточнить

Купить
24 853814 Предохранитель (FUSE)

Под заказ

1

Под заказ

уточнить

Купить
25 853816 BOOT

Под заказ

1

Под заказ

уточнить

Купить
26 853815 BATTERY CORD

Под заказ

1

Под заказ

уточнить

Купить
27 16223 Болт (BOLT)

Под заказ

1

Под заказ

уточнить

Купить
28 8537402 GROUND WIRE

Под заказ

1

Под заказ

уточнить

Купить
29 853818 SPIRAL RAP

Под заказ

1

Под заказ

уточнить

Купить

Нулевая цена не означает отсутствие товара. Оформите заказ, и менеджер сообщит вам цену и наличие товара, предварительно запросив их у поставщика

Главная Магазины
Корзина0
Профиль