Мы используем cookie для наилучшего представления нашего сайта. Подробнее об этом в Политике конфиденциальности.
Ок

Каспийск

Ваш город:
Каспийск (Республика Дагестан)?
Нет
Да
Каталог
Каталог Написать в WhatsApp
Мотоэкипировка

Дополнительные детали для электростартера 2-х тактного ПЛМ MERCURY 30 M Серийный номер от 0N055505 и выше

Дополнительные детали для электростартера 2-х тактного ПЛМ MERCURY 30 M Серийный номер от 0N055505 и выше в Каспийске: актуальный каталог, цены, фото, описание. Купите дополнительные детали для электростартера 2-х тактного плм mercury 30 m серийный номер от 0n055505 и выше в кредит – оформите заявку онлайн за 1 минуту!

Оригинальные запчасти

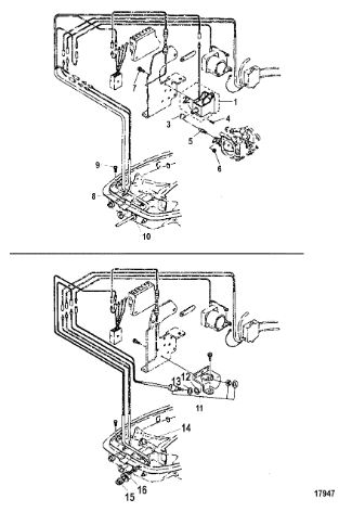
Артикул НАИМЕНОВАНИЕ Кол-во деталей в узле Примечание Наличие Цена Аналоги Фото
1 853829A1 Соленоид (SOLENOID CHOKE)

Под заказ

1

Под заказ

уточнить

Купить
2 853830 Шпилька (PLUNGER)

Под заказ

1

Под заказ

уточнить

Купить
3 853831 Держатель (RETAINER)

Под заказ

1

Под заказ

уточнить

Купить
4 952189 Держатель (DOWEL PIN)

Под заказ

1

Под заказ

уточнить

Купить
5 853832001 Тяга (ROD)

Под заказ

1

Под заказ

уточнить

Купить
6 85372210 Гайка (NUT)

Под заказ

1

Под заказ

уточнить

Купить
7 162454 Болт (SCREW)

Под заказ

3

Под заказ

уточнить

Купить
8 17169 Хомут (CLAMP)

Под заказ

1

Под заказ

уточнить

Купить
9 16827 Болт (SCREW)

Под заказ

1

Под заказ

уточнить

Купить
10 162262 Уплотнитель (GROMMET)

Под заказ

1

Под заказ

уточнить

Купить
11 8M0127937 SWITCH-NEUTRAL

Под заказ

1

Под заказ

уточнить

Купить
12 803842 SPACER

Под заказ

1

Под заказ

уточнить

Купить
13 9539211 WASHER (Electric)

Под заказ

1

Под заказ

уточнить

Купить
14 853823 Пластина (PLATE)

Под заказ

1

Под заказ

уточнить

Купить
15 853820A1 Стоп-кнопка (SWITCH)

Под заказ

1

Под заказ

уточнить

Купить
16 853821 Уплотнитель (PROTECTOR)

Под заказ

1

Под заказ

уточнить

Купить
17 853805T04 Стартер (STARTER KIT)

Под заказ

1

Под заказ

уточнить

Купить

Нулевая цена не означает отсутствие товара. Оформите заказ, и менеджер сообщит вам цену и наличие товара, предварительно запросив их у поставщика

Главная Магазины
Корзина0
Профиль