Мы используем cookie для наилучшего представления нашего сайта. Подробнее об этом в Политике конфиденциальности.
Ок

Каспийск

Ваш город:
Каспийск (Республика Дагестан)?
Нет
Да
Каталог
Каталог Написать в WhatsApp
Мотоэкипировка

Карбюратор 2-Х ТАКТНОГО ПЛМ MERCURY 4 M Серийный номер от 0T894439 и выше

Карбюратор 2-Х ТАКТНОГО ПЛМ MERCURY 4 M Серийный номер от 0T894439 и выше в Каспийске: актуальный каталог, цены, фото, описание. Купите карбюратор 2-х тактного плм mercury 4 m серийный номер от 0t894439 и выше в кредит – оформите заявку онлайн за 1 минуту!

Оригинальные запчасти

Артикул НАИМЕНОВАНИЕ Кол-во деталей в узле Примечание Наличие Цена Аналоги Фото
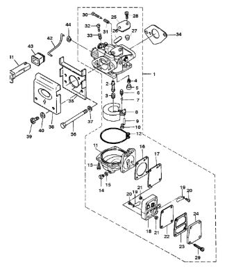
1 16115A03 Набор прокладок (GASKET SET)

Под заказ

N/A

Под заказ

уточнить

Купить
2 855546A1 Рем. набор карбюратора (REPAIR KIT-CARB)

Под заказ

N/A

Под заказ

уточнить

Купить
3 812648T Карбюратор (CARBURETOR)(5 H.P.) mercury

Под заказ

N/A

Под заказ

уточнить

25 460

Купить
4 812647T1 Карбюратор 4 л.с. 2-х тактный (CARBURETOR)

Под заказ

N/A

Под заказ

уточнить

Купить
5 812650 Жиклер (MAIN NOZZLE 5 H.P.)

Под заказ

N/A

Под заказ

уточнить

Купить
6 19249 Жиклер (JET-MAIN)

Под заказ

N/A

Под заказ

уточнить

Купить
7 16251 Жиклер (JET-.052)

Под заказ

N/A

Под заказ

уточнить

Купить
8 162512 Жиклер (JET-.055)

Под заказ

N/A

Под заказ

уточнить

Купить
9 16252 Заглушка (CAP, SLOW JET)

Под заказ

N/A

Под заказ

уточнить

Купить
10 16254 Запорная игла (FLOAT VALVE)

Под заказ

N/A

Под заказ

уточнить

Купить
11 16255 Клипса (CLIP, FLOAT VALVE)

Под заказ

N/A

Под заказ

уточнить

Купить
12 16253 Поплавок карбюратора (FLOAT)

Под заказ

N/A

Под заказ

уточнить

Купить
13 16256 Штифт поплавка карбюратора (ARM PIN, FLOAT)

Под заказ

N/A

Под заказ

уточнить

Купить
14 16257 SCREW, FLOAT

Под заказ

N/A

Под заказ

уточнить

Купить
15 16258 FLOAT BOWL

Под заказ

N/A

Под заказ

уточнить

Купить
16 16259 Уплотнительное кольцо ("O" RING, FLOAT BOWL)

Под заказ

N/A

Под заказ

уточнить

Купить
17 16261 Дренажный болт (DRAIN SCREW)

Под заказ

N/A

Под заказ

уточнить

Купить
18 16262 Прокладка сливного болта (GASKET, DRAIN SCREW)

Под заказ

N/A

Под заказ

уточнить

Купить
19 16326 Прокладка (GASKET)

Под заказ

N/A

Под заказ

уточнить

Купить
20 16325 Дифрагма топливного насоса (DIAPHRAGM)

Под заказ

N/A

Под заказ

уточнить

Купить
21 16268 Корпус топливного насоса (PUMP BODY)

Под заказ

N/A

Под заказ

уточнить

Купить
22 16275 Диафрагма (DIAPHRAGM)

Под заказ

N/A

Под заказ

уточнить

Купить
23 16274 Прокладка (GASKET, PUMP COVER)

Под заказ

N/A

Под заказ

уточнить

Купить
24 16272 Крышка топливного насоса (PUMP COVER)

Под заказ

N/A

Под заказ

уточнить

Купить
25 855540 COVER

Под заказ

N/A

Под заказ

уточнить

Купить
26 855541 GASKET

Под заказ

N/A

Под заказ

уточнить

Купить
27 8555411 Прокладка (GASKET)

Под заказ

N/A

Под заказ

уточнить

Купить
28 16265 Жиклер (SCREW)

Под заказ

N/A

Под заказ

уточнить

Купить
29 812935 Жиклер (SCREW)

Под заказ

N/A

Под заказ

уточнить

Купить
30 16266 Пружина (SPRING, ADJUSTING SCREW)

Под заказ

N/A

Под заказ

уточнить

Купить
31 16263 STOP SCREW

Под заказ

N/A

Под заказ

уточнить

Купить
32 16264 SPRING, STOP SCREW

Под заказ

N/A

Под заказ

уточнить

Купить
33 16327 Прокладка карбюратора (GASKET, CARBURETOR)

Под заказ

N/A

Под заказ

уточнить

Купить
34 16328 BRACKET, BAFFLE PLATE

Под заказ

N/A

Под заказ

уточнить

Купить
35 16818 LOCKWASHER

Под заказ

N/A

Под заказ

уточнить

Купить
36 812936 Крышка воздухозаборника 4-5 л.с. (BAFFLE PLATE)

Под заказ

N/A

Под заказ

уточнить

Купить
37 16335 Шайба (WASHER, STARTER LOCK SCREW)

Под заказ

N/A

Под заказ

уточнить

Купить
38 163312 Рукоятка подсоса 4-5 л.с. 2-х тактные (CHOKE ROD)

Под заказ

N/A

Под заказ

уточнить

Купить
39 827662 Тяга стартера (CHOKE LINK)

Под заказ

N/A

Под заказ

уточнить

Купить
40 163321 Втулка (GROMMET)

Под заказ

N/A

Под заказ

уточнить

Купить
41 16333 Защелка (ROD, Snap)

Под заказ

N/A

Под заказ

уточнить

Купить

Нулевая цена не означает отсутствие товара. Оформите заказ, и менеджер сообщит вам цену и наличие товара, предварительно запросив их у поставщика

Главная Магазины
Корзина0
Профиль