Мы используем cookie для наилучшего представления нашего сайта. Подробнее об этом в Политике конфиденциальности.
Ок

Каспийск

Ваш город:
Каспийск (Республика Дагестан)?
Нет
Да
Каталог
Каталог Написать в WhatsApp
Мотоэкипировка

Дроссельная тяга 2-х тактного ПЛМ MERCURY 40 M Серийный номер от 0N056165 и выше

Дроссельная тяга 2-х тактного ПЛМ MERCURY 40 M Серийный номер от 0N056165 и выше в Каспийске: актуальный каталог, цены, фото, описание. Купите дроссельная тяга 2-х тактного плм mercury 40 m серийный номер от 0n056165 и выше в кредит – оформите заявку онлайн за 1 минуту!

Оригинальные запчасти

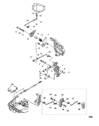
Артикул НАИМЕНОВАНИЕ Кол-во деталей в узле Примечание Наличие Цена Аналоги Фото
1 853742003 ARM, Advancer

Под заказ

1

Под заказ

уточнить

Купить
2 16201 BOLT, SWIVEL BRACKET

Под заказ

1

Под заказ

уточнить

Купить
3 161404 Шайба (WASHER)

Под заказ

2

Под заказ

уточнить

Купить
4 9528612 COLLAR

Под заказ

1

Под заказ

уточнить

Купить
5 16830 Болт (BOLT, DRIVESHAFT HOUSING)

Под заказ

1

Под заказ

уточнить

Купить
6 400212 Гайка (NUT)

Под заказ

1

Под заказ

уточнить

Купить
7 8537501 Кулачок дроссельной заслонки (THROTTLE CAM)

Под заказ

1

Под заказ

уточнить

Купить
8 8537502 THROTTLE CAM

Под заказ

1

Под заказ

уточнить

Купить
9 803156 ADVANCER LEVER

Под заказ

1

Под заказ

уточнить

Купить
10 4000333 Болт (SCREW)

Под заказ

1

Под заказ

уточнить

Купить
11 803157 SPRING-THROTTLE CAM

Под заказ

1

Под заказ

уточнить

Купить
12 9528613 COLLAR

Под заказ

1

Под заказ

уточнить

Купить
13 8M0054756 L-LINK

Под заказ

1

Под заказ

уточнить

Купить
14 8555616 L-LINK

Под заказ

1

Под заказ

уточнить

Купить
15 853745 Наконечник регулировочной тяги (SOCKET)

Под заказ

2

Под заказ

уточнить

Купить
16 163332 Защелка рычага переключения передач (SNAP)

Под заказ

2

Под заказ

уточнить

Купить
17 8M0079131 Ячейка (SOCKET)

Под заказ

1

Под заказ

уточнить

Купить
18 953925 Шайба (WASHER)

Под заказ

1

Под заказ

уточнить

Купить
19 803993 ARM, Throttle Stop (Handle)

Под заказ

1

Под заказ

уточнить

Купить
20 4000330 Болт (SCREW @5)

Под заказ

1

Под заказ

уточнить

Купить
21 16826 Шайба (WASHER@10)

Под заказ

2

Под заказ

уточнить

Купить
22 8M0021168 Втулка (COLLAR)

Под заказ

1

Под заказ

уточнить

Купить
23 803994 S-LINK (Handle)

Под заказ

2

Под заказ

уточнить

Купить

Нулевая цена не означает отсутствие товара. Оформите заказ, и менеджер сообщит вам цену и наличие товара, предварительно запросив их у поставщика

Главная Магазины
Корзина0
Профиль