Мы используем cookie для наилучшего представления нашего сайта. Подробнее об этом в Политике конфиденциальности.
Ок

Каспийск

Ваш город:
Каспийск (Республика Дагестан)?
Нет
Да
Каталог
Каталог Написать в WhatsApp
Мотоэкипировка

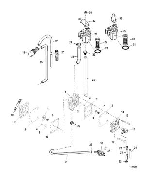
Топливный насос (ручной) 2-х тактного ПЛМ MERCURY 40 M Серийный номер от 0P325500 и выше

Топливный насос (ручной) 2-х тактного ПЛМ MERCURY 40 M Серийный номер от 0P325500 и выше в Каспийске: актуальный каталог, цены, фото, описание. Купите топливный насос (ручной) 2-х тактного плм mercury 40 m серийный номер от 0p325500 и выше в кредит – оформите заявку онлайн за 1 минуту!

Оригинальные запчасти

Артикул НАИМЕНОВАНИЕ Кол-во деталей в узле Примечание Наличие Цена Аналоги Фото
1 14360A78 Топливный насос (PUMP KIT-FUEL)

Под заказ

1

Под заказ

уточнить

Купить
2 857005A1 Ремкомплект бензонасоса Mercury - DIAPHRAM KIT QUICKSILVER

Под заказ

2

Под заказ

уточнить

4 820

Купить
3 987691 Прокладка (GASKET)

Под заказ

1

Под заказ

уточнить

Купить
4 144303 BASE, FUEL PUMP

Под заказ

1

Под заказ

уточнить

Купить
5 987752 PLATE

Под заказ

1

Под заказ

уточнить

Купить
6 82104540 SCREW-FUEL PUMP (M5 X 40)

Под заказ

2

Под заказ

уточнить

Купить
7 82130050 SCREW-PUMP TO BLOCK (M6 X 50)

Под заказ

2

Под заказ

уточнить

Купить
8 433351 Коннектор (CONNECTOR)

Под заказ

1

Под заказ

уточнить

Купить
9 858763 Груша подкачки (PRIMER BULB)

Под заказ

1

Под заказ

уточнить

Купить
10 892024122 Шланг обратного клапана (TUBING-20 FEET)

Под заказ

2

Под заказ

уточнить

Купить
11 82538115 SLEEVE (1/2 X 5 IN.)

Под заказ

1

Под заказ

уточнить

Купить
12 892038 HOSE, Molded

Под заказ

1

Под заказ

уточнить

Купить
13 9912878 Шланг (TUBING (1-1/2 IN.))

Под заказ

1

Под заказ

уточнить

Купить
14 8507051 INSULATOR

Под заказ

1

Под заказ

уточнить

Купить
15 892040 Шланг (HOSE, Molded)

Под заказ

1

Под заказ

уточнить

Купить
16 889527T02 Фильтр топливный (FUEL FILTER)

Под заказ

1

Под заказ

уточнить

Купить
17 896375Q01 Фильтр топливный (FILTER-FUEL @2)

Под заказ

1

Под заказ

уточнить

Купить
18 896375K01 Фильтр (FILTER KIT)

Под заказ

1

Под заказ

уточнить

Купить
19 98277001 Сальник топливного фильтра (SEAL - FUEL FILTER)

Под заказ

1

Под заказ

уточнить

Купить
20 8M0063726 Фильтр топливный (FILTER ASSY-FUEL)

Под заказ

1

Под заказ

уточнить

Купить
21 87946Q04 Элемент топливного фильтра (FILTER-FUEL @2)

Под заказ

1

Под заказ

уточнить

Купить
22 87946K04 Топливный фильтр (FILTER KIT, Fuel)

Под заказ

1

Под заказ

уточнить

Купить
23 897536 Уплотнительное кольцо (O RING@10)

Под заказ

1

Под заказ

уточнить

Купить
24 889625002 BRACKET

Под заказ

1

Под заказ

уточнить

Купить
25 822387 BRACKET

Под заказ

1

Под заказ

уточнить

Купить
26 401366 Гайка (NUT, (M6))

Под заказ

1

Под заказ

уточнить

Купить
27 892236 HOSE, Molded

Под заказ

1

Под заказ

уточнить

Купить
28 892037 HOSE, Molded

Под заказ

1

Под заказ

уточнить

Купить
29 816856T01 Топливный коннектор (CONNECTOR-FUEL)

Под заказ

1

Под заказ

уточнить

Купить
30 4000332 SCREW, ADAPTOR TO BOTTOM COWL (35MM)

Под заказ

1

Под заказ

уточнить

Купить
31 822420A94 Набор прокладок 30/40 дв. блок (GASKET SET)

Под заказ

1

Под заказ

уточнить

Купить
32 808569T02 Двигательный блок в сборе (PWHD 30/40 2ST)

Под заказ

1

Под заказ

уточнить

Купить

Нулевая цена не означает отсутствие товара. Оформите заказ, и менеджер сообщит вам цену и наличие товара, предварительно запросив их у поставщика

Главная Магазины
Корзина0
Профиль