Мы используем cookie для наилучшего представления нашего сайта. Подробнее об этом в Политике конфиденциальности.
Ок

Каспийск

Ваш город:
Каспийск (Республика Дагестан)?
Нет
Да
Каталог
Каталог Написать в WhatsApp
Мотоэкипировка

Нагреватель коллектора 2-х тактного ПЛМ MERCURY 40 M Серийный номер от 0T980000 до 0T999999

Нагреватель коллектора 2-х тактного ПЛМ MERCURY 40 M Серийный номер от 0T980000 до 0T999999 в Каспийске: актуальный каталог, цены, фото, описание. Купите нагреватель коллектора 2-х тактного плм mercury 40 m серийный номер от 0t980000 до 0t999999 в кредит – оформите заявку онлайн за 1 минуту!

Оригинальные запчасти

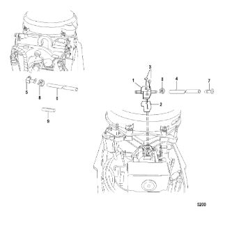
Артикул НАИМЕНОВАНИЕ Кол-во деталей в узле Примечание Наличие Цена Аналоги Фото
1 828155A1 HEATER MANIFOLD

Под заказ

1

Под заказ

уточнить

Купить
2 826138 GASKET

Под заказ

1

Под заказ

уточнить

Купить
3 20597 SCREW

Под заказ

2

Под заказ

уточнить

Купить
4 33373001 ELBOW, 90 Degree

Под заказ

1

Под заказ

уточнить

Купить
5 9912878 Шланг (TUBING (1-1/2 IN.))

Под заказ

1

Под заказ

уточнить

Купить
6 828167 Фиттинг (FITTING)

Под заказ

1

Под заказ

уточнить

Купить
7 15026 CAP, ELBOW (YELLOW)

Под заказ

2

Под заказ

уточнить

Купить

Нулевая цена не означает отсутствие товара. Оформите заказ, и менеджер сообщит вам цену и наличие товара, предварительно запросив их у поставщика

Главная Магазины
Корзина0
Профиль