Мы используем cookie для наилучшего представления нашего сайта. Подробнее об этом в Политике конфиденциальности.
Ок

Каспийск

Ваш город:
Каспийск (Республика Дагестан)?
Нет
Да
Каталог
Каталог Написать в WhatsApp
Мотоэкипировка

Триммер (Часть 2) 2-х тактного ПЛМ MERCURY 40 M Серийный номер от 1B000001 и выше

Триммер (Часть 2) 2-х тактного ПЛМ MERCURY 40 M Серийный номер от 1B000001 и выше в Каспийске: актуальный каталог, цены, фото, описание. Купите триммер (часть 2) 2-х тактного плм mercury 40 m серийный номер от 1b000001 и выше в кредит – оформите заявку онлайн за 1 минуту!

Оригинальные запчасти

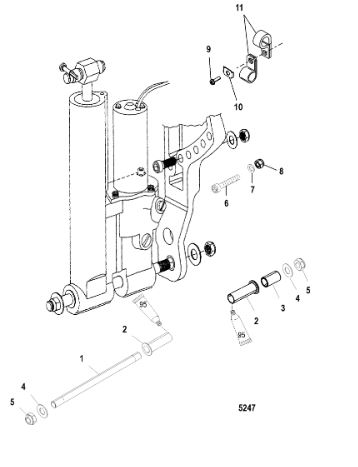
Артикул НАИМЕНОВАНИЕ Кол-во деталей в узле Примечание Наличие Цена Аналоги Фото
1 822481001 Шпонка (PIN, (14 mm), Anchor)

Под заказ

1

Под заказ

уточнить

Купить
2 822482 Втулка (BUSHING)

Под заказ

2

Под заказ

уточнить

Купить
3 822484 Втулка (BUSHING)

Под заказ

2

Под заказ

уточнить

Купить
4 825190 Шайба (WASHER)

Под заказ

2

Под заказ

уточнить

Купить
5 826712 Гайка (NUT @2)

Под заказ

2

Под заказ

уточнить

Купить
6 4009040 SCREW (M10 X 40)

Под заказ

2

Под заказ

уточнить

Купить
7 4002319 Шайба (WASHER@3)

Под заказ

2

Под заказ

уточнить

Купить
8 40140 Гайка М10 (NUT @2)

Под заказ

2

Под заказ

уточнить

Купить
9 878609 Болт (SCREW, (#10-16 x .600))

Под заказ

1

Под заказ

уточнить

Купить
10 8M0084613 WASHER

Под заказ

1

Под заказ

уточнить

Купить
11 22740 CLIP

Под заказ

2

Под заказ

уточнить

Купить

Нулевая цена не означает отсутствие товара. Оформите заказ, и менеджер сообщит вам цену и наличие товара, предварительно запросив их у поставщика

Главная Магазины
Корзина0
Профиль