Мы используем cookie для наилучшего представления нашего сайта. Подробнее об этом в Политике конфиденциальности.
Ок

Каспийск

Ваш город:
Каспийск (Республика Дагестан)?
Нет
Да
Каталог
Каталог Написать в WhatsApp
Мотоэкипировка

Блок цилиндров и термостат 2-х тактного ПЛМ MERCURY 40 M Серийный номер от 8064750 и выше

Блок цилиндров и термостат 2-х тактного ПЛМ MERCURY 40 M Серийный номер от 8064750 и выше в Каспийске: актуальный каталог, цены, фото, описание. Купите блок цилиндров и термостат 2-х тактного плм mercury 40 m серийный номер от 8064750 и выше в кредит – оформите заявку онлайн за 1 минуту!

Оригинальные запчасти

Артикул НАИМЕНОВАНИЕ Кол-во деталей в узле Примечание Наличие Цена Аналоги Фото
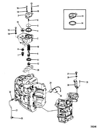
1 7940A6 CYLINDER BLOCK/CRANKCASE

Под заказ

1

Под заказ

уточнить

Купить
2 66843T BRACKET, COIL MOUNTING

Под заказ

1

Под заказ

уточнить

Купить
3 648771 Диафрагма (DIAPHRAGM)

Под заказ

1

Под заказ

уточнить

Купить
4 76451 WASHER, DIAPHRAGM SCREW - (OLD DESIGN)

Под заказ

1

Под заказ

уточнить

Купить
5 69570 SCREW, COVER

Под заказ

1

Под заказ

уточнить

Купить
6 75692 Термостат (THERMOSTAT-143)

Под заказ

1

Под заказ

уточнить

Купить
7 62386001 Прокладка (GASKET @4)

Под заказ

1

Под заказ

уточнить

Купить
8 86596 POPPET VALVE

Под заказ

1

Под заказ

уточнить

Купить
9 66852 SPRING, COMPRESSION - POPPET RELIEF VALVE

Под заказ

1

Под заказ

уточнить

Купить
10 65848 CARRIER, POPPET VALVE

Под заказ

1

Под заказ

уточнить

Купить
11 64872 Заглушка (GROMMET, POPPET VALVE)

Под заказ

1

Под заказ

уточнить

Купить
12 99436A1 COVER ASSEMBLY, COIL BRACKET

Под заказ

1

Под заказ

уточнить

Купить
13 823683 Уплотнительное кольцо (O-RING)

Под заказ

1

Под заказ

уточнить

Купить
14 88760 SCREW, STARTER HOUSING TO BLOCK (1-1/4")

Под заказ

1

Под заказ

уточнить

Купить
15 58414 SCRWE, INDICATOR TO STARTER COVER

Под заказ

1

Под заказ

уточнить

Купить
16 26993 Шайба (LOCKWASHER@5)

Под заказ

3

Под заказ

уточнить

Купить
17 39597 GROMMET, STARTER HOUSING

Под заказ

1

Под заказ

уточнить

Купить
18 66847 GASKET, COIL MOUNTING BRACKET TO BLOCK

Под заказ

1

Под заказ

уточнить

Купить
19 9938779 HOSE, CYLINDER BLEED (11")

Под заказ

1

Под заказ

уточнить

Купить
20 42866 CHECK VALVE, BLEED HOSE-TOP

Под заказ

1

Под заказ

уточнить

Купить
21 42863 CHECK VALVE, BLEED - CRANKCASE (BOTTOM)

Под заказ

1

Под заказ

уточнить

Купить
22 58124A17 SWITCH ASSEMBLY, MERCURY

Под заказ

1

Под заказ

уточнить

Купить
23 58124A27 SWITCH ASSEMBLY (BULLET CONNECTORS)

Под заказ

1

Под заказ

уточнить

Купить
24 48409 SCREW, TERMINAL BLOCK MARINER

Под заказ

1

Под заказ

уточнить

Купить
25 76184 INDICATOR, TIMING

Под заказ

1

Под заказ

уточнить

Купить
26 25299 SCREW, RETAINER TO TOP COWL MARINER

Под заказ

1

Под заказ

уточнить

Купить
27 20084 WASHER, ADAPTOR SCREW

Под заказ

1

Под заказ

уточнить

Купить
28 29908 PIN, DRIVEN PULLEY

Под заказ

1

Под заказ

уточнить

Купить
29 78028A78 GASKET SET

Под заказ

1

Под заказ

уточнить

Купить

Нулевая цена не означает отсутствие товара. Оформите заказ, и менеджер сообщит вам цену и наличие товара, предварительно запросив их у поставщика

Главная Магазины
Корзина0
Профиль