Мы используем cookie для наилучшего представления нашего сайта. Подробнее об этом в Политике конфиденциальности.
Ок

Каспийск

Ваш город:
Каспийск (Республика Дагестан)?
Нет
Да
Каталог
Каталог Написать в WhatsApp
Мотоэкипировка

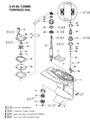
Корпус редуктора (приводной вал) (2.00: 1 передаточное число) 2-х тактного ПЛМ MERCURY 40 M Серийный номер от 9854537 до 0P016999

Корпус редуктора (приводной вал) (2.00: 1 передаточное число) 2-х тактного ПЛМ MERCURY 40 M Серийный номер от 9854537 до 0P016999 в Каспийске: актуальный каталог, цены, фото, описание. Купите корпус редуктора (приводной вал) (2.00: 1 передаточное число) 2-х тактного плм mercury 40 m серийный номер от 9854537 до 0p016999 в кредит – оформите заявку онлайн за 1 минуту!

Оригинальные запчасти

Артикул НАИМЕНОВАНИЕ Кол-во деталей в узле Примечание Наличие Цена Аналоги Фото
1 821306T8 Редуктор в сборе (GEAR HSG-SHORT-BL)

Под заказ

1

Под заказ

уточнить

Купить
2 821306T6 Редуктор в сборе (GEAR HSG-L-BLACK)

Под заказ

1

Под заказ

уточнить

Купить
3 821306A10 GEAR HOUSING

Под заказ

1

Под заказ

уточнить

Купить
4 821306T9 GEAR HSG-SHORT-GR

Под заказ

1

Под заказ

уточнить

Купить
5 821306T7 GEAR HSG-L-GRAY

Под заказ

1

Под заказ

уточнить

Купить
6 821306A11 GEAR HOUSING

Под заказ

1

Под заказ

уточнить

Купить
7 821306T12 Корпус редуктора (GEAR HSG-BASIC-BL)

Под заказ

1

Под заказ

уточнить

Купить
8 821306T13 GEAR HOUSING

Под заказ

1

Под заказ

уточнить

Купить
9 818226A1 Пластина (PLATE KIT-FILLER)

Под заказ

1

Под заказ

уточнить

Купить
10 79953Q04 Болт дренажный 0.375-16х0.25 (SCREW KIT @2)

Под заказ

1

Под заказ

уточнить

Купить
11 191833 Прокладка дренажного болта редуктора F80

Под заказ

1

Под заказ

уточнить

Купить
12 8M0058389 Болт (SCREW KIT @2)

Под заказ

1

Под заказ

уточнить

Купить
13 55910 Гайка (NUT @5)

Под заказ

1

Под заказ

уточнить

Купить
14 821326T1 Шестерня (GEAR-PINION)

Под заказ

1

Под заказ

уточнить

Купить
15 821321A2 Подшипник конусный (BEARING KIT)

Под заказ

1

Под заказ

уточнить

Купить
16 821351A3 Корпус крыльчатки (HOUSING-UPPER W/P)

Под заказ

1

Под заказ

уточнить

Купить
17 8235471 Трубка гидрозатвора (SEAL-WATER TUBE)

Под заказ

1

Под заказ

уточнить

Купить
18 8M0032838 Штифт (KEY @5)

Под заказ

1

Под заказ

уточнить

Купить
19 866451 Шайба (WASHER)

Под заказ

1

Под заказ

уточнить

Купить
20 822189 Прокладка (GASKET)

Под заказ

1

Под заказ

уточнить

Купить
21 822217 Прокладка (GASKET)

Под заказ

1

Под заказ

уточнить

Купить
22 8213542 Зеркало помпы (FACEPLATE)

Под заказ

1

Под заказ

уточнить

Купить
23 8508910 Крыльчатка водяного насоса (IMPELLER-WATER PU)

Под заказ

1

Под заказ

уточнить

Купить
24 821307A2 Основание водной помпы (BASE KIT-W/P)

Под заказ

1

Под заказ

уточнить

Купить
25 821309 Сальник (SEAL)

Под заказ

1

Под заказ

уточнить

Купить
26 821310 Сальник (SEAL)

Под заказ

1

Под заказ

уточнить

Купить
27 821308 Уплотнительное кольцо (O RING)

Под заказ

1

Под заказ

уточнить

Купить
28 821311 Шариковый подшипник (BEARING-BALL)

Под заказ

1

Под заказ

уточнить

Купить
29 822466A1 Приводной вал (D'SHAFT ASSY-15IN)

Под заказ

1

Под заказ

уточнить

Купить
30 822159T1 Приводной вал (D'SHAFT ASSY-LONG)

Под заказ

1

Под заказ

уточнить

Купить
31 822552A1 Вал приводной 22,5 дюйма LL (DRIVESHAFT)

Под заказ

1

Под заказ

уточнить

Купить
32 400212 Гайка (NUT)

Под заказ

1

Под заказ

уточнить

Купить
33 823548T CABLE TIE

Под заказ

1

Под заказ

уточнить

Купить
34 822158 Уплотнитель (BOOT-SHIFT SHAFT)

Под заказ

1

Под заказ

уточнить

Купить
35 821827 Корпус с сальником штока (RETAINER-SHIFT)

Под заказ

1

Под заказ

уточнить

Купить
36 26855 Уплотнительное кольцо резиновое (O RING @4)

Под заказ

1

Под заказ

уточнить

Купить
37 85594 Уплотнительное кольцо резиновое (O RING@5)

Под заказ

1

Под заказ

уточнить

Купить
38 814803 Шайба (WASHER)

Под заказ

1

Под заказ

уточнить

Купить
39 822453A1 Приводной вал (SHAFT ASY-S-SHIFT)

Под заказ

1

Под заказ

уточнить

Купить
40 821319A1 SHIFT SHAFT

Под заказ

1

Под заказ

уточнить

Купить
41 822543A1 SHIFT SHAFT

Под заказ

1

Под заказ

уточнить

Купить
42 29245 Шайба (WASHER @10)

Под заказ

1

Под заказ

уточнить

Купить
43 85593 Шпонка (PIN-ROLL)

Под заказ

1

Под заказ

уточнить

Купить
44 8213161 Кулачок (CAM-SHIFT)

Под заказ

1

Под заказ

уточнить

Купить
45 822369 Шпонка (PIN-COIL)

Под заказ

1

Под заказ

уточнить

Купить
46 822420A94 Набор прокладок 30/40 дв. блок (GASKET SET)

Под заказ

1

Под заказ

уточнить

Купить
47 823547A2 Комплект сальников (SEAL KIT-GEAR HSG)

Под заказ

1

Под заказ

уточнить

Купить
48 821354A2 Ремкомплект помпы (REPAIR KIT-W/P)

Под заказ

1

Под заказ

уточнить

Купить

Нулевая цена не означает отсутствие товара. Оформите заказ, и менеджер сообщит вам цену и наличие товара, предварительно запросив их у поставщика

Главная Магазины
Корзина0
Профиль