Мы используем cookie для наилучшего представления нашего сайта. Подробнее об этом в Политике конфиденциальности.
Ок

Каспийск

Ваш город:
Каспийск (Республика Дагестан)?
Нет
Да
Каталог
Каталог Написать в WhatsApp
Мотоэкипировка

Блок цилиндров, коленчатый вал, поршень 2-х тактного ПЛМ MERCURY 5 M Серийный номер от 0G710613 до 0T894438

Блок цилиндров, коленчатый вал, поршень 2-х тактного ПЛМ MERCURY 5 M Серийный номер от 0G710613 до 0T894438 в Каспийске: актуальный каталог, цены, фото, описание. Купите блок цилиндров, коленчатый вал, поршень 2-х тактного плм mercury 5 m серийный номер от 0g710613 до 0t894438 в кредит – оформите заявку онлайн за 1 минуту!

Оригинальные запчасти

Артикул НАИМЕНОВАНИЕ Кол-во деталей в узле Примечание Наличие Цена Аналоги Фото
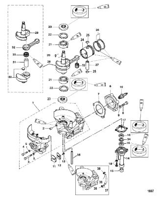
1 815013A5 Блок цилиндров 4-5 2-х такт.(CYLINDER BLOCK)

Под заказ

1

Под заказ

уточнить

Купить
2 16818 LOCKWASHER

Под заказ

6

Под заказ

уточнить

Купить
3 96301 CYLINDER HEAD

Под заказ

1

Под заказ

уточнить

Купить
4 812939015 Прокладка (GASKET)

Под заказ

1

Под заказ

уточнить

Купить
5 16126 Болт (BOLT, GEAR HOUSING (REAR))

Под заказ

5

Под заказ

уточнить

Купить
6 16706 Лепестковый клапан (REED VALVE)

Под заказ

1

Под заказ

уточнить

Купить
7 16707 Упор лепесткового клапана (STOP-REED)

Под заказ

1

Под заказ

уточнить

Купить
8 17666 Упор лепесткового клапана (STOP-REED)

Под заказ

1

Под заказ

уточнить

Купить
9 8150162 HOUSING-OIL SEAL

Под заказ

1

Под заказ

уточнить

Купить
10 815017 BUSHLNG

Под заказ

1

Под заказ

уточнить

Купить
11 167051 Болт (BOLT)

Под заказ

2

Под заказ

уточнить

Купить
12 16053 Шпонка (KEY)

Под заказ

1

Под заказ

уточнить

Купить
13 8537122 Упорное кольцо (THRUST PLATE)

Под заказ

2

Под заказ

уточнить

Купить
14 9615T PISTON

Под заказ

1

Под заказ

уточнить

Купить
15 8M0103756 Поршень ремонт. 0,5мм в сборе 4-5 2т.(PISTON ASSY)

Под заказ

0

Под заказ

уточнить

Купить
16 8M0080356 Кольца поршневые (RING-PISTON)

Под заказ

0

Под заказ

уточнить

Купить
17 898101918 Поршневой палец (PIN-PISTON)

Под заказ

1

Под заказ

уточнить

Купить
18 879147T15 Коленвал 4-5 2т (CRANKSHAFT BOXA15)

Под заказ

1

Под заказ

уточнить

Купить
19 813046 Шпонка (CRANK PIN)

Под заказ

1

Под заказ

уточнить

Купить
20 813047 Шатун в сборе (CONN ROD ASSY)

Под заказ

1

Под заказ

уточнить

Купить
21 813048 Подшипник (BEARING)

Под заказ

1

Под заказ

уточнить

Купить
22 815018 Втулка (SPACER)

Под заказ

1

Под заказ

уточнить

Купить
23 823976 Контрольный шланг (TELLTALE HOSE)

Под заказ

1

Под заказ

уточнить

Купить
24 8M0057112 HOSE

Под заказ

1

Под заказ

уточнить

Купить
25 16115A03 Набор прокладок (GASKET SET)

Под заказ

1

Под заказ

уточнить

Купить
26 815040T05 PH 4 2S

Под заказ

1

Под заказ

уточнить

Купить
27 815042T04 Двигательный блок (POWERHEAD)

Под заказ

1

Под заказ

уточнить

Купить

Нулевая цена не означает отсутствие товара. Оформите заказ, и менеджер сообщит вам цену и наличие товара, предварительно запросив их у поставщика

Главная Магазины
Корзина0
Профиль