Мы используем cookie для наилучшего представления нашего сайта. Подробнее об этом в Политике конфиденциальности.
Ок

Каспийск

Ваш город:
Каспийск (Республика Дагестан)?
Нет
Да
Каталог
Каталог Написать в WhatsApp
Мотоэкипировка

Электрические компоненты (длинные-S/N-0C160936 & Up) 2-х тактного ПЛМ MERCURY 50EO Серийный номер от 0A721308 и выше

Электрические компоненты (длинные-S/N-0C160936 & Up) 2-х тактного ПЛМ MERCURY 50EO Серийный номер от 0A721308 и выше в Каспийске: актуальный каталог, цены, фото, описание. Купите электрические компоненты (длинные-s/n-0c160936 & up) 2-х тактного плм mercury 50eo серийный номер от 0a721308 и выше в кредит – оформите заявку онлайн за 1 минуту!

Оригинальные запчасти

Артикул НАИМЕНОВАНИЕ Кол-во деталей в узле Примечание Наличие Цена Аналоги Фото
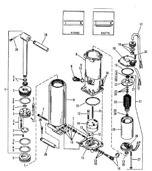
1 813427 SHOCK ROD ASSEMBLY KIT

Под заказ

1

Под заказ

уточнить

Купить
2 813428 CYLINDER END CAP ASSEMBLY

Под заказ

1

Под заказ

уточнить

Купить
3 813429 SHOCK PISTON ASSEMBLY

Под заказ

1

Под заказ

уточнить

Купить
4 813432A1 CYLINDER REBUILD KIT

Под заказ

1

Под заказ

уточнить

Купить
5 813430A1 MEMORY PISTON KIT (SEE FOOTNOTE & ILLUSTRATION)

Под заказ

1

Под заказ

уточнить

Купить
6 810776 MEMORY PISTON KIT

Под заказ

1

Под заказ

уточнить

Купить
7 810777 CYLINDER KIT

Под заказ

1

Под заказ

уточнить

Купить
8 893919A01 SCREW/SEAL KIT

Под заказ

1

Под заказ

уточнить

Купить
9 813434A1 RESERVOIR

Под заказ

1

Под заказ

уточнить

Купить
10 8134351 Пробка (PLUG)

Под заказ

1

Под заказ

уточнить

Купить
11 813436 SCREW KIT, 4 Pieces

Под заказ

1

Под заказ

уточнить

Купить
12 813437 DRIVESHAFT

Под заказ

1

Под заказ

уточнить

Купить
13 813438 SCREW AND DOWEL PIN KIT

Под заказ

1

Под заказ

уточнить

Купить
14 813439A3 O RING KIT

Под заказ

1

Под заказ

уточнить

Купить
15 811227 PUMP

Под заказ

1

Под заказ

уточнить

Купить
16 813441 MANIFOLD ASSEMBLY

Под заказ

1

Под заказ

уточнить

Купить
17 893929A01 Клапан (VALVE KIT-RELIEF)

Под заказ

1

Под заказ

уточнить

Купить
18 811698 HARNESS ASSEMBLY

Под заказ

1

Под заказ

уточнить

Купить
19 813444 BEZEL KIT

Под заказ

1

Под заказ

уточнить

Купить
20 813445 CAP KIT, Reservoir

Под заказ

1

Под заказ

уточнить

Купить
21 813446 SCREW

Под заказ

1

Под заказ

уточнить

Купить
22 813447 MOTOR KIT

Под заказ

1

Под заказ

уточнить

Купить
23 813448 END CAP

Под заказ

1

Под заказ

уточнить

Купить
24 813449A1 ARMATURE

Под заказ

1

Под заказ

уточнить

Купить
25 813450 THRUST WASHER KIT

Под заказ

1

Под заказ

уточнить

Купить
26 813451 SHELL AND MAGNET KIT

Под заказ

1

Под заказ

уточнить

Купить
27 813452 END FRAME KIT

Под заказ

1

Под заказ

уточнить

Купить
28 813453 BOLT AND NUT KIT

Под заказ

1

Под заказ

уточнить

Купить
29 19607 PIN, Cylinder Mount

Под заказ

2

Под заказ

уточнить

Купить
30 821539 Шпонка (PIN-TRILOBE)

Под заказ

2

Под заказ

уточнить

Купить
31 19686 BRACKET

Под заказ

1

Под заказ

уточнить

Купить
32 19758A3 HARNESS ASSEMBLY

Под заказ

1

Под заказ

уточнить

Купить
33 18211 RELAY SWITCH

Под заказ

2

Под заказ

уточнить

Купить
34 20401 SCREW, (.190-24 x .38)

Под заказ

2

Под заказ

уточнить

Купить
35 854472A3 POWER TRIM KIT

Под заказ

1

Под заказ

уточнить

Купить

Нулевая цена не означает отсутствие товара. Оформите заказ, и менеджер сообщит вам цену и наличие товара, предварительно запросив их у поставщика

Главная Магазины
Корзина0
Профиль