Мы используем cookie для наилучшего представления нашего сайта. Подробнее об этом в Политике конфиденциальности.
Ок

Каспийск

Ваш город:
Каспийск (Республика Дагестан)?
Нет
Да
Каталог
Каталог Написать в WhatsApp
Мотоэкипировка

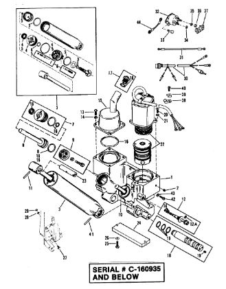
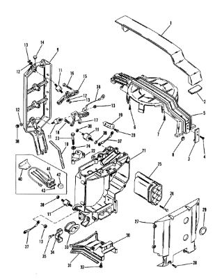
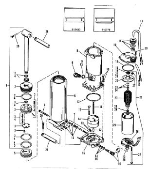
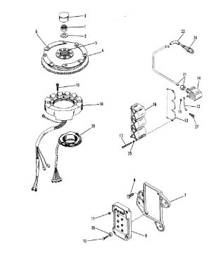
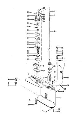
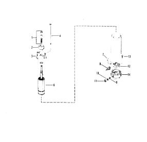
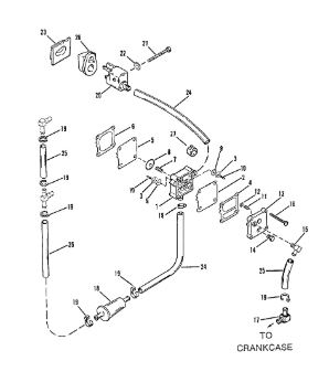
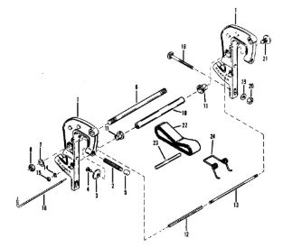
Запчасти для 2-х тактного ПЛМ MERCURY 50EO Серийный номер от 0B122930 до 0D000749

Запчасти для 2-х тактного ПЛМ MERCURY 50EO Серийный номер от 0B122930 до 0D000749 в Каспийске: актуальный каталог, цены, фото, описание. Купите запчасти для 2-х тактного плм mercury 50eo серийный номер от 0b122930 до 0d000749 в кредит – оформите заявку онлайн за 1 минуту!
Для ускорения поиска, Ты можешь ввести здесь часть названия детали, например «Поршень»

On-line каталоги

Главная Магазины
Корзина0
Профиль