Мы используем cookie для наилучшего представления нашего сайта. Подробнее об этом в Политике конфиденциальности.
Ок

Каспийск

Ваш город:
Каспийск (Республика Дагестан)?
Нет
Да
Каталог
Каталог Написать в WhatsApp
Мотоэкипировка

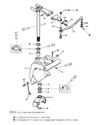
Поворотный кронштейн 2-Х ТАКТНОГО ПЛМ MERCURY 50EO Серийный номер от 0G290585 до 0G589999

Поворотный кронштейн 2-Х ТАКТНОГО ПЛМ MERCURY 50EO Серийный номер от 0G290585 до 0G589999 в Каспийске: актуальный каталог, цены, фото, описание. Купите поворотный кронштейн 2-х тактного плм mercury 50eo серийный номер от 0g290585 до 0g589999 в кредит – оформите заявку онлайн за 1 минуту!

Оригинальные запчасти

Артикул НАИМЕНОВАНИЕ Кол-во деталей в узле Примечание Наличие Цена Аналоги Фото
1 8M0084208 BRKT-SWIVEL-BLACK

Под заказ

1

Под заказ

уточнить

Купить
2 822864A2 SWIVEL BRACKET

Под заказ

1

Под заказ

уточнить

Купить
3 822863A1 SWIVEL BRACKET

Под заказ

1

Под заказ

уточнить

Купить
4 822863A2 SWIVEL BRACKET

Под заказ

1

Под заказ

уточнить

Купить
5 822863A3 SWIVEL BRACKET

Под заказ

1

Под заказ

уточнить

Купить
6 821124 Подшипник

Под заказ

2

Под заказ

уточнить

Купить
7 32911 Сальник

Под заказ

2

Под заказ

уточнить

Купить
8 19606 BEARING

Под заказ

2

Под заказ

уточнить

Купить
9 74036 Смазочный фиттинг (GREASE FITTING - EARLY STYLE)

Под заказ

3

Под заказ

уточнить

Купить
10 52865 Шайба

Под заказ

1

Под заказ

уточнить

Купить
11 19654T1 Нижний кронштейн поворотной штанги (BOTTOM YOKE)

Под заказ

1

Под заказ

уточнить

Купить
12 19654T7 ORD 19654T 1

Под заказ

1

Под заказ

уточнить

Купить
13 19654F1 BOTTOM YOKE

Под заказ

1

Под заказ

уточнить

Купить
14 77415 Стопор (RETIANING RING, BOTTOM YOKE)

Под заказ

1

Под заказ

уточнить

Купить
15 812897A19 Поворотный стержень (SWIVEL PIN)

Под заказ

1

Под заказ

уточнить

Купить
16 812897A20 ORD 17-812897A19

Под заказ

1

Под заказ

уточнить

Купить
17 812896A22 SWIVEL PIN

Под заказ

1

Под заказ

уточнить

Купить
18 812896A23 SWIVEL PIN-GR-LG

Под заказ

1

Под заказ

уточнить

Купить
19 812896A16 SWIVEL PIN

Под заказ

1

Под заказ

уточнить

Купить
20 8219871 PIN-CO-PILOT

Под заказ

1

Под заказ

уточнить

Купить
21 893696 BRACKET

Под заказ

1

Под заказ

уточнить

Купить
22 8M0009820 Шайба-проставка (TAB WASHER)

Под заказ

1

Под заказ

уточнить

Купить
23 4000377 Болт (SCREW)

Под заказ

2

Под заказ

уточнить

Купить
24 19608A14 Рулевой комплект (Steering kit)

Под заказ

1

Под заказ

уточнить

Купить
25 19609A6 Рулевой комплект (Steering kit)

Под заказ

1

Под заказ

уточнить

Купить
26 823919 Болт (SCREW@5)

Под заказ

1

Под заказ

уточнить

Купить
27 71970 Шайба (WASHER)

Под заказ

1

Под заказ

уточнить

Купить
28 826709113 Гайка (NUT-.375-24 NYL I)

Под заказ

2

Под заказ

уточнить

Купить
29 37828 Шайба (WASHER)

Под заказ

2

Под заказ

уточнить

Купить
30 823876 PIN, Handle

Под заказ

1

Под заказ

уточнить

Купить
31 88238A10 Кабель (CABLE ASSY)

Под заказ

1

Под заказ

уточнить

Купить
32 41508 SCREW

Под заказ

1

Под заказ

уточнить

Купить

Нулевая цена не означает отсутствие товара. Оформите заказ, и менеджер сообщит вам цену и наличие товара, предварительно запросив их у поставщика

Главная Магазины
Корзина0
Профиль