Мы используем cookie для наилучшего представления нашего сайта. Подробнее об этом в Политике конфиденциальности.
Ок

Каспийск

Ваш город:
Каспийск (Республика Дагестан)?
Нет
Да
Каталог
Каталог Написать в WhatsApp
Мотоэкипировка

Низ капота 2-Х ТАКТНОГО ПЛМ MERCURY 50EO Серийный номер от 0G590000 до 0G760299

Низ капота 2-Х ТАКТНОГО ПЛМ MERCURY 50EO Серийный номер от 0G590000 до 0G760299 в Каспийске: актуальный каталог, цены, фото, описание. Купите низ капота 2-х тактного плм mercury 50eo серийный номер от 0g590000 до 0g760299 в кредит – оформите заявку онлайн за 1 минуту!

Оригинальные запчасти

Артикул НАИМЕНОВАНИЕ Кол-во деталей в узле Примечание Наличие Цена Аналоги Фото
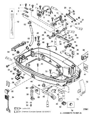
1 824992 SPRING-DETENT

Под заказ

1

Под заказ

уточнить

Купить
2 824993 SPRING-BACKING

Под заказ

2

Под заказ

уточнить

Купить
3 824994 SPRING, Plate

Под заказ

1

Под заказ

уточнить

Купить
4 82191916 SCREW (M5 X 14)

Под заказ

2

Под заказ

уточнить

Купить
5 8280471 STRAP-HORIZONTAL SHIFT SHAFT

Под заказ

1

Под заказ

уточнить

Купить
6 8M0039049 CLAMP-SHIFT SHAFT

Под заказ

1

Под заказ

уточнить

Купить
7 8M0052927 Кнопка (SWITCH ASSY)

Под заказ

1

Под заказ

уточнить

Купить
8 88075020 Болт (SCREW)

Под заказ

2

Под заказ

уточнить

Купить
9 824923 Шайба (PLATE)

Под заказ

1

Под заказ

уточнить

Купить
10 824934A3 HARNESS

Под заказ

1

Под заказ

уточнить

Купить
11 8M0036802 CAP-INTERMEDIATE

Под заказ

1

Под заказ

уточнить

Купить
12 4006731 Болт (SCREW)

Под заказ

1

Под заказ

уточнить

Купить
13 8M0041741 LEVER-INTERMEDIAT

Под заказ

1

Под заказ

уточнить

Купить
14 42927 Поворотный палец (PIN, THROTTLE LEVER)

Под заказ

1

Под заказ

уточнить

Купить
15 8224561 Штырь (PIN)

Под заказ

1

Под заказ

уточнить

Купить
16 26954 BUSHING, NYLON - PIVOT SHAFT

Под заказ

2

Под заказ

уточнить

Купить
17 48475 Втулка (BUSHING)

Под заказ

1

Под заказ

уточнить

Купить
18 822459 Фиксатор (RETAINER)

Под заказ

1

Под заказ

уточнить

Купить
19 401386 Гайка (NUT-M6 HEX, NYL I)

Под заказ

2

Под заказ

уточнить

Купить
20 69056 Шайба

Под заказ

2

Под заказ

уточнить

Купить
21 8224701 LINK, Shift

Под заказ

1

Под заказ

уточнить

Купить
22 98889 Фиксатор (LATCH)

Под заказ

1

Под заказ

уточнить

Купить
23 39519 Вставка (CUP)

Под заказ

1

Под заказ

уточнить

Купить
24 821483A6 Шток (SHIFT SHAFT-HORIZONTAL)

Под заказ

1

Под заказ

уточнить

Купить
25 821487 LEVER-INTERLOCK ACTUATING

Под заказ

1

Под заказ

уточнить

Купить
26 878607 SCREW, (#10-16 x .375)

Под заказ

1

Под заказ

уточнить

Купить
27 88807A28 CABLE (BLACK-7 1/2 IN.)

Под заказ

1

Под заказ

уточнить

Купить
28 8M0037997 ROD-SHIFT

Под заказ

1

Под заказ

уточнить

Купить
29 210711 Шплинт (COTTER PIN)

Под заказ

1

Под заказ

уточнить

Купить
30 8251851 PIN-SHIFT ROD

Под заказ

2

Под заказ

уточнить

Купить
31 827418 LOCKWASHER

Под заказ

2

Под заказ

уточнить

Купить
32 822011 LEVER-SHIFT

Под заказ

1

Под заказ

уточнить

Купить
33 825273 WAVE WASHER

Под заказ

1

Под заказ

уточнить

Купить
34 40011107 Болт (SCREW)

Под заказ

1

Под заказ

уточнить

Купить
35 42975 Шпонка (SCREW-DRIVE)

Под заказ

2

Под заказ

уточнить

Купить
36 828462001 GROMMET

Под заказ

1

Под заказ

уточнить

Купить
37 17230 Заглушка (PLUG)

Под заказ

1

Под заказ

уточнить

Купить
38 822424001 SEAL, Throttle Cable

Под заказ

1

Под заказ

уточнить

Купить
39 823874001 Заглушка (PLUG)

Под заказ

1

Под заказ

уточнить

Купить
40 828165A1 BOTTOM COWL

Под заказ

1

Под заказ

уточнить

Купить
41 828165A2 BOTTOM COWL

Под заказ

1

Под заказ

уточнить

Купить
42 817519A1 CHECK VALVE ASSEMBLY, Drain

Под заказ

1

Под заказ

уточнить

Купить
43 19565002 GROMMET

Под заказ

1

Под заказ

уточнить

Купить
44 19564001 GROMMET

Под заказ

1

Под заказ

уточнить

Купить
45 824076001 PLUG, Shift Lever

Под заказ

1

Под заказ

уточнить

Купить
46 8214901 HANDLE

Под заказ

1

Под заказ

уточнить

Купить
47 823572001 SEAL, Warning Horn

Под заказ

1

Под заказ

уточнить

Купить
48 8M3001068 ALARM ASSEMBLY

Под заказ

1

Под заказ

уточнить

Купить
49 4002316 Шайба (WASHER@5)

Под заказ

1

Под заказ

уточнить

Купить
50 82239312 Болт М5х12 (SCREW)

Под заказ

1

Под заказ

уточнить

Купить
51 878608 SCREW, (#10-16 x .500)

Под заказ

1

Под заказ

уточнить

Купить
52 8M0042301 Кнопка системы гидроподъема (SWITCH-TRIM)

Под заказ

1

Под заказ

уточнить

Купить
53 812830T01 CAP-SWITCH LG

Под заказ

1

Под заказ

уточнить

Купить
54 8M0032848 Держатель (RETAINER)

Под заказ

1

Под заказ

уточнить

Купить
55 828464 CAM, Latch

Под заказ

1

Под заказ

уточнить

Купить
56 12134 Шайба (WASHER-WAVE)

Под заказ

1

Под заказ

уточнить

Купить
57 812707 Втулка (BUSHING)

Под заказ

1

Под заказ

уточнить

Купить
58 813613 фиттинг пластиковый для шланга контроля воды

Под заказ

1

Под заказ

уточнить

Купить
59 7568058 Шланг (HOSE, (15.00 Inches))

Под заказ

1

Под заказ

уточнить

Купить
60 823573F1 Ручка пластиковая (LEVER-LATCH-BLK)

Под заказ

1

Под заказ

уточнить

Купить
61 823573F2 LEVER-COWL LATCH

Под заказ

1

Под заказ

уточнить

Купить
62 40011129 SCREW, (M6 x 25)

Под заказ

4

Под заказ

уточнить

Купить
63 822003 Втулка (BUSHING)

Под заказ

4

Под заказ

уточнить

Купить
64 822002 Втулка (GROMMET)

Под заказ

4

Под заказ

уточнить

Купить
65 824473 PLUG, Warning Alarm

Под заказ

1

Под заказ

уточнить

Купить
66 8M0043169 BUMPER

Под заказ

2

Под заказ

уточнить

Купить
67 828463 Замок капота (LATCH, Front)

Под заказ

1

Под заказ

уточнить

Купить
68 4001987 Болт М4х16 (SCREW)

Под заказ

3

Под заказ

уточнить

Купить

Нулевая цена не означает отсутствие товара. Оформите заказ, и менеджер сообщит вам цену и наличие товара, предварительно запросив их у поставщика

Главная Магазины
Корзина0
Профиль