Мы используем cookie для наилучшего представления нашего сайта. Подробнее об этом в Политике конфиденциальности.
Ок

Каспийск

Ваш город:
Каспийск (Республика Дагестан)?
Нет
Да
Каталог
Каталог Написать в WhatsApp
Мотоэкипировка

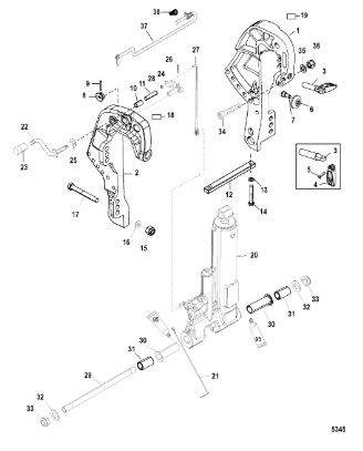
Зажимной кронштейн 2-Х ТАКТНОГО ПЛМ MERCURY 50EO Серийный номер от 0T980000 до 0T999999

Зажимной кронштейн 2-Х ТАКТНОГО ПЛМ MERCURY 50EO Серийный номер от 0T980000 до 0T999999 в Каспийске: актуальный каталог, цены, фото, описание. Купите зажимной кронштейн 2-х тактного плм mercury 50eo серийный номер от 0t980000 до 0t999999 в кредит – оформите заявку онлайн за 1 минуту!

Оригинальные запчасти

Артикул НАИМЕНОВАНИЕ Кол-во деталей в узле Примечание Наличие Цена Аналоги Фото
1 821773T1 Кронштейн подвески лев. борт (CLAMP BRACKET)

Под заказ

1

Под заказ

уточнить

Купить
2 821774T8 Кронштейн подвески пр.борт (CLAMP BRACKET)

Под заказ

1

Под заказ

уточнить

Купить
3 818883A1 Болт (SCREW ASSY-THUMB)

Под заказ

2

Под заказ

уточнить

Купить
4 818884 Шайба (WASHER)

Под заказ

2

Под заказ

уточнить

Купить
5 768042 Болт (SCREW)

Под заказ

2

Под заказ

уточнить

Купить
6 25810 PIN

Под заказ

1

Под заказ

уточнить

Купить
7 86637 Втулка (BEARING)

Под заказ

1

Под заказ

уточнить

Купить
8 8224002 Палец стопора (PIN-TILT LOCK)

Под заказ

1

Под заказ

уточнить

Купить
9 8252711 ANODE

Под заказ

1

Под заказ

уточнить

Купить
10 29245 Шайба (WASHER @10)

Под заказ

2

Под заказ

уточнить

Купить
11 4000330 Болт (SCREW @5)

Под заказ

2

Под заказ

уточнить

Купить
12 830253 DECAL-TILT/LOCK

Под заказ

1

Под заказ

уточнить

Купить
13 828533T1 TRIM, Hydraulic Assist

Под заказ

1

Под заказ

уточнить

Купить
14 88238A11 CABLE ASSEMBLY

Под заказ

1

Под заказ

уточнить

Купить
15 828924 Рукоятка фиксации стопора (ARM-LEVER)

Под заказ

1

Под заказ

уточнить

Купить
16 8M0007469 Крышка рукоятки стопора (KNOB-TILT)

Под заказ

1

Под заказ

уточнить

Купить
17 828930 Упорный кронштейн (ARM-LEVER)

Под заказ

1

Под заказ

уточнить

Купить
18 31030 Шайба (WASHER-WAVE @5)

Под заказ

1

Под заказ

уточнить

Купить
19 25319 Шпонка (PIN-ROLL@5)

Под заказ

1

Под заказ

уточнить

Купить
20 8289961 Тяга для системы полуавтоматического гидроподъема

Под заказ

1

Под заказ

уточнить

Купить
21 826709106 Гайка #10-32 (NUT)

Под заказ

1

Под заказ

уточнить

Купить
22 822481001 Шпонка (PIN, (14 mm), Anchor)

Под заказ

1

Под заказ

уточнить

Купить
23 822482 Втулка (BUSHING)

Под заказ

2

Под заказ

уточнить

Купить
24 822484 Втулка (BUSHING)

Под заказ

2

Под заказ

уточнить

Купить
25 825190 Шайба (WASHER)

Под заказ

2

Под заказ

уточнить

Купить
26 826712 Гайка (NUT @2)

Под заказ

2

Под заказ

уточнить

Купить
27 4009040 SCREW (M10 X 40)

Под заказ

2

Под заказ

уточнить

Купить
28 4002319 Шайба (WASHER@3)

Под заказ

2

Под заказ

уточнить

Купить
29 40140 Гайка М10 (NUT @2)

Под заказ

2

Под заказ

уточнить

Купить
30 853923A1 Упор (PIN ASSY-TILT)

Под заказ

1

Под заказ

уточнить

Купить
31 821461 Пружина (SPRING)

Под заказ

1

Под заказ

уточнить

Купить

Нулевая цена не означает отсутствие товара. Оформите заказ, и менеджер сообщит вам цену и наличие товара, предварительно запросив их у поставщика

Главная Магазины
Корзина0
Профиль