Каталог
Каталог Написать в WhatsApp
Мотоэкипировка

Впускной коллектор и резонатор 2-Х ТАКТНОГО ПЛМ MERCURY 50EO Серийный номер от 9973100 до 0P016999

Впускной коллектор и резонатор 2-Х ТАКТНОГО ПЛМ MERCURY 50EO Серийный номер от 9973100 до 0P016999 в Каспийске: актуальный каталог, цены, фото, описание. Купите впускной коллектор и резонатор 2-х тактного плм mercury 50eo серийный номер от 9973100 до 0p016999 в кредит – оформите заявку онлайн за 1 минуту!

Оригинальные запчасти

Артикул НАИМЕНОВАНИЕ Кол-во деталей в узле Примечание Наличие Цена Аналоги Фото
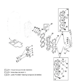
1 8M0000822 Прокладка (GASKET)

Под заказ

1

Под заказ

уточнить

Купить
2 9812A8 Заглушка (END CAP)

Под заказ

1

Под заказ

уточнить

Купить
3 828932 Сальник (SEAL)

Под заказ

1

Под заказ

уточнить

Купить
4 41953 Сальник (seal)

Под заказ

1

Под заказ

уточнить

Купить
5 896523 Уплотнительное кольцо (O-RING, (2.175 x .103))

Под заказ

1

Под заказ

уточнить

Купить
6 81742720 SCREW, (M8 x 20)

Под заказ

3

Под заказ

уточнить

Купить
7 19077A07 BRACKET ASSEMBLY

Под заказ

1

Под заказ

уточнить

Купить
8 8161949 Шпилька (STUD, M6 x 44)

Под заказ

2

Под заказ

уточнить

Купить
9 49221 Шайба

Под заказ

2

Под заказ

уточнить

Купить
10 69056 Шайба

Под заказ

2

Под заказ

уточнить

Купить
11 816872 Гайка-барашек (WING NUT)

Под заказ

2

Под заказ

уточнить

Купить
12 814806 Шайба (WASHER)

Под заказ

1

Под заказ

уточнить

Купить
13 827998A1 INDUCTION MANIFOLD

Под заказ

1

Под заказ

уточнить

Купить
14 19725 Колено (ELBOW)

Под заказ

3

Под заказ

уточнить

Купить
15 15026 CAP, ELBOW (YELLOW)

Под заказ

1

Под заказ

уточнить

Купить
16 812869 Прокладка (GASKET)

Под заказ

1

Под заказ

уточнить

Купить
17 81742730 Болт (SCREW (M8 X 30))

Под заказ

10

Под заказ

уточнить

Купить
18 19075A3 Блок пластинчатых клапанов (REED BLOCK ASSEMBLY)

Под заказ

1

Под заказ

уточнить

Купить
19 812868 Прокладка (GASKET)

Под заказ

1

Под заказ

уточнить

Купить
20 812880A03 Лепестковые клапана (REED KIT)

Под заказ

3

Под заказ

уточнить

Купить
21 429821 Упорная шайба (TAB WASHER)

Под заказ

3

Под заказ

уточнить

Купить
22 8128791 *** Шайба (retainer reed)

Под заказ

3

Под заказ

уточнить

Купить
23 825267 Фиксатор (RETAINER-REED)

Под заказ

3

Под заказ

уточнить

Купить
24 4000171 Болт (SCREW@3)

Под заказ

3

Под заказ

уточнить

Купить
25 852067T98 Двигательный блок в сборе (POWERHEAD)

Под заказ

1

Под заказ

уточнить

Купить
26 828553A97 Набор прокладок 40/50(3 цил) топл. (GASKET SET)

Под заказ

1

Под заказ

уточнить

Купить

Нулевая цена не означает отсутствие товара. Оформите заказ, и менеджер сообщит вам цену и наличие товара, предварительно запросив их у поставщика

Главная Магазины
Корзина0
Профиль