Мы используем cookie для наилучшего представления нашего сайта. Подробнее об этом в Политике конфиденциальности.
Ок

Каспийск

Ваш город:
Каспийск (Республика Дагестан)?
Нет
Да
Каталог
Каталог Написать в WhatsApp
Мотоэкипировка

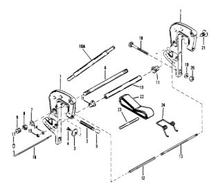
Зажимной кронштейн в сборе 2-Х ТАКТНОГО ПЛМ MERCURY 60 Серийный номер от 7208333 до 0A721307

Зажимной кронштейн в сборе 2-Х ТАКТНОГО ПЛМ MERCURY 60 Серийный номер от 7208333 до 0A721307 в Каспийске: актуальный каталог, цены, фото, описание. Купите зажимной кронштейн в сборе 2-х тактного плм mercury 60 серийный номер от 7208333 до 0a721307 в кредит – оформите заявку онлайн за 1 минуту!

Оригинальные запчасти

Артикул НАИМЕНОВАНИЕ Кол-во деталей в узле Примечание Наличие Цена Аналоги Фото
1 8394A1 CLAMP BRACKET ASSEMBLY ( ELECTRIC) MERCURY

Под заказ

2

Под заказ

уточнить

Купить
2 8394A3 CLAMP BRACKET ASSEMBLY (ELECTRIC ) MARINER

Под заказ

2

Под заказ

уточнить

Купить
3 78492A1 THUMB SCREW ASSEMBLY (ELECTRIC)

Под заказ

2

Под заказ

уточнить

Купить
4 78493 WASHER, THUMB SCREW

Под заказ

2

Под заказ

уточнить

Купить
5 78495 SCREW, WASHER TO THUMB SCREW

Под заказ

2

Под заказ

уточнить

Купить
6 75043 CAP, THUMB SCREW (ELECTRIC)

Под заказ

2

Под заказ

уточнить

Купить
7 8M0041936 TILT TUBE

Под заказ

1

Под заказ

уточнить

Купить
8 52864 WASHER, TILT TUBE

Под заказ

2

Под заказ

уточнить

Купить
9 858869 Гайка (NUT, (.875-14))

Под заказ

2

Под заказ

уточнить

Купить
10 53078 CAP, PLASTIC - TILT TUBE

Под заказ

2

Под заказ

уточнить

Купить
11 98877 UPPER SHOCK MOUNT

Под заказ

1

Под заказ

уточнить

Купить
12 28416 PIN, UPPER SHOCK - WITH SHOCK ABSORBER

Под заказ

1

Под заказ

уточнить

Купить
13 73203 BUSHING, CLAMP BRACKET

Под заказ

2

Под заказ

уточнить

Купить
14 59623 SPACER, CLAMP BRACKET STUD

Под заказ

2

Под заказ

уточнить

Купить
15 59625 STUD, CLAMP BRACKET

Под заказ

1

Под заказ

уточнить

Купить
16 26993 Шайба (LOCKWASHER@5)

Под заказ

2

Под заказ

уточнить

Купить
17 28770 NUT, CONTROL CABLE

Под заказ

2

Под заказ

уточнить

Купить
18 8M0026068 PIN ASY-TILT

Под заказ

1

Под заказ

уточнить

Купить
19 28052 SLEEVE, RUBBER - TILT LOCK PIN

Под заказ

1

Под заказ

уточнить

Купить
20 68298 BOLT, CLAMP BRACKET TO TRANSOM (3-1/4")

Под заказ

2

Под заказ

уточнить

Купить
21 68410 WASHER, LEVER AND ARM SCREW

Под заказ

2

Под заказ

уточнить

Купить
22 89673 BOLT, CLAMP BRACKET TO TRANSOM (5")

Под заказ

2

Под заказ

уточнить

Купить
23 28420 WASHER, CLAMP BRACKET BOLT

Под заказ

2

Под заказ

уточнить

Купить
24 68300 WASHER, CLAMP BRACKET BOLT

Под заказ

2

Под заказ

уточнить

Купить
25 82671112 NUT, (.375-16 )

Под заказ

4

Под заказ

уточнить

Купить
26 69375A1 SCREW, UPPER AND LOWER SHOCK PIN (5/8")

Под заказ

2

Под заказ

уточнить

Купить
27 98876 STRAP, TILT STOP

Под заказ

1

Под заказ

уточнить

Купить
28 98878 PIN, LOWER SHOCK MOUNT

Под заказ

1

Под заказ

уточнить

Купить
29 98875 SPRING

Под заказ

1

Под заказ

уточнить

Купить

Нулевая цена не означает отсутствие товара. Оформите заказ, и менеджер сообщит вам цену и наличие товара, предварительно запросив их у поставщика

Главная Магазины
Корзина0
Профиль