Мы используем cookie для наилучшего представления нашего сайта. Подробнее об этом в Политике конфиденциальности.
Ок

Каспийск

Ваш город:
Каспийск (Республика Дагестан)?
Нет
Да
Каталог
Каталог Написать в WhatsApp
Мотоэкипировка

Карбюратор и дроссель 2-Х ТАКТНОГО ПЛМ MERCURY 60 Серийный номер от 9469200 до 9683054

Карбюратор и дроссель 2-Х ТАКТНОГО ПЛМ MERCURY 60 Серийный номер от 9469200 до 9683054 в Каспийске: актуальный каталог, цены, фото, описание. Купите карбюратор и дроссель 2-х тактного плм mercury 60 серийный номер от 9469200 до 9683054 в кредит – оформите заявку онлайн за 1 минуту!

Оригинальные запчасти

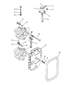
Артикул НАИМЕНОВАНИЕ Кол-во деталей в узле Примечание Наличие Цена Аналоги Фото
1 60549A7 CHOKE SOLENOID

Под заказ

1

Под заказ

уточнить

Купить
2 26996 Шайба гровера (LOCKWASHER @15)

Под заказ

1

Под заказ

уточнить

Купить
3 68219 Гайка (NUT @5)

Под заказ

1

Под заказ

уточнить

Купить
4 33524 SCREW, CHOKE SOLENOID (5/8")

Под заказ

1

Под заказ

уточнить

Купить
5 29250 NUT, BRACKET SCREW

Под заказ

2

Под заказ

уточнить

Купить
6 89008A2 PLUNGER ASSEMBLY, CHOKE SOLENOID

Под заказ

1

Под заказ

уточнить

Купить
7 76076A1 CHOKE ROD

Под заказ

1

Под заказ

уточнить

Купить
8 90242A1 KNOB ASSEMBLY - ELECTRIC

Под заказ

1

Под заказ

уточнить

Купить
9 35519 SCREW, CLIP TO PLATE (3/8")

Под заказ

1

Под заказ

уточнить

Купить
10 20116 GROMMET, CHOKE KNOB - ELECTRIC

Под заказ

1

Под заказ

уточнить

Купить
11 77583 LEVER, THROTTLE

Под заказ

1

Под заказ

уточнить

Купить
12 60292A1 COUPLING ASSEMBLY

Под заказ

1

Под заказ

уточнить

Купить
13 89694 KEY, COUPLING

Под заказ

1

Под заказ

уточнить

Купить
14 92500 PUSH NUT, ROLLER - COUPLING

Под заказ

1

Под заказ

уточнить

Купить
15 60293 SCREW, ROLLED WASHER TO COUPLING

Под заказ

1

Под заказ

уточнить

Купить
16 91996A1 PLATE ASSEMBLY, CARBURETOR

Под заказ

1

Под заказ

уточнить

Купить
17 71090 SEAL, CARBURETOR PLATE

Под заказ

1

Под заказ

уточнить

Купить
18 29245 Шайба (WASHER @10)

Под заказ

4

Под заказ

уточнить

Купить

Нулевая цена не означает отсутствие товара. Оформите заказ, и менеджер сообщит вам цену и наличие товара, предварительно запросив их у поставщика

Главная Магазины
Корзина0
Профиль