Мы используем cookie для наилучшего представления нашего сайта. Подробнее об этом в Политике конфиденциальности.
Ок

Каспийск

Ваш город:
Каспийск (Республика Дагестан)?
Нет
Да
Каталог
Каталог Написать в WhatsApp
Мотоэкипировка

Коленвал, поршни и шатуны (#646-818846) 2-Х ТАКТНОГО ПЛМ MERCURY 90 Серийный номер от 0C222000 до 0D283221

Коленвал, поршни и шатуны (#646-818846) 2-Х ТАКТНОГО ПЛМ MERCURY 90 Серийный номер от 0C222000 до 0D283221 в Каспийске: актуальный каталог, цены, фото, описание. Купите коленвал, поршни и шатуны (#646-818846) 2-х тактного плм mercury 90 серийный номер от 0c222000 до 0d283221 в кредит – оформите заявку онлайн за 1 минуту!

Оригинальные запчасти

Артикул НАИМЕНОВАНИЕ Кол-во деталей в узле Примечание Наличие Цена Аналоги Фото
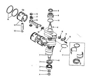
1 9001T3 CRANKSHAFT ASSY

Под заказ

1

Под заказ

уточнить

Купить
2 43011T Шарикоподшипник (BEARING-BALL)

Под заказ

1

Под заказ

уточнить

Купить
3 786611 Втулка (WEAR SLEEVE)

Под заказ

1

Под заказ

уточнить

Купить
4 35126 Уплотнительное кольцо (O-RING)

Под заказ

1

Под заказ

уточнить

Купить
5 818412A4 Кольца поршневые (RING SET-4-STD)

Под заказ

1

Под заказ

уточнить

Купить
6 91800 Шпонка вала (Key)

Под заказ

2

Под заказ

уточнить

Купить
7 43019A1 Шестерня приводная (DRIVER GEAR)

Под заказ

1

Под заказ

уточнить

Купить
8 43013T3 Роликоподшипник (BEARING ASSY )

Под заказ

1

Под заказ

уточнить

Купить
9 43993 Сальник (SEAL)

Под заказ

1

Под заказ

уточнить

Купить
10 823683 Уплотнительное кольцо (O-RING)

Под заказ

1

Под заказ

уточнить

Купить
11 42943A1 Роликоподшипник (BEARING KIT)

Под заказ

2

Под заказ

уточнить

Купить
12 815965T4 PISTON ASSY

Под заказ

3

Под заказ

уточнить

Купить
13 815965A5 PISTON ASSEMBLY (.015 O.S.)

Под заказ

1

Под заказ

уточнить

Купить
14 815965A6 PISTON ASSEMBLY (.030 O.S.)

Под заказ

1

Под заказ

уточнить

Купить
15 857196 Стопорное кольцо (RING-LOCK @15)

Под заказ

6

Под заказ

уточнить

Купить
16 96170A12 PISTON RING ASSEBMLY (STANDARD)

Под заказ

1

Под заказ

уточнить

Купить
17 96170A3 PISTON RING ASSEMBLY (.015 O.S.)

Под заказ

1

Под заказ

уточнить

Купить
18 96170A4 PISTON RING ASSEMBLY (.030 O.S.)

Под заказ

1

Под заказ

уточнить

Купить
19 818846T6 Шатун (CONNECTING ROD)

Под заказ

3

Под заказ

уточнить

Купить
20 8M0012298 Упорная шайба (THRUST WASHER)

Под заказ

6

Под заказ

уточнить

Купить
21 818391001 Иголка подшипника (BRG-NEEDLE @200)

Под заказ

87

Под заказ

уточнить

Купить
22 94320 Болт 0,375-24 х 1,25 (SCREW)

Под заказ

6

Под заказ

уточнить

Купить
23 844338A01 Подшипник (BEARING/CAGE KIT)

Под заказ

3

Под заказ

уточнить

Купить
24 13589T93 POWERHEAD ASSEMBLY COMPLETE, 75

Под заказ

1

Под заказ

уточнить

Купить
25 13600T93 POWERHEAD ASSEMBLY COMPLETE, 75 Commercial

Под заказ

1

Под заказ

уточнить

Купить
26 15081T96 POWERHEAD ASSEMBLY COMPLETE, 90

Под заказ

1

Под заказ

уточнить

Купить

Нулевая цена не означает отсутствие товара. Оформите заказ, и менеджер сообщит вам цену и наличие товара, предварительно запросив их у поставщика

Главная Магазины
Корзина0
Профиль