Мы используем cookie для наилучшего представления нашего сайта. Подробнее об этом в Политике конфиденциальности.
Ок

Каспийск

Ваш город:
Каспийск (Республика Дагестан)?
Нет
Да
Каталог
Каталог Написать в WhatsApp
Мотоэкипировка

Топливный насос (Use With Inline Check Valve) 2-Х ТАКТНОГО ПЛМ MERCURY 90 Серийный номер от 0C222000 до 0D283221

Топливный насос (Use With Inline Check Valve) 2-Х ТАКТНОГО ПЛМ MERCURY 90 Серийный номер от 0C222000 до 0D283221 в Каспийске: актуальный каталог, цены, фото, описание. Купите топливный насос (use with inline check valve) 2-х тактного плм mercury 90 серийный номер от 0c222000 до 0d283221 в кредит – оформите заявку онлайн за 1 минуту!

Оригинальные запчасти

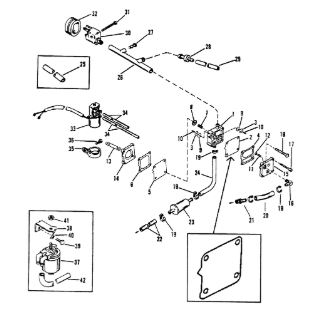
Артикул НАИМЕНОВАНИЕ Кол-во деталей в узле Примечание Наличие Цена Аналоги Фото
1 14360A78 Топливный насос (PUMP KIT-FUEL)

Под заказ

1

Под заказ

уточнить

Купить
2 857005A1 Ремкомплект бензонасоса Mercury - DIAPHRAM KIT QUICKSILVER

Под заказ

1

Под заказ

уточнить

4 820

Купить
3 987691 Прокладка (GASKET)

Под заказ

1

Под заказ

уточнить

Купить
4 144303 BASE, FUEL PUMP

Под заказ

1

Под заказ

уточнить

Купить
5 987752 PLATE

Под заказ

1

Под заказ

уточнить

Купить
6 996642 Топливный фиттинг (ELBOW)

Под заказ

1

Под заказ

уточнить

Купить
7 82104540 SCREW-FUEL PUMP (M5 X 40)

Под заказ

2

Под заказ

уточнить

Купить
8 81754150 SCREW, Pump To Block

Под заказ

2

Под заказ

уточнить

Купить
9 291112 Фиттинг (FITTING)

Под заказ

1

Под заказ

уточнить

Купить
10 816296Q2 Топливный фильтр (FILTER-FUEL @3)

Под заказ

1

Под заказ

уточнить

Купить
11 19017A1 FUEL LINE

Под заказ

1

Под заказ

уточнить

Купить
12 8M0108349 Шланг (HOSE-70 INCH)

Под заказ

1

Под заказ

уточнить

Купить
13 822554 Топливный шланг (HOSE MOLDED)

Под заказ

1

Под заказ

уточнить

Купить
14 822772 Заглушка (PLUG)

Под заказ

1

Под заказ

уточнить

Купить
15 8189941 Обратный клапан (VALVE-CHECK)

Под заказ

1

Под заказ

уточнить

Купить
16 82381335 Шланг (TUBING, (15.00 Inches Bulk))

Под заказ

1

Под заказ

уточнить

Купить
17 816856Q3 Топливный коннектор (CONNECTOR@2)

Под заказ

1

Под заказ

уточнить

Купить
18 4010635 SCREW

Под заказ

1

Под заказ

уточнить

Купить
19 145091 GROMMET

Под заказ

1

Под заказ

уточнить

Купить
20 819503A2 SOLENOID KIT

Под заказ

1

Под заказ

уточнить

Купить
21 1430165 TUBING, ENRICHNER VALVE

Под заказ

2

Под заказ

уточнить

Купить
22 18887 CLAMP

Под заказ

1

Под заказ

уточнить

Купить
23 40011151 Болт (SCREW, M8 x 35)

Под заказ

1

Под заказ

уточнить

Купить
24 891642T03 Фильтр (FILTER ASSY-FUEL)

Под заказ

1

Под заказ

уточнить

Купить
25 821698 BRACKET, Design II

Под заказ

1

Под заказ

уточнить

Купить
26 401386 Гайка (NUT-M6 HEX, NYL I)

Под заказ

1

Под заказ

уточнить

Купить
27 43004A99 Набор прокладок 75/90 дв. блок (GASKET SET)

Под заказ

1

Под заказ

уточнить

Купить
28 13589T93 POWERHEAD ASSEMBLY COMPLETE, 75

Под заказ

1

Под заказ

уточнить

Купить
29 13600T93 POWERHEAD ASSEMBLY COMPLETE, 75 Commercial

Под заказ

1

Под заказ

уточнить

Купить
30 15081T96 POWERHEAD ASSEMBLY COMPLETE, 90

Под заказ

1

Под заказ

уточнить

Купить

Нулевая цена не означает отсутствие товара. Оформите заказ, и менеджер сообщит вам цену и наличие товара, предварительно запросив их у поставщика

Главная Магазины
Корзина0
Профиль