Мы используем cookie для наилучшего представления нашего сайта. Подробнее об этом в Политике конфиденциальности.
Ок

Каспийск

Ваш город:
Каспийск (Республика Дагестан)?
Нет
Да
Каталог
Каталог Написать в WhatsApp
Мотоэкипировка

Поворотный кронштейн и рулевой рычаг 2-Х ТАКТНОГО ПЛМ MERCURY 90 Серийный номер от 9506481 до 9589038

Поворотный кронштейн и рулевой рычаг 2-Х ТАКТНОГО ПЛМ MERCURY 90 Серийный номер от 9506481 до 9589038 в Каспийске: актуальный каталог, цены, фото, описание. Купите поворотный кронштейн и рулевой рычаг 2-х тактного плм mercury 90 серийный номер от 9506481 до 9589038 в кредит – оформите заявку онлайн за 1 минуту!

Оригинальные запчасти

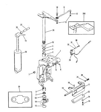
Артикул НАИМЕНОВАНИЕ Кол-во деталей в узле Примечание Наличие Цена Аналоги Фото
1 8M0102865 BRACKET-SWIVEL-BL

Под заказ

1

Под заказ

уточнить

Купить
2 8710T21 SWIVEL BRACKET

Под заказ

1

Под заказ

уточнить

Купить
3 87735 Сальник (OIL SEAL, SWIVEL BRACKET LOWER)

Под заказ

1

Под заказ

уточнить

Купить
4 818764 Втулка (BUSHING)

Под заказ

2

Под заказ

уточнить

Купить
5 33466 "O" RING, SWIVEL BRACKET - UPPER

Под заказ

1

Под заказ

уточнить

Купить
6 67668 SPACER, SWIVEL BRACKET - UPPER

Под заказ

1

Под заказ

уточнить

Купить
7 74036 Смазочный фиттинг (GREASE FITTING - EARLY STYLE)

Под заказ

2

Под заказ

уточнить

Купить
8 821207 BUSHING

Под заказ

2

Под заказ

уточнить

Купить
9 64014 SCREW, SWIVEL BRACKET

Под заказ

2

Под заказ

уточнить

Купить
10 92876A12 Тяга (LINK ROD KIT)

Под заказ

1

Под заказ

уточнить

Купить
11 14000 SCREW, LINK ROD

Под заказ

1

Под заказ

уточнить

Купить
12 826709113 Гайка (NUT-.375-24 NYL I)

Под заказ

2

Под заказ

уточнить

Купить
13 34931 Штанга с креплением (WASHER, SCREW AND LINK ROD)

Под заказ

2

Под заказ

уточнить

Купить
14 78854 WAVE WASHER, BOTTOM YOKE

Под заказ

1

Под заказ

уточнить

Купить
15 42961A06 Коромысло (BOTTOM YOKE)

Под заказ

1

Под заказ

уточнить

Купить
16 42961T2 ORD 42961A06

Под заказ

1

Под заказ

уточнить

Купить
17 67684 Упорное кольцо (RETAINING RING, BOTTOM YOKE)

Под заказ

1

Под заказ

уточнить

Купить
18 67670 WASHER, THRUST - SWIVEL BRACKET

Под заказ

1

Под заказ

уточнить

Купить
19 99653 BRACKET, SHOCK ABSORBER

Под заказ

1

Под заказ

уточнить

Купить
20 99619 SHAFT, SHOCK ABSORBER (LOWER)

Под заказ

1

Под заказ

уточнить

Купить
21 821539 Шпонка (PIN-TRILOBE)

Под заказ

2

Под заказ

уточнить

Купить
22 4000377 Болт (SCREW)

Под заказ

6

Под заказ

уточнить

Купить
23 400258 LOCKWASHER, BRACKET SCREW

Под заказ

6

Под заказ

уточнить

Купить
24 818298Q1 Комплект анодов (ANODE KIT)

Под заказ

1

Под заказ

уточнить

Купить
25 4000332 SCREW, ADAPTOR TO BOTTOM COWL (35MM)

Под заказ

2

Под заказ

уточнить

Купить
26 29245 Шайба (WASHER @10)

Под заказ

2

Под заказ

уточнить

Купить
27 99724T15 SHOCK ABSORBER-BL

Под заказ

1

Под заказ

уточнить

Купить
28 99625002 Штифт (SHAFT-UPPER TILT)

Под заказ

1

Под заказ

уточнить

Купить
29 99661A2 SWIVEL PIN AND STEERING ARM ASSEMBLY

Под заказ

1

Под заказ

уточнить

Купить
30 99661A4 SWIVEL PIN/STEERING ARM MARINER

Под заказ

1

Под заказ

уточнить

Купить
31 99661A18 SWIVEL PIN/STEERING ARM

Под заказ

1

Под заказ

уточнить

Купить
32 99661A35 Шпонка (SWIVEL PIN/STEERING ARM)

Под заказ

1

Под заказ

уточнить

Купить
33 99661A36 NLA ORD 99661A35

Под заказ

1

Под заказ

уточнить

Купить
34 12079A8 SWIVEL PIN/STEERING ARM, Handle Models, Black

Под заказ

1

Под заказ

уточнить

Купить
35 12079A9 SWIVEL PIN/STEERING ARM

Под заказ

1

Под заказ

уточнить

Купить
36 8M0074846 Датчик угла наклона (TRIM SENDER)

Под заказ

1

Под заказ

уточнить

Купить
37 852368 Болт (SCREW)

Под заказ

2

Под заказ

уточнить

Купить
38 26996 Шайба гровера (LOCKWASHER @15)

Под заказ

2

Под заказ

уточнить

Купить
39 89302 Шайба (WASHER, DECK BASE SCREW (NEW DESIGN))

Под заказ

2

Под заказ

уточнить

Купить
40 11288001 BUMPER, Bottom Yoke

Под заказ

1

Под заказ

уточнить

Купить

Нулевая цена не означает отсутствие товара. Оформите заказ, и менеджер сообщит вам цену и наличие товара, предварительно запросив их у поставщика

Главная Магазины
Корзина0
Профиль