Каталог
Каталог Написать в WhatsApp
Мотоэкипировка

Коробка передач 2-Х ТАКТНОГО ПЛМ MERCURY ME 2,5M Серийный номер от 0A855097 до 0G710612

Коробка передач 2-Х ТАКТНОГО ПЛМ MERCURY ME 2,5M Серийный номер от 0A855097 до 0G710612 в Каспийске: актуальный каталог, цены, фото, описание. Купите коробка передач 2-х тактного плм mercury me 2,5m серийный номер от 0a855097 до 0g710612 в кредит – оформите заявку онлайн за 1 минуту!

Оригинальные запчасти

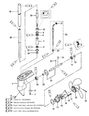
Артикул НАИМЕНОВАНИЕ Кол-во деталей в узле Примечание Наличие Цена Аналоги Фото
1 95220A3 Набор прокладок редуктора 2,5-3,3 (GASKET SET-L/U)

Под заказ

N/A

Под заказ

уточнить

Купить
2 825122A2 GEAR HOUSING

Под заказ

N/A

Под заказ

уточнить

Купить
3 825123A3 GEAR HOUSING

Под заказ

N/A

Под заказ

уточнить

Купить
4 825123A4 GEAR HOUSING

Под заказ

N/A

Под заказ

уточнить

Купить
5 825123A1 GEAR HOUSING

Под заказ

N/A

Под заказ

уточнить

Купить
6 825123A2 GEAR HOUSING

Под заказ

N/A

Под заказ

уточнить

Купить
7 825122T1 GEAR HOUSING ASSEMBLY, Basic

Под заказ

N/A

Под заказ

уточнить

Купить
8 95342 Подшипник (BEARING-BALL)

Под заказ

N/A

Под заказ

уточнить

Купить
9 95343 SPACER

Под заказ

N/A

Под заказ

уточнить

Купить
10 95344 Шариковый подшипник (BEARING-BALL )

Под заказ

N/A

Под заказ

уточнить

Купить
11 95345 SNAP RING, BALL BEARING

Под заказ

N/A

Под заказ

уточнить

Купить
12 823913Q Анод (ANODE)

Под заказ

N/A

Под заказ

уточнить

Купить
13 16832 Болт M6x16 (BOLT)

Под заказ

N/A

Под заказ

уточнить

Купить
14 953683 Заглушка (PLUG-OIL)

Под заказ

N/A

Под заказ

уточнить

Купить
15 8M0082880 Прокладка (GASKET @3)

Под заказ

N/A

Под заказ

уточнить

Купить
16 95347 Шарикоподшипник (BEARING-BALL)

Под заказ

N/A

Под заказ

уточнить

Купить
17 95348 Сальник (SEAL-OIL)

Под заказ

N/A

Под заказ

уточнить

Купить
18 8150782 WATER PUMP

Под заказ

N/A

Под заказ

уточнить

Купить
19 8150783 WATER PUMP

Под заказ

N/A

Под заказ

уточнить

Купить
20 952871 Корпус водяной помпы (HOUSING ASSY-W/P )

Под заказ

N/A

Под заказ

уточнить

Купить
21 95288 Уплотнительное кольцо (O RING)

Под заказ

N/A

Под заказ

уточнить

Купить
22 952892 Крыльчатка водяного насоса (IMPELLER)Используется на моторах: 2,5 л.с. двухтактные

Под заказ

N/A

Под заказ

уточнить

1 460

Купить
23 825115 COVER

Под заказ

N/A

Под заказ

уточнить

Купить
24 8251151 COVER

Под заказ

N/A

Под заказ

уточнить

Купить
25 825114 Крышка редуктора

Под заказ

N/A

Под заказ

уточнить

Купить
26 16705 BOLT, HEAD

Под заказ

N/A

Под заказ

уточнить

Купить
27 167051 Болт (BOLT)

Под заказ

N/A

Под заказ

уточнить

Купить
28 16826 Шайба (WASHER@10)

Под заказ

N/A

Под заказ

уточнить

Купить
29 95350 Сальник (SEAL-OIL)

Под заказ

N/A

Под заказ

уточнить

Купить
30 95291A1 PROPELLER SHAFT

Под заказ

N/A

Под заказ

уточнить

Купить
31 811647A1 SHIM

Под заказ

N/A

Под заказ

уточнить

Купить
32 95293 PINION GEAR

Под заказ

N/A

Под заказ

уточнить

Купить
33 815066 Стопорное кольцо (SNAP RING)

Под заказ

N/A

Под заказ

уточнить

Купить
34 95371 Шпонка (KEY, IMPELLER)

Под заказ

N/A

Под заказ

уточнить

Купить
35 95359 WATER TUBE ASSEMBLY

Под заказ

N/A

Под заказ

уточнить

Купить
36 953601 Втулка верхняя трубки охлаждения (GROMMET, Upper)

Под заказ

N/A

Под заказ

уточнить

Купить
37 95290 DRIVESHAFT (Upper)

Под заказ

N/A

Под заказ

уточнить

Купить
38 95369 DRIVESHAFT, Lower

Под заказ

N/A

Под заказ

уточнить

Купить
39 95277 PIPE

Под заказ

N/A

Под заказ

уточнить

Купить
40 815111Q02 Шпонка (SHEAR PIN KT@2 )

Под заказ

N/A

Под заказ

уточнить

Купить
41 B15083A01 Винт гребной (BLKMAX 7.4X6 RH D X 6P X 3RH)

Под заказ

N/A

Под заказ

уточнить

Купить
42 B15084A01 Винт гребной (BLMX 7 3/8R6) 2.5-3.5 л.с. аллюм

Под заказ

N/A

Под заказ

уточнить

Купить
43 B15084A02 Винт гребной (BLMX 7 3/8R7) 3.3 л.с. станд.

Под заказ

N/A

Под заказ

уточнить

Купить
44 95295 Шплинт (PIN-COTTER @5)

Под заказ

N/A

Под заказ

уточнить

Купить

Нулевая цена не означает отсутствие товара. Оформите заказ, и менеджер сообщит вам цену и наличие товара, предварительно запросив их у поставщика

Главная Магазины
Корзина0
Профиль