Мы используем cookie для наилучшего представления нашего сайта. Подробнее об этом в Политике конфиденциальности.
Ок

Каспийск

Ваш город:
Каспийск (Республика Дагестан)?
Нет
Да
Каталог
Каталог Написать в WhatsApp
Мотоэкипировка

Компоненты блока цилиндров 4-Х ТАКТНОГО ПЛМ MERCURY 100 Серийный номер от 0P459572 и выше

Компоненты блока цилиндров 4-Х ТАКТНОГО ПЛМ MERCURY 100 Серийный номер от 0P459572 и выше в Каспийске: актуальный каталог, цены, фото, описание. Купите компоненты блока цилиндров 4-х тактного плм mercury 100 серийный номер от 0p459572 и выше в кредит – оформите заявку онлайн за 1 минуту!

Оригинальные запчасти

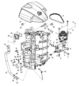
Артикул НАИМЕНОВАНИЕ Кол-во деталей в узле Примечание Наличие Цена Аналоги Фото
1 8M0063970 Генератор

Под заказ

1

Под заказ

уточнить

Купить
2 897568T01 Кронштейн креп.генератора F75-115 1.73L (BRACKET)

Под заказ

1

Под заказ

уточнить

Купить
3 82130145 SCREW, (M10 x 45)

Под заказ

3

Под заказ

уточнить

Купить
4 845998 Шайба (WASHER, (.406 x 1.250 x .089), Mounting)

Под заказ

6

Под заказ

уточнить

Купить
5 899019 MOUNT

Под заказ

3

Под заказ

уточнить

Купить
6 897574Q01 Ремень генератора (BELT)

Под заказ

1

Под заказ

уточнить

Купить
7 82446155 SCREW, (M10 x 55)

Под заказ

2

Под заказ

уточнить

Купить
8 4002319 Шайба (WASHER@3)

Под заказ

1

Под заказ

уточнить

Купить
9 826292 Гайка (NUT, M10)

Под заказ

1

Под заказ

уточнить

Купить
10 897559153 CLIP, (15.3mm)

Под заказ

1

Под заказ

уточнить

Купить
11 856583T12 CABLE ASSEBMLY, Ground

Под заказ

1

Под заказ

уточнить

Купить
12 8M0007202 WASHER, Tab (Use where Applicable)

Под заказ

1

Под заказ

уточнить

Купить
13 8M6000634 Датчик давления масла (SENSOR)

Под заказ

1

Под заказ

уточнить

Купить
14 8M0001051 Щуп (DIPSTICK)

Под заказ

1

Под заказ

уточнить

Купить
15 892864T06 Корпус + термостат (HOUSING ASSEMBLY, Thermostat)

Под заказ

1

Под заказ

уточнить

Купить
16 8M0005958 Уплотнительное кольцо термостата (O-RING)

Под заказ

1

Под заказ

уточнить

Купить
17 888988001 Хомут (CLAMP, (36.1 mm))

Под заказ

1

Под заказ

уточнить

Купить
18 897668 HOSE, Thermostat Dump

Под заказ

1

Под заказ

уточнить

Купить
19 850896 CLAMP, (28.6)

Под заказ

1

Под заказ

уточнить

Купить
20 897670A01 FITTING ASSEMBLY, Dump

Под заказ

1

Под заказ

уточнить

Купить
21 8M0103805 Болт (SCREW @2)

Под заказ

1

Под заказ

уточнить

Купить
22 877761Q01 Фильтр масляный Quicksilver (MERCURY)

Под заказ

1

Под заказ

уточнить

1 220

Купить
23 8M0073011 Фиттинг масляного фильтра (FITTING)

Под заказ

1

Под заказ

уточнить

Купить
24 897126A01 BRACKET ASSEMBLY

Под заказ

1

Под заказ

уточнить

Купить
25 834985 Втулка (GROMMET)

Под заказ

2

Под заказ

уточнить

Купить
26 822003 Втулка (BUSHING)

Под заказ

2

Под заказ

уточнить

Купить
27 8M0103807 Болт (SCREW @2)

Под заказ

2

Под заказ

уточнить

Купить
28 858779 WASHER, (.265 x .750 x .048)

Под заказ

2

Под заказ

уточнить

Купить
29 897559 Кронштейн (CLIP)

Под заказ

1

Под заказ

уточнить

Купить
30 897642T01 Крышка маховика (COVER, FLYWHEEL)

Под заказ

1

Под заказ

уточнить

Купить
31 821555001 Втулка (GROMMET)

Под заказ

3

Под заказ

уточнить

Купить
32 401386 Гайка (NUT-M6 HEX, NYL I)

Под заказ

1

Под заказ

уточнить

Купить
33 897757 PIN

Под заказ

1

Под заказ

уточнить

Купить
34 8M0087447 PLUG @2

Под заказ

1

Под заказ

уточнить

Купить
35 897534A07 Набор прокладок (GASKET SET, Powerhead)

Под заказ

1

Под заказ

уточнить

Купить
36 8M8033014 PH L4NA 4S

Под заказ

1

Под заказ

уточнить

Купить
37 897148A08 LONG BLOCK ASSEMBLY, (115)

Под заказ

1

Под заказ

уточнить

Купить

Нулевая цена не означает отсутствие товара. Оформите заказ, и менеджер сообщит вам цену и наличие товара, предварительно запросив их у поставщика

Главная Магазины
Корзина0
Профиль