Мы используем cookie для наилучшего представления нашего сайта. Подробнее об этом в Политике конфиденциальности.
Ок

Каспийск

Ваш город:
Каспийск (Республика Дагестан)?
Нет
Да
Каталог
Каталог Написать в WhatsApp
Мотоэкипировка

Компоненты зажигания 4-Х ТАКТНОГО ПЛМ MERCURY 115 Серийный номер от 10T801000 до 1B226999

Компоненты зажигания 4-Х ТАКТНОГО ПЛМ MERCURY 115 Серийный номер от 10T801000 до 1B226999 в Каспийске: актуальный каталог, цены, фото, описание. Купите компоненты зажигания 4-х тактного плм mercury 115 серийный номер от 10t801000 до 1b226999 в кредит – оформите заявку онлайн за 1 минуту!

Оригинальные запчасти

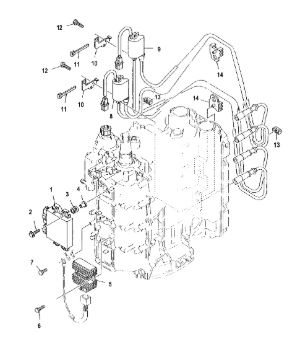
Артикул НАИМЕНОВАНИЕ Кол-во деталей в узле Примечание Наличие Цена Аналоги Фото
1 880891T14 Блок управления двигателем (ECU)

Под заказ

1

Под заказ

уточнить

Купить
2 804270 BOLT, (M6 x 28)

Под заказ

4

Под заказ

уточнить

Купить
3 881304 GROMMET

Под заказ

4

Под заказ

уточнить

Купить
4 804344003 COLLAR

Под заказ

4

Под заказ

уточнить

Купить
5 881346T RECTIFIER AND REGULATOR ASSEMBLY

Под заказ

1

Под заказ

уточнить

Купить
6 804604 BOLT, (M6 x 20)

Под заказ

1

Под заказ

уточнить

Купить
7 881345 PLATE

Под заказ

2

Под заказ

уточнить

Купить
8 804276 CLAMP

Под заказ

2

Под заказ

уточнить

Купить
9 804277 CLAMP

Под заказ

2

Под заказ

уточнить

Купить

Нулевая цена не означает отсутствие товара. Оформите заказ, и менеджер сообщит вам цену и наличие товара, предварительно запросив их у поставщика

Главная Магазины
Корзина0
Профиль