Мы используем cookie для наилучшего представления нашего сайта. Подробнее об этом в Политике конфиденциальности.
Ок

Каспийск

Ваш город:
Каспийск (Республика Дагестан)?
Нет
Да
Каталог
Каталог Написать в WhatsApp
Мотоэкипировка

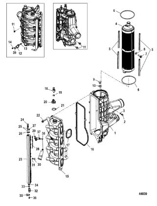
Зарядный кулер / впускной коллектор 4-Х ТАКТНОГО ПЛМ MERCURY 135 Серийный номер от 0P464488 до 0P514868

Зарядный кулер / впускной коллектор 4-Х ТАКТНОГО ПЛМ MERCURY 135 Серийный номер от 0P464488 до 0P514868 в Каспийске: актуальный каталог, цены, фото, описание. Купите зарядный кулер / впускной коллектор 4-х тактного плм mercury 135 серийный номер от 0p464488 до 0p514868 в кредит – оформите заявку онлайн за 1 минуту!

Оригинальные запчасти

Артикул НАИМЕНОВАНИЕ Кол-во деталей в узле Примечание Наличие Цена Аналоги Фото
1 8M0131232 IAFM

Под заказ

1

Под заказ

уточнить

Купить
2 8M0132387 CAC ASSEMBLY

Под заказ

1

Под заказ

уточнить

Купить
3 8M0039519 PLUG, Zero Leak (M8 x 1.0), Secondary Pressure

Под заказ

1

Под заказ

уточнить

Купить
4 895053 SCREW, (M6 x 15)

Под заказ

5

Под заказ

уточнить

Купить
5 891663001 Датчик температуры (SENSOR ASSEMBLY, Temperature)

Под заказ

1

Под заказ

уточнить

Купить
6 892317001 O-RING

Под заказ

1

Под заказ

уточнить

Купить
7 895054 SCREW, (M4 x 16)

Под заказ

2

Под заказ

уточнить

Купить
8 892954A01 MANIFOLD ASSEMBLY, Intake

Под заказ

1

Под заказ

уточнить

Купить
9 896663 SEAL

Под заказ

1

Под заказ

уточнить

Купить
10 895020 Сальник (SEAL)

Под заказ

6

Под заказ

уточнить

Купить
11 8M6000639 Датчик давления воздуха во впуск.коллектор(SENSOR)

Под заказ

1

Под заказ

уточнить

Купить
12 13791 Хомут (CLAMP, HOSE)

Под заказ

1

Под заказ

уточнить

Купить
13 892952500 BOOT

Под заказ

1

Под заказ

уточнить

Купить
14 888988001 Хомут (CLAMP, (36.1 mm))

Под заказ

1

Под заказ

уточнить

Купить
15 8M0103807 Болт (SCREW @2)

Под заказ

9

Под заказ

уточнить

Купить
16 896503A01 FUEL RAIL KIT

Под заказ

1

Под заказ

уточнить

Купить
17 895028A01 VALVE, Schrader

Под заказ

1

Под заказ

уточнить

Купить
18 895056 O-RING

Под заказ

2

Под заказ

уточнить

Купить
19 895026 BRACKET

Под заказ

1

Под заказ

уточнить

Купить
20 895051 SCREW, (M5 x 10)

Под заказ

1

Под заказ

уточнить

Купить
21 895024 BRACKET

Под заказ

3

Под заказ

уточнить

Купить
22 895025 DAMPER

Под заказ

1

Под заказ

уточнить

Купить
23 851889 Уплотнительное кольцо (O-RING)

Под заказ

1

Под заказ

уточнить

Купить
24 895029A01 TUBE KIT, Fuel Inlet

Под заказ

1

Под заказ

уточнить

Купить
25 895055 WASHER

Под заказ

1

Под заказ

уточнить

Купить
26 895057 O-RING

Под заказ

1

Под заказ

уточнить

Купить
27 895027 BRACKET

Под заказ

1

Под заказ

уточнить

Купить
28 8M0041571 Топливный инжектор Verado (INJECTOR-FUEL)

Под заказ

4

Под заказ

уточнить

Купить
29 8M0006599 GASKET

Под заказ

1

Под заказ

уточнить

Купить

Нулевая цена не означает отсутствие товара. Оформите заказ, и менеджер сообщит вам цену и наличие товара, предварительно запросив их у поставщика

Главная Магазины
Корзина0
Профиль