Мы используем cookie для наилучшего представления нашего сайта. Подробнее об этом в Политике конфиденциальности.
Ок

Каспийск

Ваш город:
Каспийск (Республика Дагестан)?
Нет
Да
Каталог
Каталог Написать в WhatsApp
Мотоэкипировка

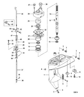
Корпус шестерни, приводной вал 4-Х ТАКТНОГО ПЛМ MERCURY 15 Carb(2CYL) Серийный номер от 0R235949 и выше

Корпус шестерни, приводной вал 4-Х ТАКТНОГО ПЛМ MERCURY 15 Carb(2CYL) Серийный номер от 0R235949 и выше в Каспийске: актуальный каталог, цены, фото, описание. Купите корпус шестерни, приводной вал 4-х тактного плм mercury 15 carb(2cyl) серийный номер от 0r235949 и выше в кредит – оформите заявку онлайн за 1 минуту!

Оригинальные запчасти

Артикул НАИМЕНОВАНИЕ Кол-во деталей в узле Примечание Наличие Цена Аналоги Фото
1 8M0070896 Редуктор (GEAR HSG COMPLETE)

Под заказ

1

Под заказ

уточнить

Купить
2 8M0070897 GEAR HSG COMPLETE

Под заказ

1

Под заказ

уточнить

Купить
3 8M0070898 GEAR HSG COMPLETE

Под заказ

1

Под заказ

уточнить

Купить
4 8M0070875 GEAR HSG BASIC

Под заказ

1

Под заказ

уточнить

Купить
5 898101991 Подшипник игольчатый (BEARING)

Под заказ

1

Под заказ

уточнить

Купить
6 953683 Заглушка (PLUG-OIL)

Под заказ

1

Под заказ

уточнить

Купить
7 8M0082880 Прокладка (GASKET @3)

Под заказ

3

Под заказ

уточнить

Купить
8 17635 SCREW, STARTER LOCK

Под заказ

1

Под заказ

уточнить

Купить
9 85372210 Гайка (NUT)

Под заказ

1

Под заказ

уточнить

Купить
10 16133 Водяной фильтр (WATER STRAINER)

Под заказ

1

Под заказ

уточнить

Купить
11 898101959 SCREW

Под заказ

1

Под заказ

уточнить

Купить
12 853762T01 Триммер (TRIM TAB)

Под заказ

1

Под заказ

уточнить

Купить
13 167051 Болт (BOLT)

Под заказ

1

Под заказ

уточнить

Купить
14 85372211 Гайка (NUT)

Под заказ

1

Под заказ

уточнить

Купить
15 879147T91 Шестерня приводная (GEAR-PINION)

Под заказ

1

Под заказ

уточнить

Купить
16 803738T19 Приводной вал (DRIVESHAFT SHORT)

Под заказ

1

Под заказ

уточнить

Купить
17 803738T20 DRIVESHAFT LONG

Под заказ

1

Под заказ

уточнить

Купить
18 8M0140447 DRIVESHAFT XL

Под заказ

1

Под заказ

уточнить

Купить
19 803749 Шпонка (KEY)

Под заказ

1

Под заказ

уточнить

Купить
20 879147T89 Подшипник приводного вала (BEARING)

Под заказ

1

Под заказ

уточнить

Купить
21 813276001 Регулировочное кольцо (SHIM)

Под заказ

1

Под заказ

уточнить

Купить
22 813276015 Регулировочное кольцо (SHIM)

Под заказ

1

Под заказ

уточнить

Купить
23 813276003 Регулировочное кольцо (SHIM)

Под заказ

1

Под заказ

уточнить

Купить
24 813276005 Регулировочное кольцо (SHIM)

Под заказ

1

Под заказ

уточнить

Купить
25 803752 Сальник (OIL SEAL)

Под заказ

1

Под заказ

уточнить

Купить
26 803750A04 Корпус помпы низ (BASE ASSEMBLY, Water Pump)

Под заказ

1

Под заказ

уточнить

Купить
27 803753 Зеркало помпы (GUIDE PLATE)

Под заказ

1

Под заказ

уточнить

Купить
28 803748 Крыльчатка (IMPELLER)

Под заказ

1

Под заказ

уточнить

Купить
29 803750A05 Корпус помпы верх(HOUSING ASSEMBLY Up Water Pump)

Под заказ

1

Под заказ

уточнить

Купить
30 803751 Стакан (LINER- W/P)

Под заказ

1

Под заказ

уточнить

Купить
31 8036674 Уплотнитель (SEAL)

Под заказ

1

Под заказ

уточнить

Купить
32 879194269 Болт (BOLT)

Под заказ

3

Под заказ

уточнить

Купить
33 8537096 Упорное кольцо (O RING)

Под заказ

1

Под заказ

уточнить

Купить
34 803761 Втулка (BUSHING)

Под заказ

1

Под заказ

уточнить

Купить
35 898103153 BOLT

Под заказ

1

Под заказ

уточнить

Купить
36 803762 CLAMP

Под заказ

1

Под заказ

уточнить

Купить
37 8M0070770 RETAINER

Под заказ

1

Под заказ

уточнить

Купить
38 898103158 SPRING

Под заказ

1

Под заказ

уточнить

Купить
39 898103157 RETAINER

Под заказ

1

Под заказ

уточнить

Купить
40 898103151 CAM ROD-SHORT

Под заказ

1

Под заказ

уточнить

Купить
41 898103152 CAM ROD LONG

Под заказ

1

Под заказ

уточнить

Купить
42 803760018 CAM ROD XL

Под заказ

1

Под заказ

уточнить

Купить
43 898103166 Кулачек передачи (CLUTCH CAM)

Под заказ

1

Под заказ

уточнить

Купить
44 16179 Шпонка (PIN)

Под заказ

1

Под заказ

уточнить

Купить
45 898103154 Рычаг переключения передач (SHIFT ROD)

Под заказ

1

Под заказ

уточнить

Купить
46 898103188 SHIFT ROD

Под заказ

1

Под заказ

уточнить

Купить
47 898103155 JOINT

Под заказ

1

Под заказ

уточнить

Купить
48 162452 SCREW

Под заказ

1

Под заказ

уточнить

Купить
49 400212 Гайка (NUT)

Под заказ

1

Под заказ

уточнить

Купить
50 810753004 STOPPER

Под заказ

1

Под заказ

уточнить

Купить
51 855544018 SCREW

Под заказ

1

Под заказ

уточнить

Купить
52 803767002 Муфта переключения передач (SHIFT SHAFT COUPLER)

Под заказ

1

Под заказ

уточнить

Купить
53 95220A08 GASKET SET

Под заказ

1

Под заказ

уточнить

Купить
54 8M0122064 Рем.комплект помпы F8-20 (PUMP KIT Water-Complete)

Под заказ

1

Под заказ

уточнить

Купить

Нулевая цена не означает отсутствие товара. Оформите заказ, и менеджер сообщит вам цену и наличие товара, предварительно запросив их у поставщика

Главная Магазины
Корзина0
Профиль