Мы используем cookie для наилучшего представления нашего сайта. Подробнее об этом в Политике конфиденциальности.
Ок

Каспийск

Ваш город:
Каспийск (Республика Дагестан)?
Нет
Да
Каталог
Каталог Написать в WhatsApp
Мотоэкипировка

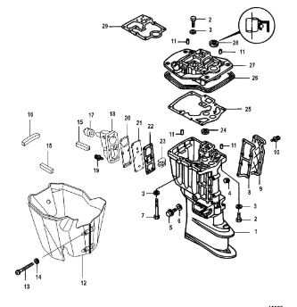
Корпус карданного вала 4-Х ТАКТНОГО ПЛМ MERCURY 25 Серийный номер от 0R106999 и выше

Корпус карданного вала 4-Х ТАКТНОГО ПЛМ MERCURY 25 Серийный номер от 0R106999 и выше в Каспийске: актуальный каталог, цены, фото, описание. Купите корпус карданного вала 4-х тактного плм mercury 25 серийный номер от 0r106999 и выше в кредит – оформите заявку онлайн за 1 минуту!

Оригинальные запчасти

Артикул НАИМЕНОВАНИЕ Кол-во деталей в узле Примечание Наличие Цена Аналоги Фото
1 803724T02 Дейдвуд (HOUSING-DSH)

Под заказ

1

Под заказ

уточнить

Купить
2 803725T06 Дейдвуд (DRIVESHAFT HOUSING)

Под заказ

1

Под заказ

уточнить

Купить
3 823042079 BOLT

Под заказ

3

Под заказ

уточнить

Купить
4 16192 Шайба (WASHER@10)

Под заказ

9

Под заказ

уточнить

Купить
5 803593 Заглушка (PLUG, Exhaust)

Под заказ

1

Под заказ

уточнить

Купить
6 8M0111615 BOLT-DRAIN PLUG

Под заказ

1

Под заказ

уточнить

Купить
7 895146 Шайба (WASHER)

Под заказ

1

Под заказ

уточнить

Купить
8 898103227 BOLT

Под заказ

6

Под заказ

уточнить

Купить
9 854617001 Прокладка (GASKET )

Под заказ

1

Под заказ

уточнить

Купить
10 853577001 COVER, Drain

Под заказ

1

Под заказ

уточнить

Купить
11 898101953 Болт (BOLT @2)

Под заказ

8

Под заказ

уточнить

Купить
12 896116T SKIRT

Под заказ

1

Под заказ

уточнить

Купить
13 896116T01 SKIRT, Camouflage

Под заказ

1

Под заказ

уточнить

Купить
14 898101192 SCREW, Tapping

Под заказ

2

Под заказ

уточнить

Купить
15 895106 *** Шайба (WASHER @2)

Под заказ

2

Под заказ

уточнить

Купить
16 898101003 SEAL, Skirt

Под заказ

2

Под заказ

уточнить

Купить
17 898101002 SEAL, Skirt

Под заказ

1

Под заказ

уточнить

Купить
18 896631 GROMMET

Под заказ

1

Под заказ

уточнить

Купить
19 898101105 COVER, Idle Exhaust

Под заказ

1

Под заказ

уточнить

Купить
20 167051 Болт (BOLT)

Под заказ

6

Под заказ

уточнить

Купить
21 898101106 *** Прокладка (GASKET)

Под заказ

1

Под заказ

уточнить

Купить
22 898101137 PLATE

Под заказ

1

Под заказ

уточнить

Купить
23 895148001 Прокладка (GASKET )

Под заказ

1

Под заказ

уточнить

Купить
24 898101086 GROMMET

Под заказ

1

Под заказ

уточнить

Купить
25 95275002 Пластина (PLATE)

Под заказ

1

Под заказ

уточнить

Купить
26 803663T15 Прокладка (GASKET)

Под заказ

1

Под заказ

уточнить

Купить
27 852432001 SEAL, Rubber

Под заказ

1

Под заказ

уточнить

Купить
28 8M0097392 ADAPTOR PLATE

Под заказ

1

Под заказ

уточнить

Купить
29 8537072 Сальник (OIL SEAL)

Под заказ

1

Под заказ

уточнить

Купить
30 835427T04 Прокладка (GASKET)

Под заказ

1

Под заказ

уточнить

Купить
31 8M0079064 Комплект прокладок блока F25-30EFI (GASKET SET)

Под заказ

1

Под заказ

уточнить

Купить

Нулевая цена не означает отсутствие товара. Оформите заказ, и менеджер сообщит вам цену и наличие товара, предварительно запросив их у поставщика

Главная Магазины
Корзина0
Профиль