Мы используем cookie для наилучшего представления нашего сайта. Подробнее об этом в Политике конфиденциальности.
Ок

Каспийск

Ваш город:
Каспийск (Республика Дагестан)?
Нет
Да
Каталог
Каталог Написать в WhatsApp
Мотоэкипировка

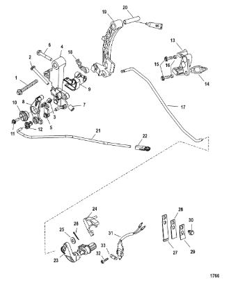
Запчасти для 4-х тактного ПЛМ MERCURY 30 Серийный номер от 0P153500 до 0P400999

Запчасти для 4-х тактного ПЛМ MERCURY 30 Серийный номер от 0P153500 до 0P400999 в Каспийске: актуальный каталог, цены, фото, описание. Купите запчасти для 4-х тактного плм mercury 30 серийный номер от 0p153500 до 0p400999 в кредит – оформите заявку онлайн за 1 минуту!
Для ускорения поиска, Ты можешь ввести здесь часть названия детали, например «Поршень»

On-line каталоги

Главная Магазины
Корзина0
Профиль