Мы используем cookie для наилучшего представления нашего сайта. Подробнее об этом в Политике конфиденциальности.
Ок

Каспийск

Ваш город:
Каспийск (Республика Дагестан)?
Нет
Да
Каталог
Каталог Написать в WhatsApp
Мотоэкипировка

Впускные / выпускные клапаны 4-Х ТАКТНОГО ПЛМ MERCURY 4 Серийный номер от 0P073456 до 0P400999

Впускные / выпускные клапаны 4-Х ТАКТНОГО ПЛМ MERCURY 4 Серийный номер от 0P073456 до 0P400999 в Каспийске: актуальный каталог, цены, фото, описание. Купите впускные / выпускные клапаны 4-х тактного плм mercury 4 серийный номер от 0p073456 до 0p400999 в кредит – оформите заявку онлайн за 1 минуту!

Оригинальные запчасти

Артикул НАИМЕНОВАНИЕ Кол-во деталей в узле Примечание Наличие Цена Аналоги Фото
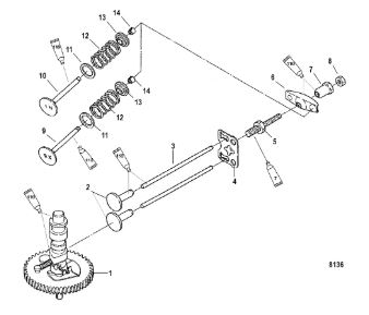
1 803545T03 Распредвал (CAMSHAFT)

Под заказ

1

Под заказ

уточнить

Купить
2 803545T1 CAMSHAFT

Под заказ

1

Под заказ

уточнить

Купить
3 803545T CAMSHAFT

Под заказ

1

Под заказ

уточнить

Купить
4 803546 Толкатель (LIFTER)

Под заказ

2

Под заказ

уточнить

Купить
5 803547 Толкатель(PUSH ROD)

Под заказ

2

Под заказ

уточнить

Купить
6 803548 Плата (PLATE)

Под заказ

1

Под заказ

уточнить

Купить
7 8035097 BOLT

Под заказ

2

Под заказ

уточнить

Купить
8 803549 *** Рычаг клапана (ARM-ROCKER)

Под заказ

2

Под заказ

уточнить

Купить
9 803550 Регулировочный болт (PIVOT)

Под заказ

2

Под заказ

уточнить

Купить
10 803551 NUT

Под заказ

2

Под заказ

уточнить

Купить
11 8M0056316 Выпускной клапан (EXHAUST VALVE)

Под заказ

1

Под заказ

уточнить

Купить
12 803552T *** Впускной клапан (VALVE-INLET)

Под заказ

1

Под заказ

уточнить

Купить
13 803555 Стопор (RETAINER)

Под заказ

2

Под заказ

уточнить

Купить
14 803556 Сухарь (VALVE KEEPER)

Под заказ

4

Под заказ

уточнить

Купить

Нулевая цена не означает отсутствие товара. Оформите заказ, и менеджер сообщит вам цену и наличие товара, предварительно запросив их у поставщика

Главная Магазины
Корзина0
Профиль