Мы используем cookie для наилучшего представления нашего сайта. Подробнее об этом в Политике конфиденциальности.
Ок

Каспийск

Ваш город:
Каспийск (Республика Дагестан)?
Нет
Да
Каталог
Каталог Написать в WhatsApp
Мотоэкипировка

Топливная система 4-Х ТАКТНОГО ПЛМ MERCURY 4 Серийный номер от 0P401000 и выше

Топливная система 4-Х ТАКТНОГО ПЛМ MERCURY 4 Серийный номер от 0P401000 и выше в Каспийске: актуальный каталог, цены, фото, описание. Купите топливная система 4-х тактного плм mercury 4 серийный номер от 0p401000 и выше в кредит – оформите заявку онлайн за 1 минуту!

Оригинальные запчасти

Артикул НАИМЕНОВАНИЕ Кол-во деталей в узле Примечание Наличие Цена Аналоги Фото
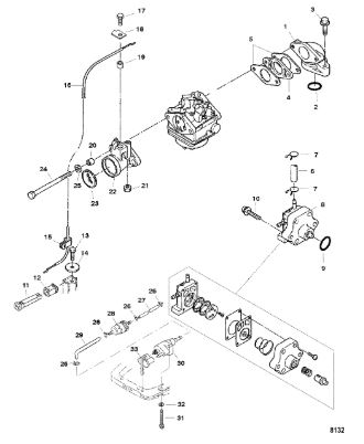
1 803530 Коллектор (MANIFOLD, Inlet)

Под заказ

1

Под заказ

уточнить

Купить
2 8035133 Уплотнительное кольцо (O-RING, Inlet Manifold)

Под заказ

1

Под заказ

уточнить

Купить
3 8150684 BOLT, (M6 x 25)

Под заказ

2

Под заказ

уточнить

Купить
4 80350810 Прокладка изоляционная (GASKET, Insulator)

Под заказ

1

Под заказ

уточнить

Купить
5 803508013 Прокладка впускного коллектора (GASKET)

Под заказ

2

Под заказ

уточнить

Купить
6 8M0057113 Шланг (HOSE)

Под заказ

1

Под заказ

уточнить

Купить
7 803529T06 Топливный насос (FUEL PUMP)

Под заказ

1

Под заказ

уточнить

Купить
8 803513 Резиновое уплотнение (O RING)

Под заказ

1

Под заказ

уточнить

Купить
9 8555448 SCREW, (M6 x 25)

Под заказ

2

Под заказ

уточнить

Купить
10 804646 Рычаг управления «подсосом» двигателя (ROD-CHOKE)

Под заказ

1

Под заказ

уточнить

Купить
11 8M0047187 BUSHING

Под заказ

1

Под заказ

уточнить

Купить
12 16223 Болт (BOLT)

Под заказ

1

Под заказ

уточнить

Купить
13 161404 Шайба (WASHER)

Под заказ

1

Под заказ

уточнить

Купить
14 953951 CLAMP

Под заказ

1

Под заказ

уточнить

Купить
15 8276225 Тяга (CABLE-CHOKE)

Под заказ

1

Под заказ

уточнить

Купить
16 16832 Болт M6x16 (BOLT)

Под заказ

1

Под заказ

уточнить

Купить
17 803528 BRACKET

Под заказ

1

Под заказ

уточнить

Купить
18 804371 COLLAR

Под заказ

1

Под заказ

уточнить

Купить
19 952868 COLLAR

Под заказ

2

Под заказ

уточнить

Купить
20 400212 Гайка (NUT)

Под заказ

1

Под заказ

уточнить

Купить
21 803526T SILENCER, Air

Под заказ

1

Под заказ

уточнить

Купить
22 803527 FLAME TRAP

Под заказ

1

Под заказ

уточнить

Купить
23 8M0079503 HOSE

Под заказ

1

Под заказ

уточнить

Купить
24 8M0157133 Топливный фильтр (FILTER)

Под заказ

1

Под заказ

уточнить

Купить
25 878054 TUBING

Под заказ

1

Под заказ

уточнить

Купить
26 15781A5 *** Топливный коннектор (CONNECTOR-FUEL)

Под заказ

1

Под заказ

уточнить

Купить
27 4000333 Болт (SCREW)

Под заказ

1

Под заказ

уточнить

Купить
28 16826 Шайба (WASHER@10)

Под заказ

1

Под заказ

уточнить

Купить
29 878311 Заглушка (PROTECTOR FUEL)

Под заказ

1

Под заказ

уточнить

Купить
30 8M0101710 Прокладка (GASKET SET)

Под заказ

1

Под заказ

уточнить

Купить

Нулевая цена не означает отсутствие товара. Оформите заказ, и менеджер сообщит вам цену и наличие товара, предварительно запросив их у поставщика

Главная Магазины
Корзина0
Профиль