Мы используем cookie для наилучшего представления нашего сайта. Подробнее об этом в Политике конфиденциальности.
Ок

Каспийск

Ваш город:
Каспийск (Республика Дагестан)?
Нет
Да
Каталог
Каталог Написать в WhatsApp
Мотоэкипировка

Головка цилиндра 4-Х ТАКТНОГО ПЛМ MERCURY 40 Серийный номер от 0P153500 до 0P400999

Головка цилиндра 4-Х ТАКТНОГО ПЛМ MERCURY 40 Серийный номер от 0P153500 до 0P400999 в Каспийске: актуальный каталог, цены, фото, описание. Купите головка цилиндра 4-х тактного плм mercury 40 серийный номер от 0p153500 до 0p400999 в кредит – оформите заявку онлайн за 1 минуту!

Оригинальные запчасти

Артикул НАИМЕНОВАНИЕ Кол-во деталей в узле Примечание Наличие Цена Аналоги Фото
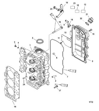
1 893504T01 CYLINDER HEAD ASSEMBLY, Complete

Под заказ

1

Под заказ

уточнить

Купить
2 893504T CYLINDER HEAD

Под заказ

1

Под заказ

уточнить

Купить
3 858266 Втулка направляющая (GUIDE)

Под заказ

6

Под заказ

уточнить

Купить
4 893549 Сальник (OIL SEAL)

Под заказ

1

Под заказ

уточнить

Купить
5 875209 PIPE PLUG

Под заказ

5

Под заказ

уточнить

Купить
6 893898 Уплотнитель клапанной крышки (SEAL)

Под заказ

1

Под заказ

уточнить

Купить
7 893693A04 COVER ASSEMBLY

Под заказ

1

Под заказ

уточнить

Купить
8 825054 BREATHER PIPE

Под заказ

1

Под заказ

уточнить

Купить
9 855236 BAFFLE PLATE

Под заказ

1

Под заказ

уточнить

Купить
10 8M0118180 Прокладка головки блока (HEAD GASKET - 3CYL)

Под заказ

1

Под заказ

уточнить

Купить
11 82503395 Болт M9x95 (SCREW)

Под заказ

8

Под заказ

уточнить

Купить
12 893745025 SCREW

Под заказ

4

Под заказ

уточнить

Купить
13 629101 FITTING, Elbow (90 Degree) (.125-27)

Под заказ

1

Под заказ

уточнить

Купить
14 830294T3 BRACKET

Под заказ

1

Под заказ

уточнить

Купить
15 859578A1 Пробка (OIL PLUG ASY)

Под заказ

1

Под заказ

уточнить

Купить
16 90196 Кольцо резиновое (O RING)

Под заказ

1

Под заказ

уточнить

Купить
17 825010 PIN, Dowel

Под заказ

2

Под заказ

уточнить

Купить
18 803017T01 Двигательный блок 30-40 4-т 3-цил (POWERHEAD)

Под заказ

1

Под заказ

уточнить

Купить
19 859352A02 Набор прокладок (GASKET SET)

Под заказ

1

Под заказ

уточнить

Купить

Нулевая цена не означает отсутствие товара. Оформите заказ, и менеджер сообщит вам цену и наличие товара, предварительно запросив их у поставщика

Главная Магазины
Корзина0
Профиль