Мы используем cookie для наилучшего представления нашего сайта. Подробнее об этом в Политике конфиденциальности.
Ок

Каспийск

Ваш город:
Каспийск (Республика Дагестан)?
Нет
Да
Каталог
Каталог Написать в WhatsApp
Мотоэкипировка

Топливный насос 4-Х ТАКТНОГО ПЛМ MERCURY 40 Серийный номер от 1C000001 до 1C049738

Топливный насос 4-Х ТАКТНОГО ПЛМ MERCURY 40 Серийный номер от 1C000001 до 1C049738 в Каспийске: актуальный каталог, цены, фото, описание. Купите топливный насос 4-х тактного плм mercury 40 серийный номер от 1c000001 до 1c049738 в кредит – оформите заявку онлайн за 1 минуту!

Оригинальные запчасти

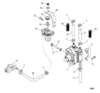
Артикул НАИМЕНОВАНИЕ Кол-во деталей в узле Примечание Наличие Цена Аналоги Фото
1 8M0141827 Топливный насос (FUEL PUMP)

Под заказ

1

Под заказ

уточнить

18 130

Купить
2 8M0007776 DEFLECTOR, Cowl

Под заказ

1

Под заказ

уточнить

Купить
3 8M0108349 Шланг (HOSE-70 INCH)

Под заказ

1

Под заказ

уточнить

Купить
4 879884T Топливный фильтр (FUEL FILTER)

Под заказ

1

Под заказ

уточнить

Купить
5 8M0108355 Шланг (HOSE-57 INCH)

Под заказ

1

Под заказ

уточнить

Купить
6 816856A4 Топливный коннектор (CONNECTOR ASSY)

Под заказ

1

Под заказ

уточнить

Купить
7 856954 Втулка (BUSHING)

Под заказ

1

Под заказ

уточнить

Купить
8 834985 Втулка (GROMMET)

Под заказ

1

Под заказ

уточнить

Купить
9 4002316 Шайба (WASHER@5)

Под заказ

1

Под заказ

уточнить

Купить
10 401196 Гайка (NUT, (M6))

Под заказ

1

Под заказ

уточнить

Купить
11 893772 BRACKET

Под заказ

1

Под заказ

уточнить

Купить
12 40011126 Болт (SCREW M6 X 13)

Под заказ

2

Под заказ

уточнить

Купить
13 828547T1 CONDUIT, (.500 Inside Diameter x 3.00 Feet Bulk)

Под заказ

1

Под заказ

уточнить

Купить

Нулевая цена не означает отсутствие товара. Оформите заказ, и менеджер сообщит вам цену и наличие товара, предварительно запросив их у поставщика

Главная Магазины
Корзина0
Профиль