Мы используем cookie для наилучшего представления нашего сайта. Подробнее об этом в Политике конфиденциальности.
Ок

Каспийск

Ваш город:
Каспийск (Республика Дагестан)?
Нет
Да
Каталог
Каталог Написать в WhatsApp
Мотоэкипировка

Комплект для дистанционного управления 4-Х ТАКТНОГО ПЛМ MERCURY 5 Серийный номер от 0R000001 до 0R067089

Комплект для дистанционного управления 4-Х ТАКТНОГО ПЛМ MERCURY 5 Серийный номер от 0R000001 до 0R067089 в Каспийске: актуальный каталог, цены, фото, описание. Купите комплект для дистанционного управления 4-х тактного плм mercury 5 серийный номер от 0r000001 до 0r067089 в кредит – оформите заявку онлайн за 1 минуту!

Оригинальные запчасти

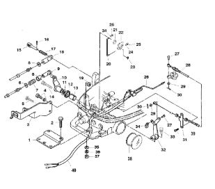
Артикул НАИМЕНОВАНИЕ Кол-во деталей в узле Примечание Наличие Цена Аналоги Фото
1 803583A4 ATTACHING KIT, Remote Control

Под заказ

1

Под заказ

уточнить

Купить
2 8M0062171 HOOK-STEERING

Под заказ

1

Под заказ

уточнить

Купить
3 4000354 Винт (SCREW, BEARING CARRIER)

Под заказ

2

Под заказ

уточнить

Купить
4 17023 BRACKET

Под заказ

1

Под заказ

уточнить

Купить
5 8230421 BOLT

Под заказ

1

Под заказ

уточнить

Купить
6 162233 SCREW

Под заказ

1

Под заказ

уточнить

Купить
7 804357 LEVER ASSEMBLY, Throttle

Под заказ

1

Под заказ

уточнить

Купить
8 16221 Шайба Гровера (WASHER-WAVE)

Под заказ

1

Под заказ

уточнить

Купить
9 16219 Уплотнитель рукоятки капота (SEAL, HOOK LEVER)

Под заказ

1

Под заказ

уточнить

Купить
10 16220 Втулка рукоятки капота (BUSHING, HOOK LEVER)

Под заказ

1

Под заказ

уточнить

Купить
11 162232 BOLT

Под заказ

1

Под заказ

уточнить

Купить
12 17031 LOCK PIN

Под заказ

1

Под заказ

уточнить

Купить
13 17033 PIN, LOCK PIN

Под заказ

1

Под заказ

уточнить

Купить
14 17032 SPRING, LOCK PIN

Под заказ

1

Под заказ

уточнить

Купить
15 17030 SLEEVE

Под заказ

1

Под заказ

уточнить

Купить
16 400212 Гайка (NUT)

Под заказ

2

Под заказ

уточнить

Купить
17 803584 Тяга (LINK ROD )

Под заказ

1

Под заказ

уточнить

Купить
18 16849 Шайба (COLLAR )

Под заказ

1

Под заказ

уточнить

Купить
19 803585 *Кулачок (LINK LEVER)

Под заказ

1

Под заказ

уточнить

Купить
20 804993A1 NUT KIT

Под заказ

1

Под заказ

уточнить

Купить
21 804992 WASHER

Под заказ

2

Под заказ

уточнить

Купить
22 804993 WASHER

Под заказ

2

Под заказ

уточнить

Купить
23 17035 HARNESS (DUEL STOP SWITCH)

Под заказ

1

Под заказ

уточнить

Купить
24 803588 PIN

Под заказ

2

Под заказ

уточнить

Купить
25 803587 CABLE, Throttle

Под заказ

1

Под заказ

уточнить

Купить
26 16335 Шайба (WASHER, STARTER LOCK SCREW)

Под заказ

2

Под заказ

уточнить

Купить
27 16189 Шплинт (PIN-COTTER)

Под заказ

2

Под заказ

уточнить

Купить
28 803590 BRACKET

Под заказ

1

Под заказ

уточнить

Купить
29 803589 LINK, Throttle

Под заказ

1

Под заказ

уточнить

Купить
30 16223 Болт (BOLT)

Под заказ

1

Под заказ

уточнить

Купить
31 16333 Защелка (ROD, Snap)

Под заказ

1

Под заказ

уточнить

Купить
32 16192 Шайба (WASHER@10)

Под заказ

2

Под заказ

уточнить

Купить
33 400213 Гайка

Под заказ

2

Под заказ

уточнить

Купить
34 885154 GROMMET

Под заказ

1

Под заказ

уточнить

Купить
35 855544 SCREW

Под заказ

2

Под заказ

уточнить

Купить
36 17162 HARNESS (5.9M)

Под заказ

1

Под заказ

уточнить

Купить

Нулевая цена не означает отсутствие товара. Оформите заказ, и менеджер сообщит вам цену и наличие товара, предварительно запросив их у поставщика

Главная Магазины
Корзина0
Профиль