Мы используем cookie для наилучшего представления нашего сайта. Подробнее об этом в Политике конфиденциальности.
Ок

Каспийск

Ваш город:
Каспийск (Республика Дагестан)?
Нет
Да
Каталог
Каталог Написать в WhatsApp
Мотоэкипировка

Корпус шестерни, Prop-2.31:1-USA-0T625303/BEL-0P216184 и ниже 4-Х ТАКТНОГО ПЛМ MERCURY 50 Серийный номер от 0T409000 до 1B344306

Корпус шестерни, Prop-2.31:1-USA-0T625303/BEL-0P216184 и ниже 4-Х ТАКТНОГО ПЛМ MERCURY 50 Серийный номер от 0T409000 до 1B344306 в Каспийске: актуальный каталог, цены, фото, описание. Купите корпус шестерни, prop-2.31:1-usa-0t625303/bel-0p216184 и ниже 4-х тактного плм mercury 50 серийный номер от 0t409000 до 1b344306 в кредит – оформите заявку онлайн за 1 минуту!

Оригинальные запчасти

Артикул НАИМЕНОВАНИЕ Кол-во деталей в узле Примечание Наличие Цена Аналоги Фото
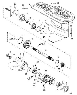
1 9011G90 Редуктор BF(GEAR HOUSING ASSY, Complete 4.25 Inch)

Под заказ

1

Под заказ

уточнить

Купить
2 9011G59 Корпус редуктора (GEAR HOUSING ASSEMBLY, Basic)

Под заказ

1

Под заказ

уточнить

Купить
3 30894A1 Роликовый подшипник (BEARING SET)

Под заказ

1

Под заказ

уточнить

Купить
4 859472A3 Шестерня переднего хода (GEAR KIT-FORWARD)

Под заказ

1

Под заказ

уточнить

Купить
5 30895T Подшипник (BEARING)

Под заказ

1

Под заказ

уточнить

Купить
6 856823 Кольцо (RING, Retaining)

Под заказ

1

Под заказ

уточнить

Купить
7 850315A1 Копир кулачка (FOLLOWER KIT-CAM)

Под заказ

1

Под заказ

уточнить

Купить
8 44530 Шарик (BALL)

Под заказ

3

Под заказ

уточнить

Купить
9 850327 SPRING

Под заказ

1

Под заказ

уточнить

Купить
10 850048T *Муфта (CLUTCH)

Под заказ

1

Под заказ

уточнить

Купить
11 8M0100263 PIN @3

Под заказ

1

Под заказ

уточнить

Купить
12 30893 Пружина (SPRING @2)

Под заказ

1

Под заказ

уточнить

Купить
13 8M0140445 Гребной вал (PROP SHAFT)

Под заказ

1

Под заказ

уточнить

Купить
14 850034T *Шестерня заднего хода (GEAR-REVERSE)

Под заказ

1

Под заказ

уточнить

Купить
15 12596T2 Корпус подшипника (CARRIER ASSY-BRG)

Под заказ

1

Под заказ

уточнить

Купить
16 861844 Уплотнительное кольцо (O RING)

Под заказ

1

Под заказ

уточнить

Купить
17 30956T Подшипник (BEARING)

Под заказ

1

Под заказ

уточнить

Купить
18 70080 Сальник (SEAL)

Под заказ

1

Под заказ

уточнить

Купить
19 70081 Сальник (SEAL)

Под заказ

1

Под заказ

уточнить

Купить
20 12578T Подшипник роликовый (BEARING)

Под заказ

1

Под заказ

уточнить

Купить
21 12577 Шайба (WASHER)

Под заказ

1

Под заказ

уточнить

Купить
22 12576 Шарикоподшипник (BEARING)

Под заказ

1

Под заказ

уточнить

Купить
23 8M0034456 Шпилька M8x1.25x48 (STUD)

Под заказ

2

Под заказ

уточнить

Купить
24 855941 Шайба (WASHER)

Под заказ

2

Под заказ

уточнить

Купить
25 401378 NUT, (M8)

Под заказ

2

Под заказ

уточнить

Купить
26 44491A1 Регулировочные кольца (shim set)

Под заказ

1

Под заказ

уточнить

Купить
27 8227731 Вставка (INSERT)

Под заказ

2

Под заказ

уточнить

Купить
28 13191Q01 Упорная шайба (THRUSTWASHER@2)

Под заказ

1

Под заказ

уточнить

Купить
29 52707Q1 Гайка крепления гребного винта (PROP NUT KIT@2)

Под заказ

1

Под заказ

уточнить

Купить
30 816629Q Шайба (TAB WASHER)

Под заказ

1

Под заказ

уточнить

Купить
31 856774 Шайба (WASHER)

Под заказ

4

Под заказ

уточнить

Купить
32 43035A05 Сальник (SEAL KIT, Gear Housing)

Под заказ

1

Под заказ

уточнить

Купить

Нулевая цена не означает отсутствие товара. Оформите заказ, и менеджер сообщит вам цену и наличие товара, предварительно запросив их у поставщика

Главная Магазины
Корзина0
Профиль