Мы используем cookie для наилучшего представления нашего сайта. Подробнее об этом в Политике конфиденциальности.
Ок

Каспийск

Ваш город:
Каспийск (Республика Дагестан)?
Нет
Да
Каталог
Каталог Написать в WhatsApp
Мотоэкипировка

Паросепаратор 4-Х ТАКТНОГО ПЛМ MERCURY 50 Серийный номер от 1C050252 и выше

Паросепаратор 4-Х ТАКТНОГО ПЛМ MERCURY 50 Серийный номер от 1C050252 и выше в Каспийске: актуальный каталог, цены, фото, описание. Купите паросепаратор 4-х тактного плм mercury 50 серийный номер от 1c050252 и выше в кредит – оформите заявку онлайн за 1 минуту!

Оригинальные запчасти

Артикул НАИМЕНОВАНИЕ Кол-во деталей в узле Примечание Наличие Цена Аналоги Фото
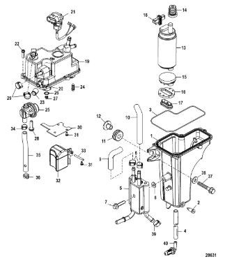
1 892267T03 Паросепаратор (VAPOR SEPARATOR)

Под заказ

1

Под заказ

уточнить

Купить
2 892267A54 BODY ASSEMBLY

Под заказ

1

Под заказ

уточнить

Купить
3 892267506 SCREW, Drain

Под заказ

1

Под заказ

уточнить

Купить
4 892267530 Уплотнительное кольцо (O-RING)

Под заказ

1

Под заказ

уточнить

Купить
5 8M0054213 Шланг (HOSE-40 INCH)

Под заказ

1

Под заказ

уточнить

Купить
6 892267A55 FUEL COOLER

Под заказ

1

Под заказ

уточнить

Купить
7 82130025 SCREW, (M6 x 25)

Под заказ

1

Под заказ

уточнить

Купить
8 892267511 WASHER

Под заказ

1

Под заказ

уточнить

Купить
9 892267504 HOSE

Под заказ

1

Под заказ

уточнить

Купить
10 892267503 HOSE

Под заказ

1

Под заказ

уточнить

Купить
11 834985 Втулка (GROMMET)

Под заказ

3

Под заказ

уточнить

Купить
12 856954 Втулка (BUSHING)

Под заказ

3

Под заказ

уточнить

Купить
13 892267A51 Топливный насос для инжекторных двигателей

Под заказ

1

Под заказ

уточнить

Купить
14 892267521 INSULATOR

Под заказ

1

Под заказ

уточнить

Купить
15 892267510 ISOLATOR

Под заказ

1

Под заказ

уточнить

Купить
16 892267523 INSULTOR

Под заказ

1

Под заказ

уточнить

Купить
17 892267534 Фильтр (STRAINER, Fuel)

Под заказ

1

Под заказ

уточнить

Купить
18 892267519 Крышка (COVER)

Под заказ

1

Под заказ

уточнить

Купить
19 892267T57 COVER ASSEMBLY

Под заказ

1

Под заказ

уточнить

Купить
20 892267537 VALVE, Schrader

Под заказ

1

Под заказ

уточнить

Купить
21 892267535 CONNECTOR, Electrical

Под заказ

1

Под заказ

уточнить

Купить
22 892267531 SCREW, (M4 x 16)

Под заказ

5

Под заказ

уточнить

Купить
23 892267A52 Крышка паросепаратора (FLOAT VALVE KIT)

Под заказ

1

Под заказ

уточнить

Купить
24 892267A50 Регулятор давления (REGULATOR KIT)

Под заказ

1

Под заказ

уточнить

Купить
25 892267513 O-RING

Под заказ

1

Под заказ

уточнить

Купить
26 892267512 SCREEN

Под заказ

1

Под заказ

уточнить

Купить
27 892267515 SCREW, (M5 x 18)

Под заказ

1

Под заказ

уточнить

Купить
28 888988023 CLAMP

Под заказ

2

Под заказ

уточнить

Купить
29 892267520 PLTE

Под заказ

1

Под заказ

уточнить

Купить
30 892267529 SCREW, (M4 x 8)

Под заказ

5

Под заказ

уточнить

Купить
31 892267527 FLOAT

Под заказ

1

Под заказ

уточнить

Купить
32 892267528 FLOAT PIN

Под заказ

1

Под заказ

уточнить

Купить
33 892267517 CLIP

Под заказ

1

Под заказ

уточнить

Купить
34 892267516 HOSE

Под заказ

1

Под заказ

уточнить

Купить
35 56762 STA-STRAP, WIRES

Под заказ

1

Под заказ

уточнить

Купить
36 4002316 Шайба (WASHER@5)

Под заказ

3

Под заказ

уточнить

Купить
37 8M0022107 FITTING

Под заказ

1

Под заказ

уточнить

Купить

Нулевая цена не означает отсутствие товара. Оформите заказ, и менеджер сообщит вам цену и наличие товара, предварительно запросив их у поставщика

Главная Магазины
Корзина0
Профиль