Мы используем cookie для наилучшего представления нашего сайта. Подробнее об этом в Политике конфиденциальности.
Ок

Каспийск

Ваш город:
Каспийск (Республика Дагестан)?
Нет
Да
Каталог
Каталог Написать в WhatsApp
Мотоэкипировка

Катушка зажигания 1C104424/0P560350 и выше 4-Х ТАКТНОГО ПЛМ MERCURY 60 Серийный номер от 0P515897 и выше

Катушка зажигания 1C104424/0P560350 и выше 4-Х ТАКТНОГО ПЛМ MERCURY 60 Серийный номер от 0P515897 и выше в Каспийске: актуальный каталог, цены, фото, описание. Купите катушка зажигания 1c104424/0p560350 и выше 4-х тактного плм mercury 60 серийный номер от 0p515897 и выше в кредит – оформите заявку онлайн за 1 минуту!

Оригинальные запчасти

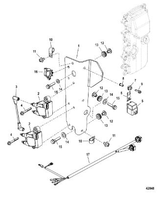
Артикул НАИМЕНОВАНИЕ Кол-во деталей в узле Примечание Наличие Цена Аналоги Фото
1 8M0044994 COIL PLATE

Под заказ

1

Под заказ

уточнить

Купить
2 8M0044991 Катушка зажигания (COIL)

Под заказ

2

Под заказ

уточнить

Купить
3 881908T Бронепровода (CABLE SET)

Под заказ

1

Под заказ

уточнить

Купить
4 882751A1 Реле (RELAY ASSY-TRIM )

Под заказ

3

Под заказ

уточнить

Купить
5 828102 BRACKET, Mounting

Под заказ

1

Под заказ

уточнить

Купить
6 818967 Уплотнитель (GROMMET)

Под заказ

1

Под заказ

уточнить

Купить
7 818968 Втулка (BUSHING)

Под заказ

3

Под заказ

уточнить

Купить
8 82129125 Болт (SCREW)

Под заказ

1

Под заказ

уточнить

Купить
9 65292 J CLIP

Под заказ

2

Под заказ

уточнить

Купить
10 82129110 Болт (SCREW)

Под заказ

2

Под заказ

уточнить

Купить
11 856954 Втулка (BUSHING)

Под заказ

3

Под заказ

уточнить

Купить
12 834985 Втулка (GROMMET)

Под заказ

3

Под заказ

уточнить

Купить
13 8M0103807 Болт (SCREW @2)

Под заказ

3

Под заказ

уточнить

Купить
14 4002316 Шайба (WASHER@5)

Под заказ

3

Под заказ

уточнить

Купить
15 898454 CLIP, (19mm)

Под заказ

1

Под заказ

уточнить

Купить
16 826802T36 Электропроводка (HARNESS ASSEMBLY, Trim)

Под заказ

1

Под заказ

уточнить

Купить

Нулевая цена не означает отсутствие товара. Оформите заказ, и менеджер сообщит вам цену и наличие товара, предварительно запросив их у поставщика

Главная Магазины
Корзина0
Профиль