Мы используем cookie для наилучшего представления нашего сайта. Подробнее об этом в Политике конфиденциальности.
Ок

Каспийск

Ваш город:
Каспийск (Республика Дагестан)?
Нет
Да
Каталог
Каталог Написать в WhatsApp
Мотоэкипировка

Корпус шестерни, карданный вал-Non Bigfoot 4-Х ТАКТНОГО ПЛМ MERCURY 8 Серийный номер от 0R042475 и выше

Корпус шестерни, карданный вал-Non Bigfoot 4-Х ТАКТНОГО ПЛМ MERCURY 8 Серийный номер от 0R042475 и выше в Каспийске: актуальный каталог, цены, фото, описание. Купите корпус шестерни, карданный вал-non bigfoot 4-х тактного плм mercury 8 серийный номер от 0r042475 и выше в кредит – оформите заявку онлайн за 1 минуту!

Оригинальные запчасти

Артикул НАИМЕНОВАНИЕ Кол-во деталей в узле Примечание Наличие Цена Аналоги Фото
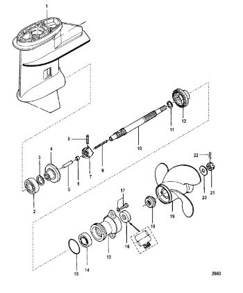
1 8M0135929 GC 8/9.9 4S SHORT

Под заказ

1

Под заказ

уточнить

Купить
2 8M0070883 GEAR HSG COMPLETE

Под заказ

1

Под заказ

уточнить

Купить
3 895154T01 Корпус редуктора (GEAR HOUSING ASSEMBLY, Basic)

Под заказ

1

Под заказ

уточнить

Купить
4 8037331 Подшипник (BEARING)

Под заказ

1

Под заказ

уточнить

Купить
5 16141 Регулировочное кольцо (SHIM)

Под заказ

1

Под заказ

уточнить

Купить
6 813277 Регулировочное кольцо (SHIM)

Под заказ

1

Под заказ

уточнить

Купить
7 8037391 Шестерня (GEAR)

Под заказ

1

Под заказ

уточнить

Купить
8 16152 Кулачок (FOLLOWER-CAM)

Под заказ

1

Под заказ

уточнить

Купить
9 8537642 Держатель (RETAINER)

Под заказ

1

Под заказ

уточнить

Купить
10 8037451 Муфта (CLUTCH)

Под заказ

1

Под заказ

уточнить

Купить
11 16150 Шпонка (PIN)

Под заказ

1

Под заказ

уточнить

Купить
12 892777002 Пружина (SPRING, (58mm))

Под заказ

1

Под заказ

уточнить

Купить
13 8M0070782 Вал гребного винта (PROP SHAFT)

Под заказ

1

Под заказ

уточнить

Купить
14 16140 Шайба (WASHER)

Под заказ

1

Под заказ

уточнить

Купить
15 8037411 Шестерня (GEAR)

Под заказ

1

Под заказ

уточнить

Купить
16 8M0070876 Корпус подшипника (CARRIER-BEARING)

Под заказ

1

Под заказ

уточнить

Купить
17 16128 Шариковый подшипник (BEARING-BALL)

Под заказ

1

Под заказ

уточнить

Купить
18 16131 Резиновое кольцо (O RING)

Под заказ

1

Под заказ

уточнить

Купить
19 16130 Сальник (SEAL)

Под заказ

1

Под заказ

уточнить

Купить
20 167051 Болт (BOLT)

Под заказ

2

Под заказ

уточнить

Купить
21 8M0131240 Упорная шайба (THRUST HOLDER ASY)

Под заказ

1

Под заказ

уточнить

Купить
22 897610A10 Винт Black Max для мотора 9,9Light 2Т и 9,9 4Т Диаметр 8,9 дюйма, шаг 6,5 дюйм

Под заказ

1

Под заказ

уточнить

Купить
23 897614A10 Винт Mercury Black Max для 4Т мотора мощностью 8 л.с Диаметр 8,9 дюйма, шаг 7,5 дюймов.

Под заказ

1

Под заказ

уточнить

7 300

Купить
24 897618A10 Винт Black Max для мотора 9,9Light 2Т и 9,9 4Т Диаметр 8,9 дюйма, шаг 8,5 дюйм

Под заказ

1

Под заказ

уточнить

10 250

Купить
25 897620A10 Винт гребной (PROPELLER)

Под заказ

1

Под заказ

уточнить

Купить
26 16146 Шайба крепления винта 4-6 л.с. (WASHER@10)

Под заказ

1

Под заказ

уточнить

Купить
27 16147Q Гайки 2шт креп.греб.винта 4-6 л.с.(PROP NUT (2)@2)

Под заказ

1

Под заказ

уточнить

Купить
28 815026 Шплинт (PIN-COTTER @5)

Под заказ

1

Под заказ

уточнить

Купить
29 8M0082883 GASKET SET

Под заказ

1

Под заказ

уточнить

Купить

Нулевая цена не означает отсутствие товара. Оформите заказ, и менеджер сообщит вам цену и наличие товара, предварительно запросив их у поставщика

Главная Магазины
Корзина0
Профиль