Мы используем cookie для наилучшего представления нашего сайта. Подробнее об этом в Политике конфиденциальности.
Ок

Каспийск

Ваш город:
Каспийск (Республика Дагестан)?
Нет
Да
Каталог
Каталог Написать в WhatsApp
Мотоэкипировка

Электрические компоненты, катушка зажигания и ЭБУ 4-Х ТАКТНОГО ПЛМ MERCURY 80 Серийный номер от 1B227000 до 1B366822

Электрические компоненты, катушка зажигания и ЭБУ 4-Х ТАКТНОГО ПЛМ MERCURY 80 Серийный номер от 1B227000 до 1B366822 в Каспийске: актуальный каталог, цены, фото, описание. Купите электрические компоненты, катушка зажигания и эбу 4-х тактного плм mercury 80 серийный номер от 1b227000 до 1b366822 в кредит – оформите заявку онлайн за 1 минуту!

Оригинальные запчасти

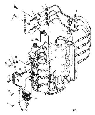
Артикул НАИМЕНОВАНИЕ Кол-во деталей в узле Примечание Наличие Цена Аналоги Фото
1 880892001 Катушка зажигания F75-100 yam (IGNITION COIL)

Под заказ

2

Под заказ

уточнить

Купить
2 804272A1 Бронепровода (CABLE SET)

Под заказ

1

Под заказ

уточнить

Купить
3 804276 CLAMP

Под заказ

1

Под заказ

уточнить

Купить
4 804277 CLAMP

Под заказ

1

Под заказ

уточнить

Купить
5 888239002 PLATE

Под заказ

2

Под заказ

уточнить

Купить
6 888588001 CLAMP

Под заказ

2

Под заказ

уточнить

Купить
7 888588002 CLAMP

Под заказ

1

Под заказ

уточнить

Купить
8 804082001 GROMMET

Под заказ

1

Под заказ

уточнить

Купить
9 84368M BOLT

Под заказ

1

Под заказ

уточнить

Купить
10 82214M Шайба (WASHER)

Под заказ

1

Под заказ

уточнить

Купить
11 880891T03 ECU

Под заказ

1

Под заказ

уточнить

Купить
12 880891T16 ECU

Под заказ

1

Под заказ

уточнить

Купить
13 880891T15 ECU

Под заказ

1

Под заказ

уточнить

Купить
14 880891T17 ECU

Под заказ

1

Под заказ

уточнить

Купить
15 881304 GROMMET

Под заказ

4

Под заказ

уточнить

Купить
16 804344003 COLLAR

Под заказ

4

Под заказ

уточнить

Купить
17 804270 BOLT, (M6 x 28)

Под заказ

4

Под заказ

уточнить

Купить
18 881346T RECTIFIER AND REGULATOR ASSEMBLY

Под заказ

1

Под заказ

уточнить

Купить
19 804604 BOLT, (M6 x 20)

Под заказ

1

Под заказ

уточнить

Купить

Нулевая цена не означает отсутствие товара. Оформите заказ, и менеджер сообщит вам цену и наличие товара, предварительно запросив их у поставщика

Главная Магазины
Корзина0
Профиль