Мы используем cookie для наилучшего представления нашего сайта. Подробнее об этом в Политике конфиденциальности.
Ок

Каспийск

Ваш город:
Каспийск (Республика Дагестан)?
Нет
Да
Каталог
Каталог Написать в WhatsApp
Мотоэкипировка

Кронштейн дроссельной заслонки 4-Х ТАКТНОГО ПЛМ MERCURY 80 Серийный номер от 1B366823 и выше

Кронштейн дроссельной заслонки 4-Х ТАКТНОГО ПЛМ MERCURY 80 Серийный номер от 1B366823 и выше в Каспийске: актуальный каталог, цены, фото, описание. Купите кронштейн дроссельной заслонки 4-х тактного плм mercury 80 серийный номер от 1b366823 и выше в кредит – оформите заявку онлайн за 1 минуту!

Оригинальные запчасти

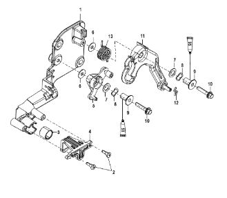
Артикул НАИМЕНОВАНИЕ Кол-во деталей в узле Примечание Наличие Цена Аналоги Фото
1 897763T03 BRACKET ASSEMBLY, Throttle

Под заказ

1

Под заказ

уточнить

Купить
2 42975 Шпонка (SCREW-DRIVE)

Под заказ

2

Под заказ

уточнить

Купить
3 824015 Заглушка (CUP)

Под заказ

1

Под заказ

уточнить

Купить
4 898048T Защелка кабеля управления (LATCH)

Под заказ

1

Под заказ

уточнить

Купить
5 897765T01 Рычаг (LEVER ASSEMBLY, Throttle Follower)

Под заказ

1

Под заказ

уточнить

Купить
6 897936 WASHER

Под заказ

2

Под заказ

уточнить

Купить
7 897937 WASHER

Под заказ

2

Под заказ

уточнить

Купить
8 898093 WASHER, Wave

Под заказ

2

Под заказ

уточнить

Купить
9 897935 SPACER

Под заказ

2

Под заказ

уточнить

Купить
10 8M0103808 SCREW @2

Под заказ

2

Под заказ

уточнить

Купить
11 8M0008288 Ручка (LEVER ASSEMBLY, Throttle)

Под заказ

1

Под заказ

уточнить

Купить
12 8M0001157 Шпонка (PIN, Bow Tie Clip)

Под заказ

1

Под заказ

уточнить

Купить
13 897535005 Пружина (SPRING, Throttle Cam Return)

Под заказ

1

Под заказ

уточнить

Купить

Нулевая цена не означает отсутствие товара. Оформите заказ, и менеджер сообщит вам цену и наличие товара, предварительно запросив их у поставщика

Главная Магазины
Корзина0
Профиль