Мы используем cookie для наилучшего представления нашего сайта. Подробнее об этом в Политике конфиденциальности.
Ок

Каспийск

Ваш город:
Каспийск (Республика Дагестан)?
Нет
Да
Каталог
Каталог Написать в WhatsApp
Мотоэкипировка

Корпус редуктора 2-Х ТАКТНОГО ПЛМ SEA-PRO T30P

Корпус редуктора 2-Х ТАКТНОГО ПЛМ SEA-PRO T30P в Каспийске: актуальный каталог, цены, фото, описание. Купите корпус редуктора 2-х тактного плм sea-pro t30p в кредит – оформите заявку онлайн за 1 минуту!

Оригинальные запчасти

Артикул НАИМЕНОВАНИЕ Кол-во деталей в узле Примечание Наличие Цена Аналоги Фото
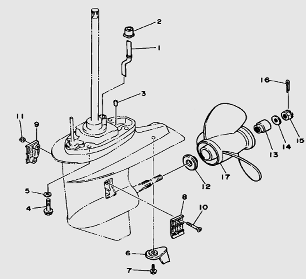
1 372-17063 Трубка водяная

Под заказ

N/A

Под заказ

уточнить

Купить
2 372-17064 Сальник трубки водяной

Под заказ

N/A

Под заказ

уточнить

Купить
3 15FMH-02011 Штифт

Под заказ

N/A

Под заказ

уточнить

Купить
4 372-17066 Болт M10*1.25-35

Под заказ

N/A

Под заказ

уточнить

Купить
5 372-17067 Шайба 18*10.5*2

Под заказ

N/A

Под заказ

уточнить

Купить
6 372-17068 Анод с плавником

Под заказ

N/A

Под заказ

уточнить

Купить
7 372-17070 Решетка забора воды левая

Под заказ

N/A

Под заказ

уточнить

Купить
8 372-17071 Решетка забора воды правая

Под заказ

N/A

Под заказ

уточнить

Купить
9 15FMH-11017 Винт втулки румпеля М5*25

Под заказ

N/A

Под заказ

уточнить

Купить
10 15FMH-08002-10 Гайка М5

Под заказ

N/A

Под заказ

уточнить

Купить
11 372-17074 Опорная шайба гребного винта

Под заказ

N/A

Под заказ

уточнить

Купить
12 372-17075 Втулка гребного винта

Под заказ

N/A

Под заказ

уточнить

Купить
13 372-17076 Шайба гребного винта М14

Под заказ

N/A

Под заказ

уточнить

Купить
14 372-17077 Гайка крепления гребного винта М14*1,5

Под заказ

N/A

Под заказ

уточнить

Купить
15 372-17078 Шплинт гайки гребного винта 3*22

Под заказ

N/A

Под заказ

уточнить

Купить
16 372-17079 Винт гребной

Под заказ

N/A

Под заказ

уточнить

Купить

Нулевая цена не означает отсутствие товара. Оформите заказ, и менеджер сообщит вам цену и наличие товара, предварительно запросив их у поставщика

Главная Магазины
Корзина0
Профиль