Мы используем cookie для наилучшего представления нашего сайта. Подробнее об этом в Политике конфиденциальности.
Ок

Каспийск

Ваш город:
Каспийск (Республика Дагестан)?
Нет
Да
Каталог
Каталог Написать в WhatsApp
Мотоэкипировка

Стартер 2-Х ТАКТНОГО ПЛМ SEA-PRO T5P

Стартер 2-Х ТАКТНОГО ПЛМ SEA-PRO T5P в Каспийске: актуальный каталог, цены, фото, описание. Купите стартер 2-х тактного плм sea-pro t5p в кредит – оформите заявку онлайн за 1 минуту!

Оригинальные запчасти

Артикул НАИМЕНОВАНИЕ Кол-во деталей в узле Примечание Наличие Цена Аналоги Фото
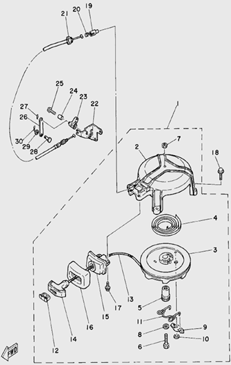
1 5MHS-04001 Стартер в сборе

Под заказ

1

Под заказ

уточнить

Купить
2 5MHS-04002 Корпус ручного стартера

Под заказ

1

Под заказ

уточнить

Купить
3 5MHS-04003 Заводной барабан

Под заказ

1

Под заказ

уточнить

Купить
4 5MHS-04004 Пружина стартера большая

Под заказ

1

Под заказ

уточнить

Купить
5 5MHS-04005 Втулка заводного барабана Т5

В наличии

1

В наличии

910

1 110

Купить
6 15FMH-10014 Гайка защелки колпака M6

Под заказ

1

Под заказ

уточнить

Купить
7 5MHS-04009 5MHS-04009 Стопор-Упор T5P (4-9)

Под заказ

1

Под заказ

уточнить

1 310

Купить
8 5MHS-11038 Стопорное кольцо стопора-упора T5

Под заказ

1

Под заказ

уточнить

270

Купить
9 5MHS-04011 5MHS-04011 Пружина Стопор-Упора T5P (4-11)

Под заказ

1

Под заказ

уточнить

600

Купить
10 15FMH-07019 Крышка ручки стартера

Под заказ

1

Под заказ

уточнить

Купить
11 5MHS-04013 Веревка заводная

Под заказ

1

Под заказ

уточнить

Купить
12 15FMH-07018 Ручка стартера

Под заказ

1

Под заказ

уточнить

Купить
13 5MHS-04015 Бампер ручки стартера

Под заказ

1

Под заказ

уточнить

Купить
14 5MHS-04016 Корпус бампера ручки стартера

Под заказ

1

Под заказ

уточнить

Купить
15 5MHS-02023 Болт

Под заказ

2

Под заказ

уточнить

Купить
16 15FMH-14004 Болт

Под заказ

3

Под заказ

уточнить

Купить
17 5MHS-04019 Стопор-упор троса аварийного

Под заказ

1

Под заказ

уточнить

Купить
18 5MHS-04020 Пружина троса аварийного

Под заказ

1

Под заказ

уточнить

Купить
19 5MHS-04021 Трос аварийный

Под заказ

1

Под заказ

уточнить

Купить
20 5MHS-04022 Кронштейн

Под заказ

1

Под заказ

уточнить

Купить
21 5MHS-04023 Рычаг

Под заказ

1

Под заказ

уточнить

Купить
22 5MHS-04024 Втулка

Под заказ

1

Под заказ

уточнить

Купить
23 5MHS-04025 Болт с шайбой

Под заказ

1

Под заказ

уточнить

Купить
24 5MHS-04026 Тяга

Под заказ

1

Под заказ

уточнить

Купить
25 15FMH-12013 Защелка

Под заказ

1

Под заказ

уточнить

Купить
26 5MHS-04028 Фиксатор

Под заказ

1

Под заказ

уточнить

Купить
27 5MHS-04029 Шайба

Под заказ

1

Под заказ

уточнить

Купить
28 15FMH-11012 Штифт 1,6*12

Под заказ

1

Под заказ

уточнить

Купить

Нулевая цена не означает отсутствие товара. Оформите заказ, и менеджер сообщит вам цену и наличие товара, предварительно запросив их у поставщика

Главная Магазины
Корзина0
Профиль